GM Service Manual Online
For 1990-2009 cars only
Makes
🢒
Buick
🢒
2006
🢒
Rendezvous - FWD
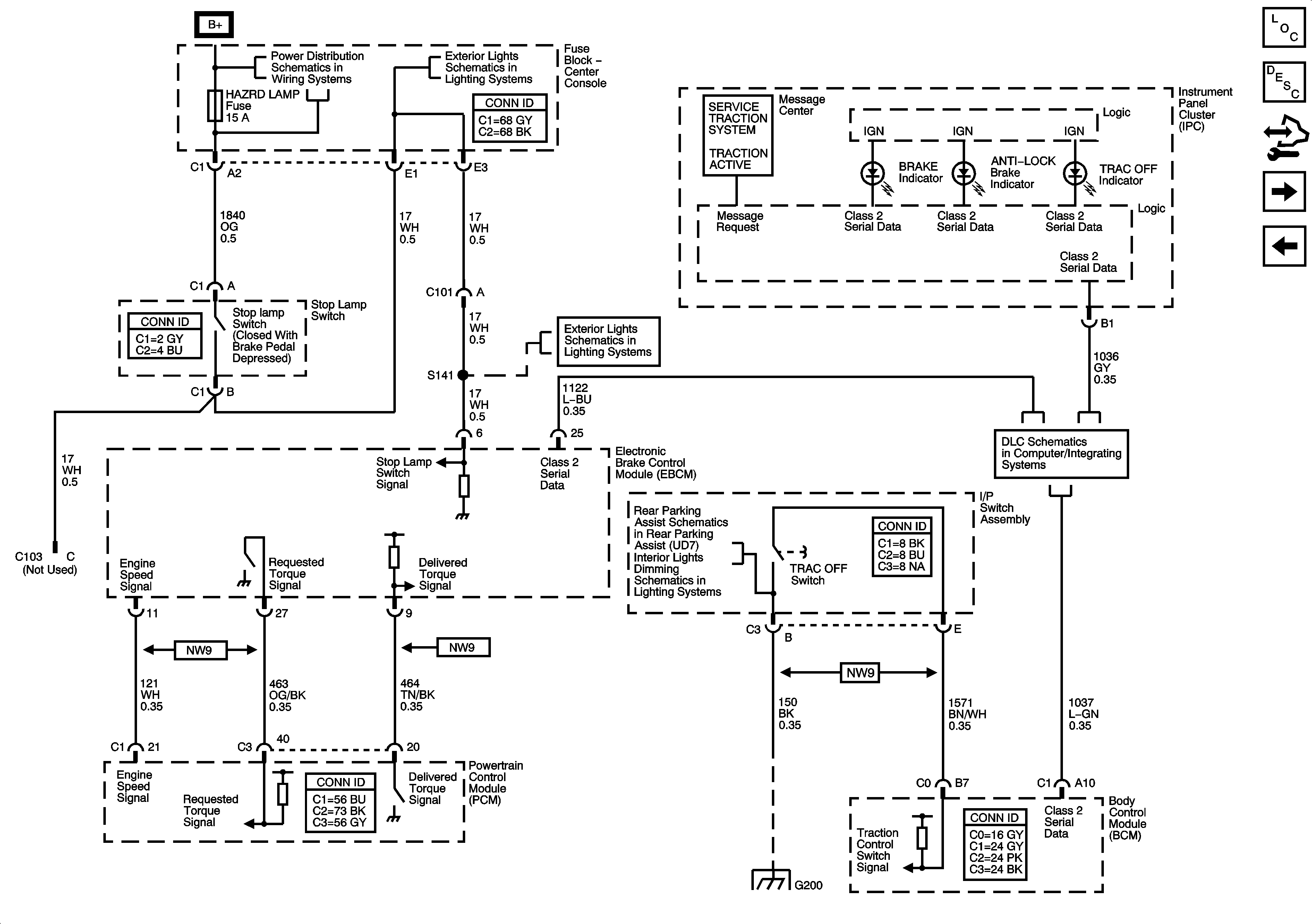
🢒 DLC, Indicators, and Traction Control Switch-LX9
DLC, Indicators, and Traction Control Switch-LX9
DLC, Indicators, and Traction Control Switch - LX9
Master Electrical Component List
ABS Description and Operation
Control Module References
DLC, Indicators, and Traction Control Switch-LY7
Ground, Power, Pump, and Solenoid Valves
BATT 1, HAZRD LAMP, HUD, IPC/HVAC/SEC/RKE, IS LAMP, PK3, RDO and RDO AMP Fuses
Hazard, Stop, and Turn Signal Lamp Control
Hazard, Stop, and Turn Signal Lamp Control
Enabling, Ground, and Power
I/P and Console Lamps
DLC Schematics
G200