GM Service Manual Online
For 1990-2009 cars only
Makes
🢒
Buick
🢒
2006
🢒
Rendezvous - FWD
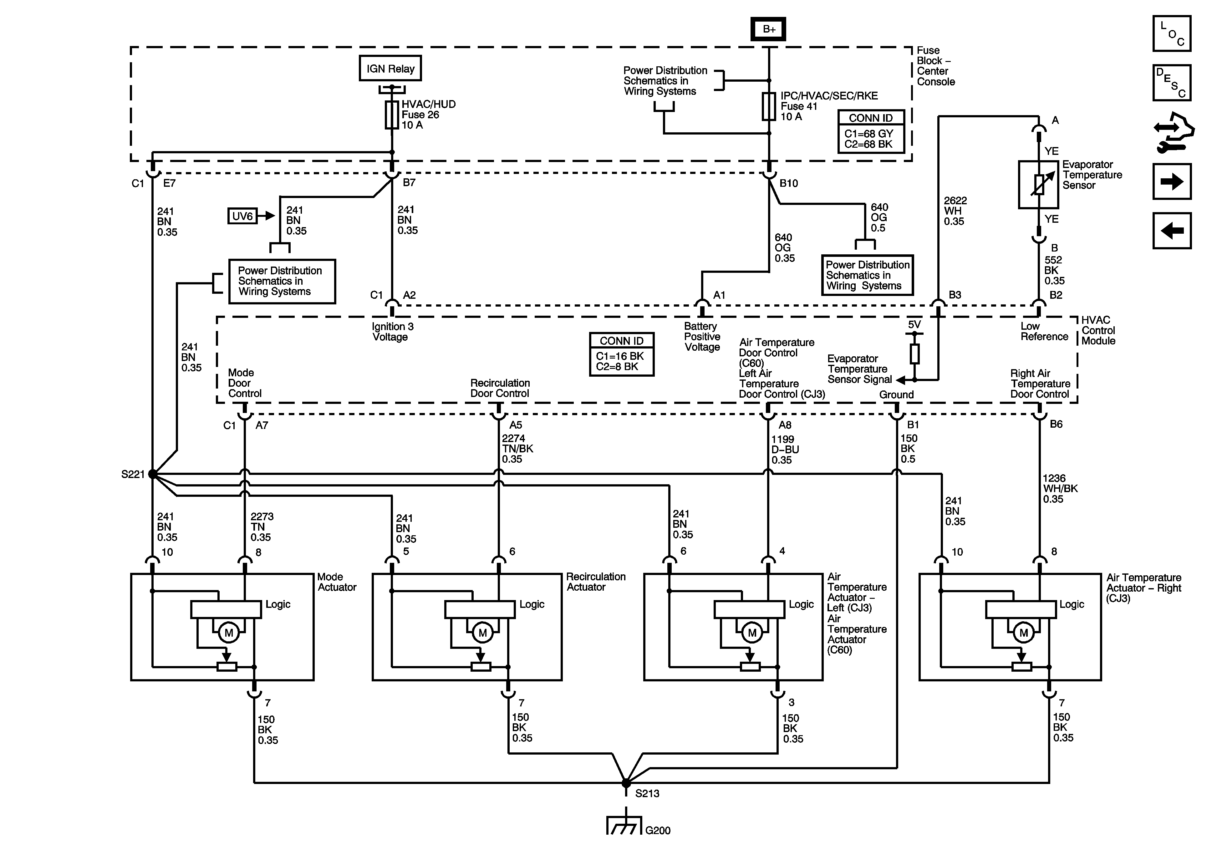
🢒 Air Delivery and Temperature Controls
Air Delivery and Temperature Controls
Air Delivery and Temperature Controls
Master Electrical Component List
Air Delivery Description and Operation
Control Module References
Compressor Controls
Blower Controls
HVAC/HUD Fuse
Blower Controls
BATT 1, HAZRD LAMP, HUD, IPC/HVAC/SEC/RKE, IS LAMP, PK3, RDO and RDO AMP Fuses
BATT 1, HAZRD LAMP, HUD, IPC/HVAC/SEC/RKE, IS LAMP, PK3, RDO and RDO AMP Fuses
G200