GM Service Manual Online
For 1990-2009 cars only

Front

Front


Object Number: 1619582  Size: FS
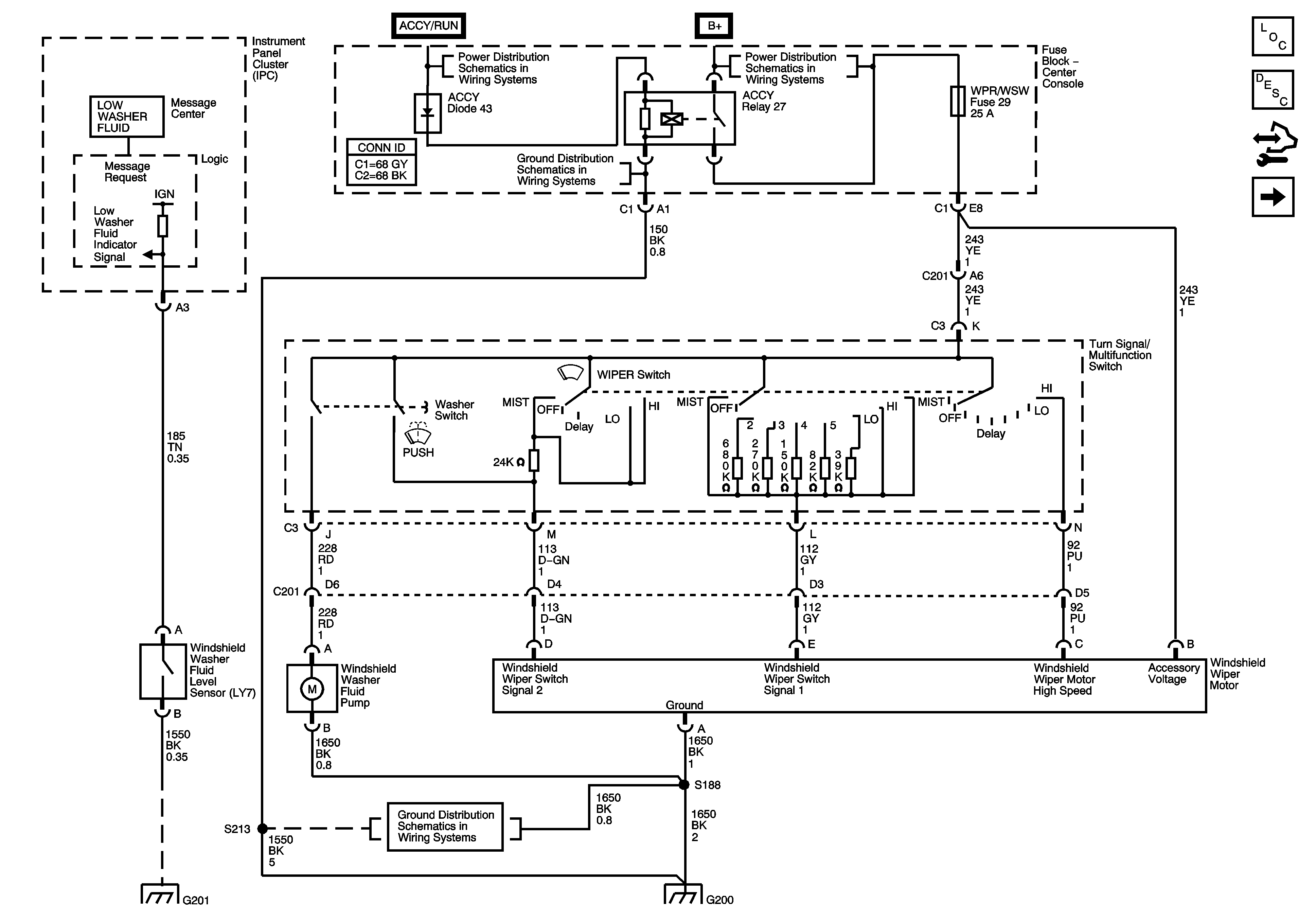
Master Electrical Component List
Wiper/Washer System Description and Operation
Control Module References
Rear
Ignition Switch-ACCY/RUN and RUN/START Bus Bars, AIRBAG MDL, AUTO OCCUPANT SEN, BCM, IGN1/IGN3, IGN MDL, and TCC SWTCH Fuses
G200
ACC PWR, ELC CMPRSR, IGN 1, PWR SROOF, PWR WNDW, RR WPR SW, and WPR/WSW Fuses
G201
G201
G200