GM Service Manual Online
For 1990-2009 cars only
Makes
🢒
Buick
🢒
2006
🢒
Rendezvous - FWD
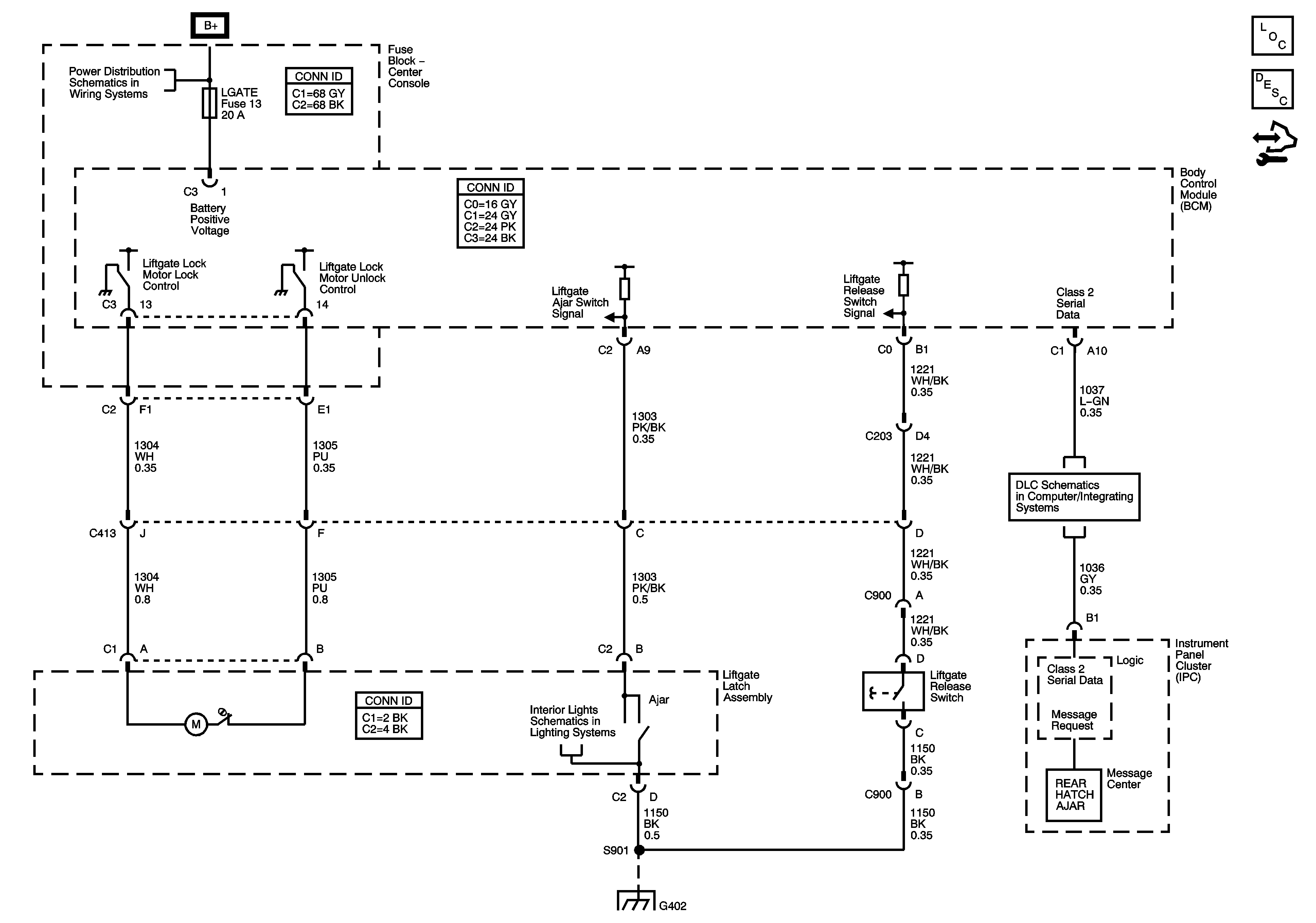
🢒 Body Rear End Schematics
Body Rear End Schematics
Master Electrical Component List
Rear Hatch/Gate Description and Operation (Rendezvous)
Control Module References
BATT 2, ELC CMPRSR, LGATE, PWR DR LCK, PWR MIR, PWR SEAT, and RR AUX PWR OUTLET Fuses
G402