GM Service Manual Online
For 1990-2009 cars only
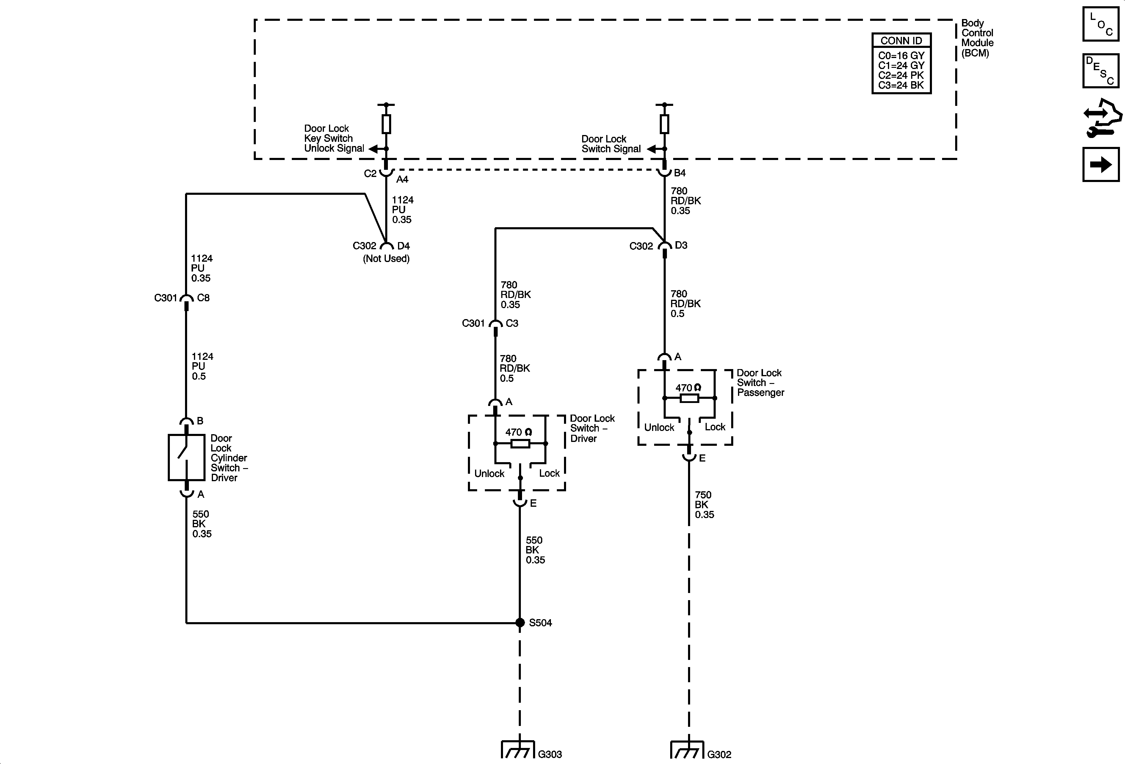
Figure 1:

Switches


Object Number: 1740967  Size: FS
Master Electrical Component List
Power Door Locks Description and Operation
Control Module References
Actuators
G303-1 of 2
G302
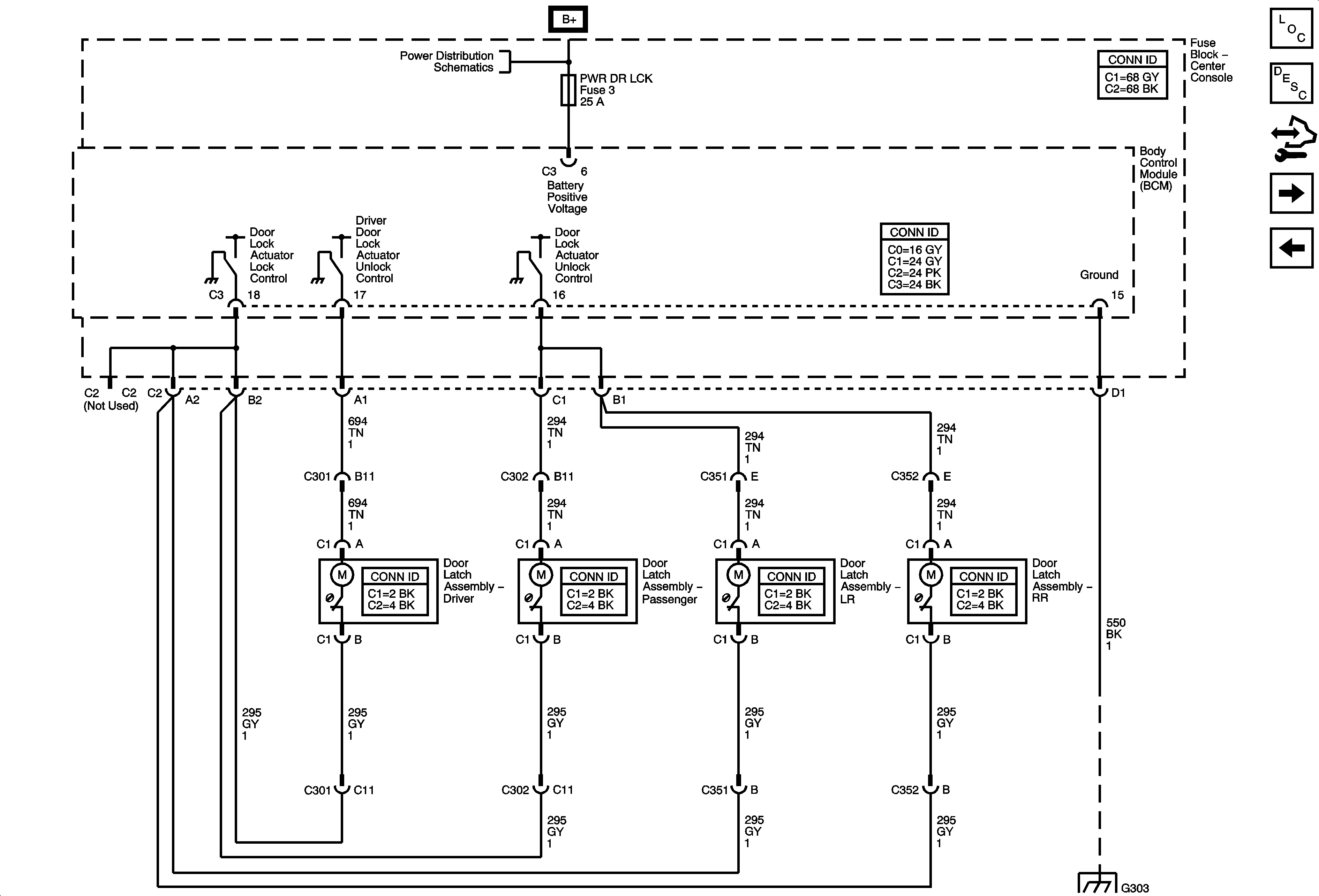
Figure 2:

Actuators


Object Number: 1740968  Size: FS
Master Electrical Component List
Power Door Locks Description and Operation
Control Module References
Indicator
Switches
BATT 2, ELC CMPRSR, LGATE, PWR DR LCK, PWR MIR, PWR SEAT, and RR AUX PWR OUTLET Fuses
G303-1 of 2
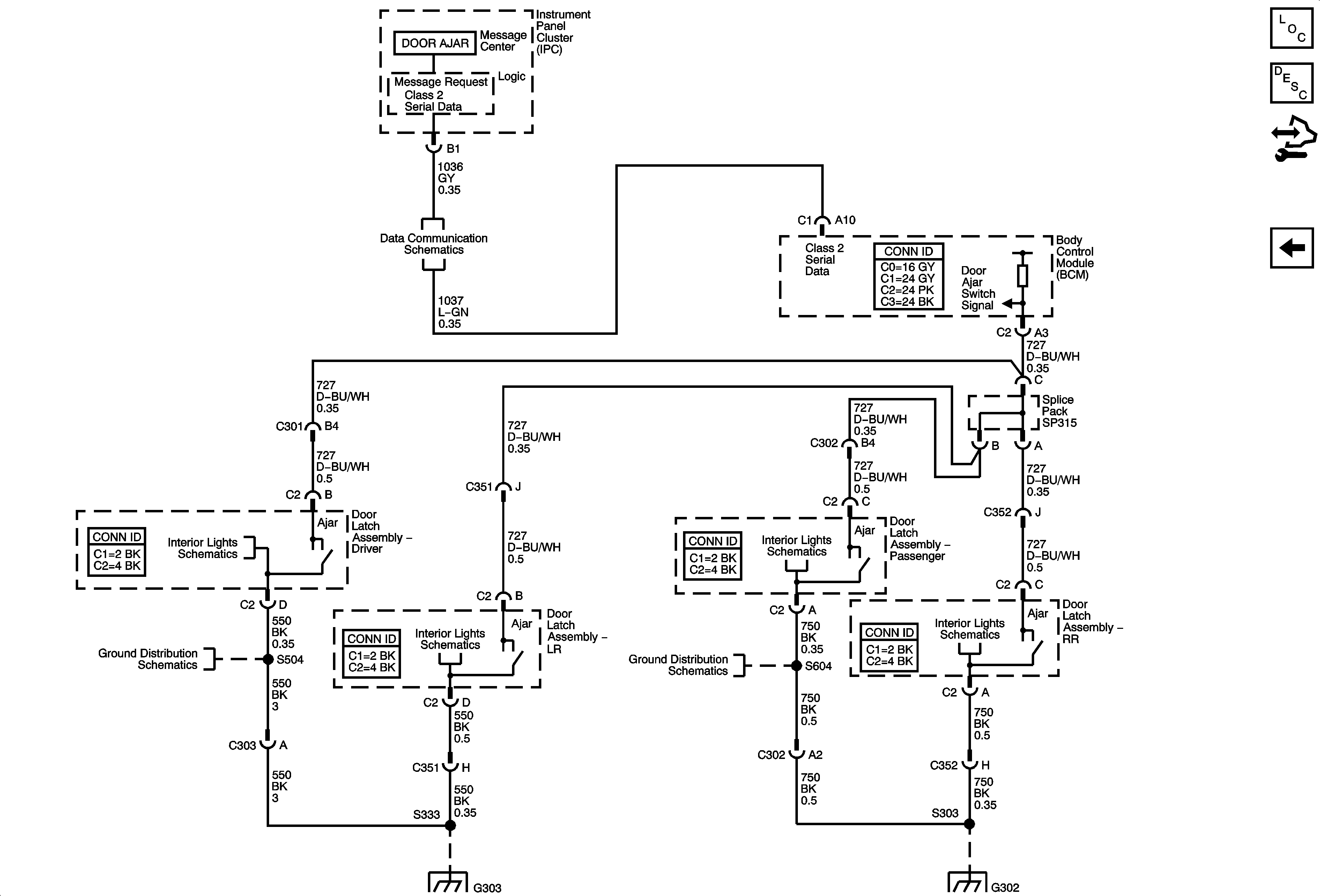
Figure 3:

Indicator


Object Number: 1740969  Size: FS
Master Electrical Component List
Power Door Locks Description and Operation
Control Module References
Actuators
Data Communication Schematics
Door and Liftgate Switches
G303-1 of 2
Door and Liftgate Switches
G302
Door and Liftgate Switches
Door and Liftgate Switches
G303-1 of 2
G302