GM Service Manual Online
For 1990-2009 cars only
Makes
🢒
Buick
🢒
2007
🢒
Rendezvous - FWD
🢒
Diagnostic Navigation
🢒
Vehicle Diagnostic Information
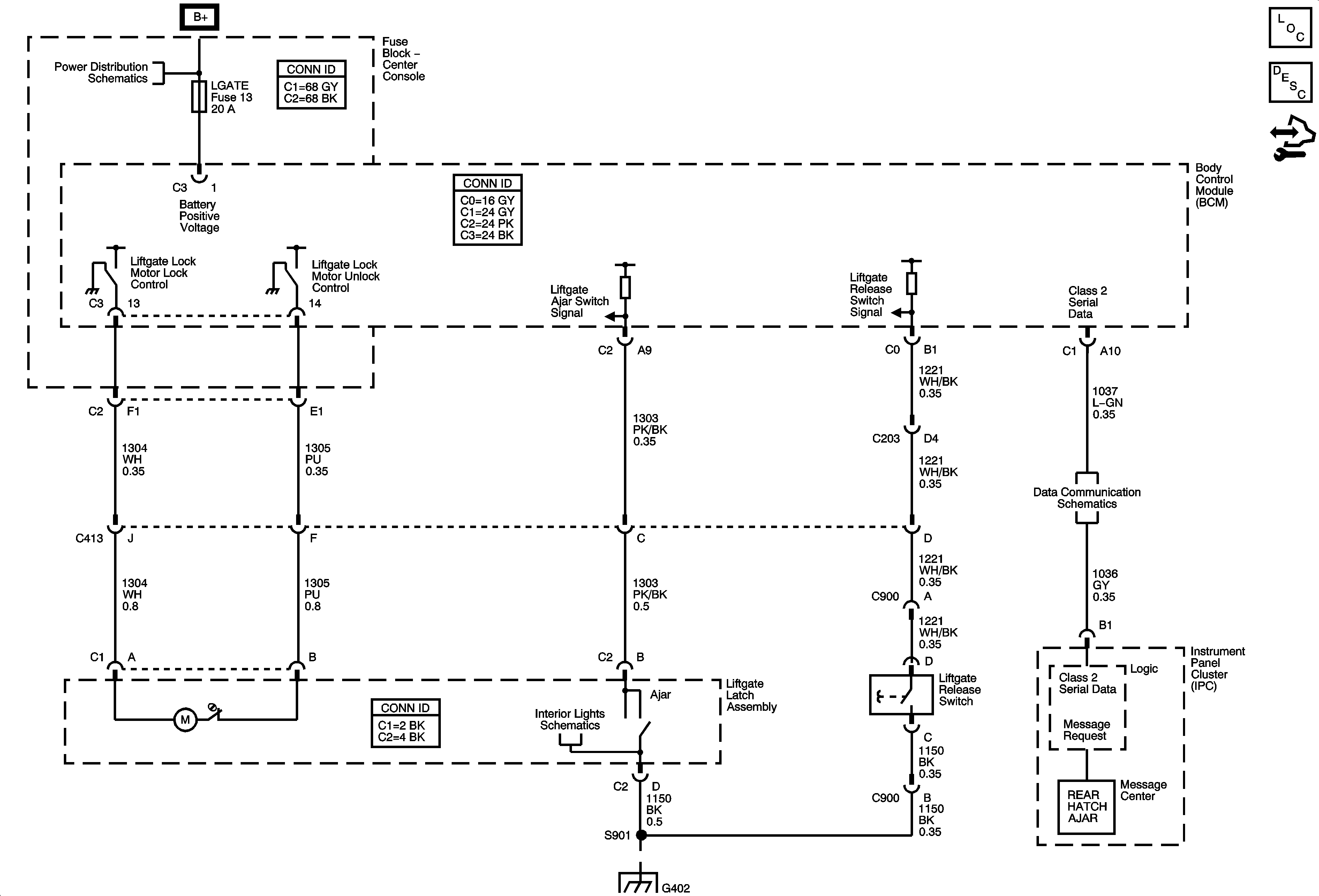
🢒 Release Systems Schematics
Master Electrical Component List
Rear Hatch/Gate Description and Operation (Rendezvous)
Control Module References
BATT 2, ELC CMPRSR, LGATE, PWR DR LCK, PWR MIR, PWR SEAT, and RR AUX PWR OUTLET Fuses
G402