GM Service Manual Online
For 1990-2009 cars only
Makes
🢒
Buick
🢒
2007
🢒
Rendezvous - FWD
🢒
Body Systems
🢒
Lighting
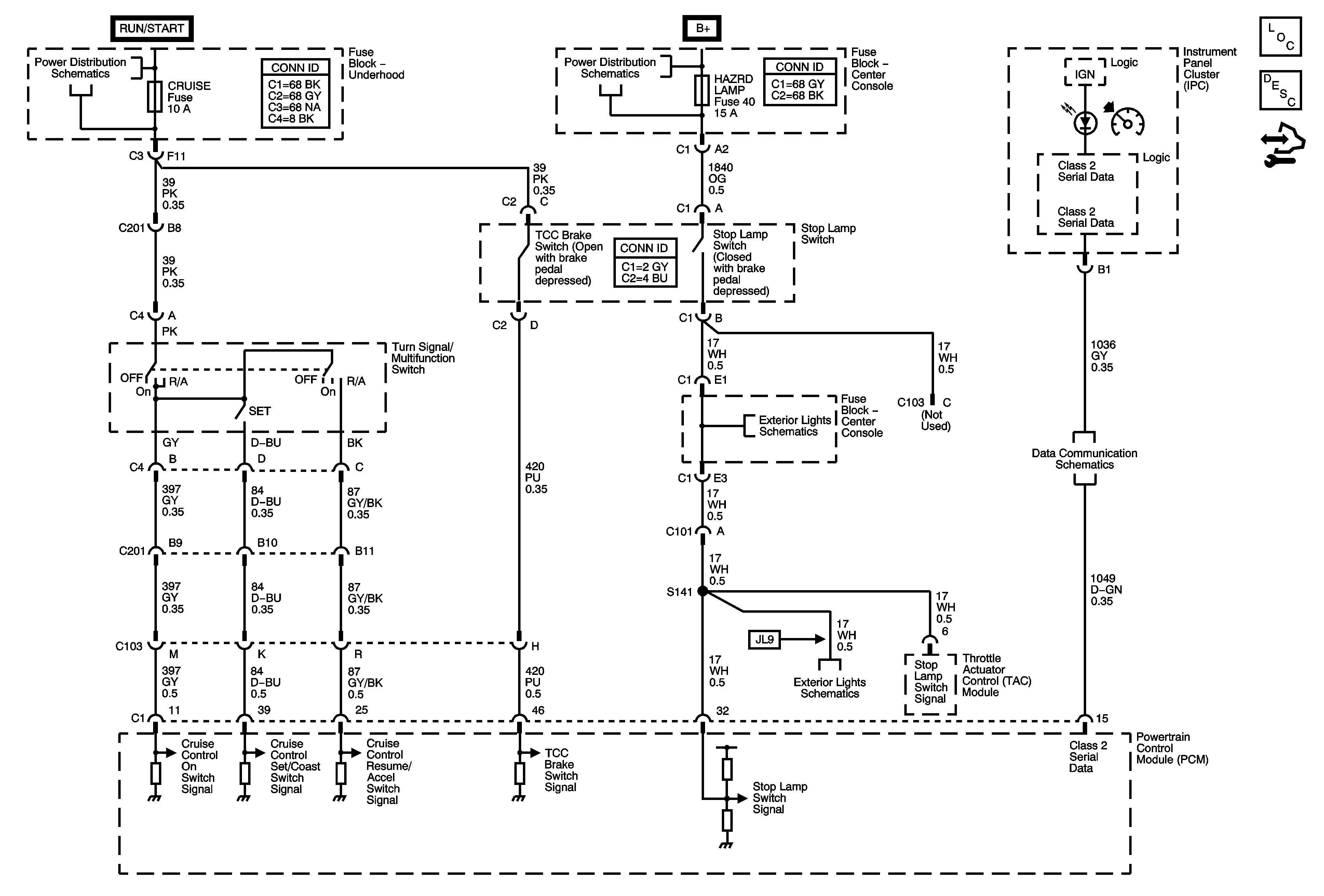
🢒 Cruise Control Schematics
Master Electrical Component List
Cruise Control Description and Operation (3.5L)
Control Module References
G100, and G111
BATT 1, HAZRD LAMP, HUD, IPC/HVAC/SEC/RKE, IS LAMP, PK3, RDO and RDO AMP Fuses
Hazard, Stop, and Turn Signal Lamp Control
Data Communication Schematics
Hazard, Stop, and Turn Signal Lamp Control