GM Service Manual Online
For 1990-2009 cars only

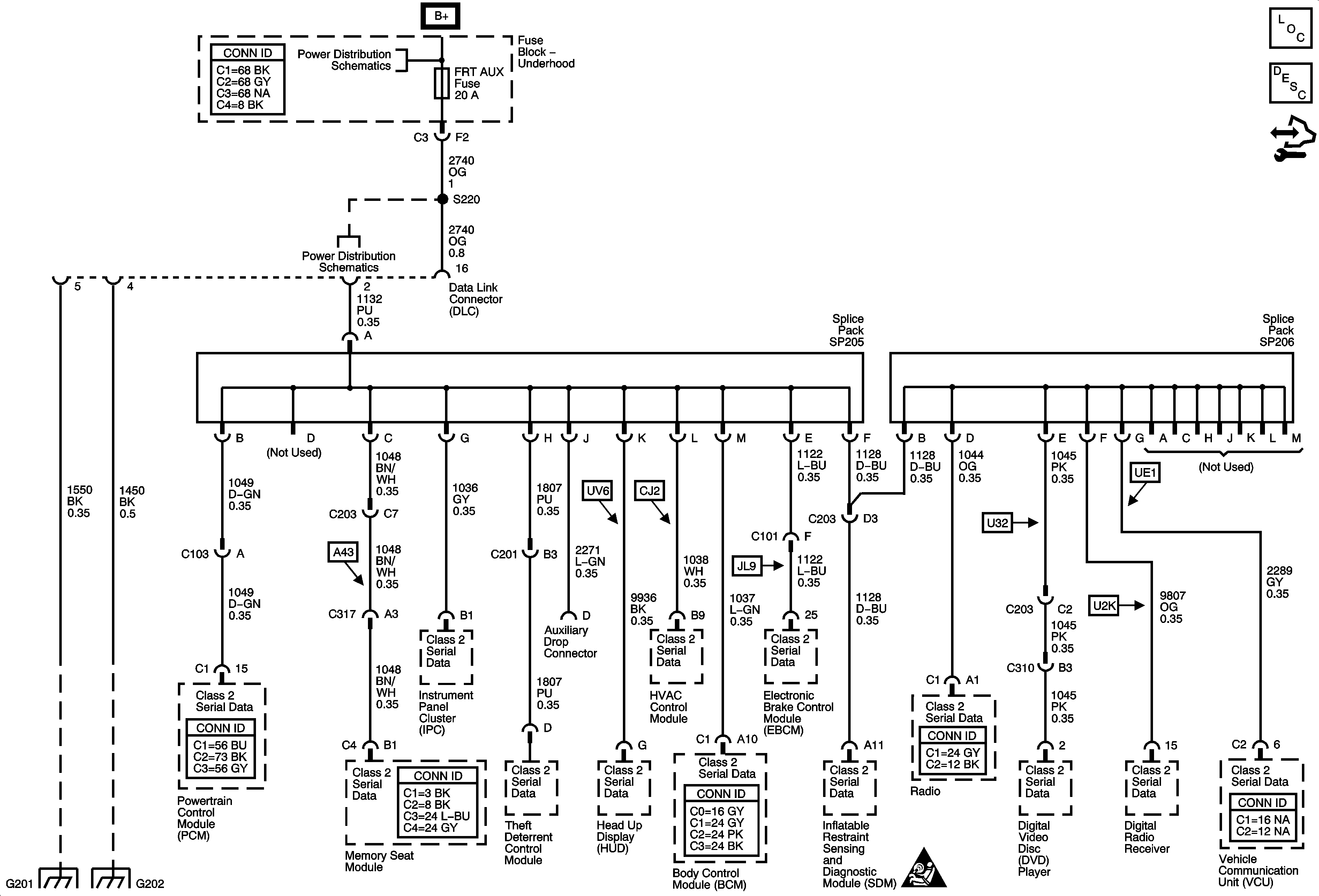
Object Number: 1740919  Size: FS
Master Electrical Component List
Data Link Communications Description and Operation
Control Module References
ABSMTR, ABS SOL, BCM, DVD, ECM, FRT AUX, S BAND, TCM, and VENT SOL Fuses
ABSMTR, ABS SOL, BCM, DVD, ECM, FRT AUX, S BAND, TCM, and VENT SOL Fuses
G201
G202
Computer/Integrating Systems Schematic Icons