GM Service Manual Online
For 1990-2009 cars only
Makes
🢒
Buick
🢒
2007
🢒
Rendezvous - FWD
🢒
Power and Signal Distribution
🢒
Wiring Systems and Power Management
🢒 Engine Cooling Schematics
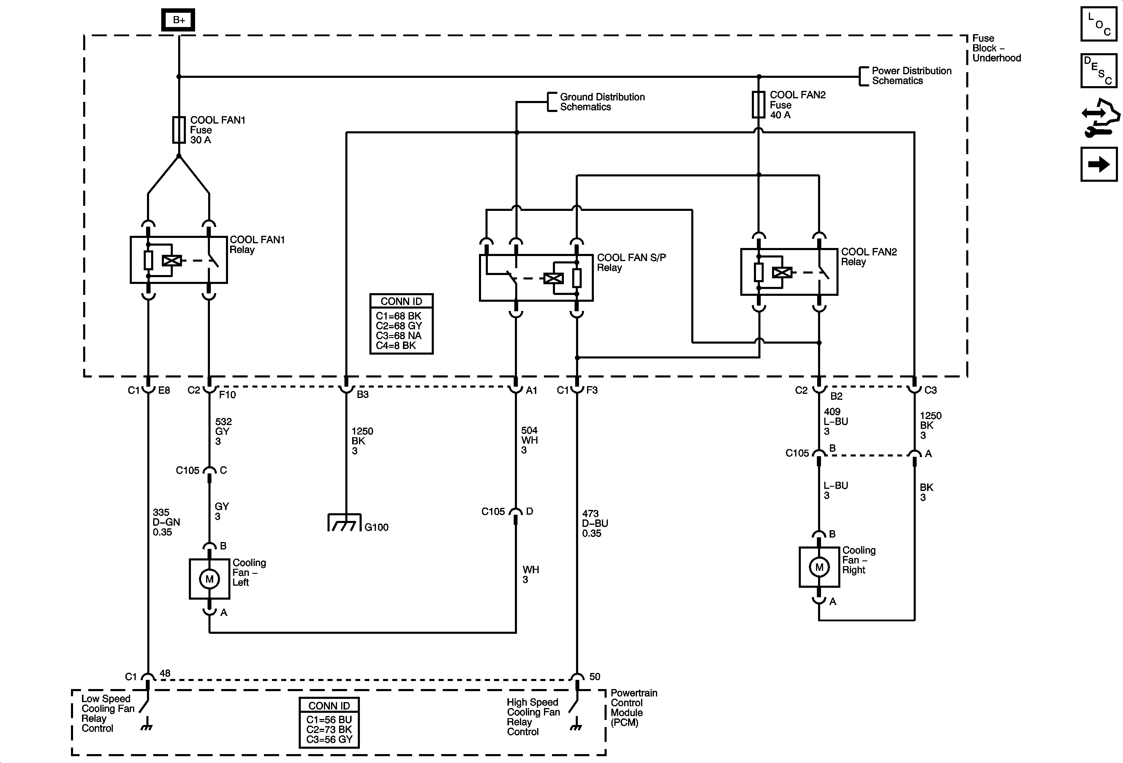
Figure
1:
Fans
Master Electrical Component List
Cooling System Description and Operation
Control Module References
Indicators
G100, and G111
B+ Bus 1 of 2
G100, and G111
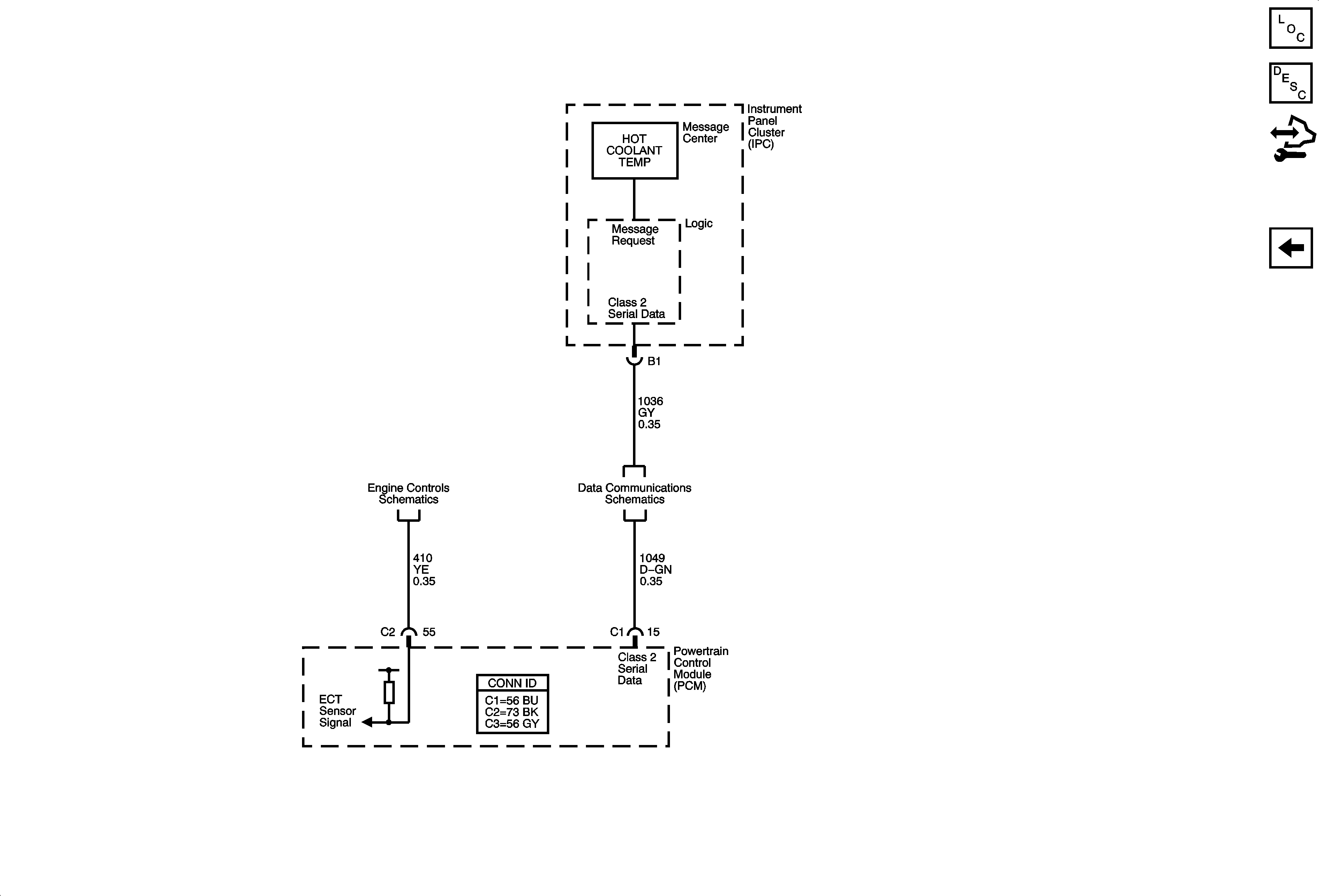
Figure
2:
Indicators
Master Electrical Component List
Cooling System Description and Operation
Control Module References
Fans
Engine Data Sensors-Pressure, Temperature, and VSS
Data Communication Schematics