GM Service Manual Online
For 1990-2009 cars only

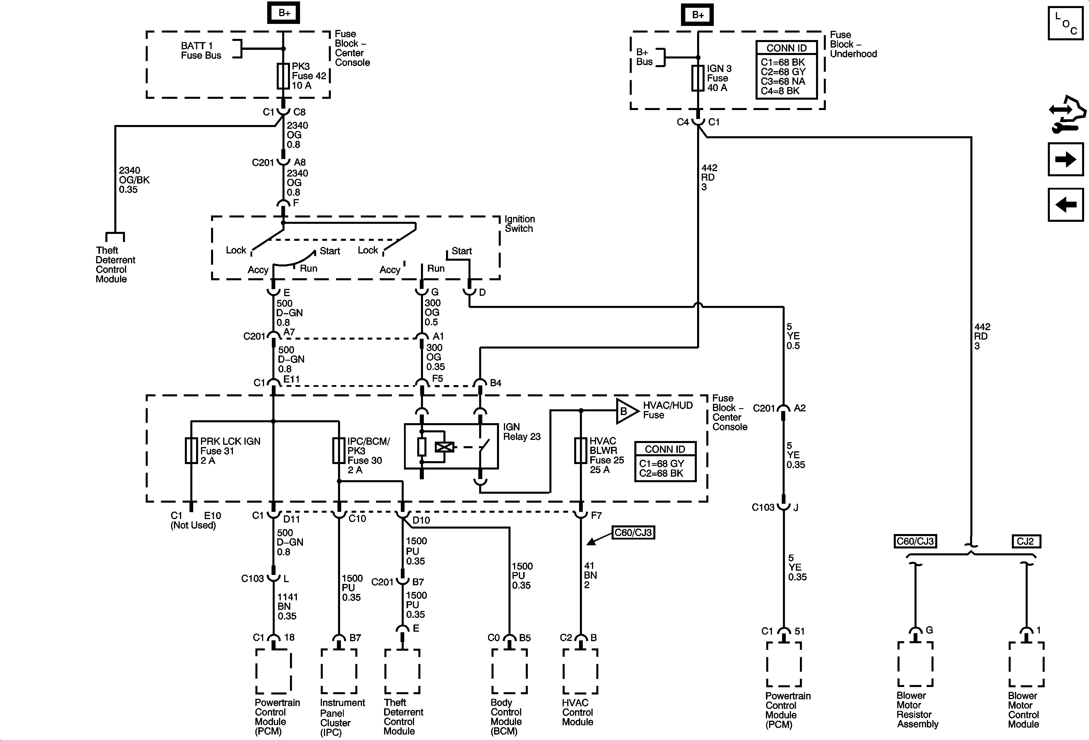
Ignition Switch-ACCY/RUN/START and RUN and START Bus Bars, HVAC BLWR, IPC/BCM/PK3, PK3, and PRK LCK IGN Fuses

Ignition Switch-ACCY/RUN/START and RUN and START Bus Bars, HVAC BLWR, IPC/BCM/PK3, PK3, and PRK LCK IGN Fuses


Object Number: 1740839  Size: FS
Master Electrical Component List
Control Module References
HVAC/HUD Fuse
ABSMTR, ABS SOL, BCM, DVD, ECM, FRT AUX, S BAND, TCM, and VENT SOL Fuses
BATT 1, HAZRD LAMP, HUD, IPC/HVAC/SEC/RKE, IS LAMP, PK3, RDO and RDO AMP Fuses
B+ Bus 1 of 2
BATT 1, HAZRD LAMP, HUD, IPC/HVAC/SEC/RKE, IS LAMP, PK3, RDO and RDO AMP Fuses
HVAC/HUD Fuse