GM Service Manual Online
For 1990-2009 cars only
Makes
🢒
Buick
🢒
2007
🢒
Rendezvous - FWD
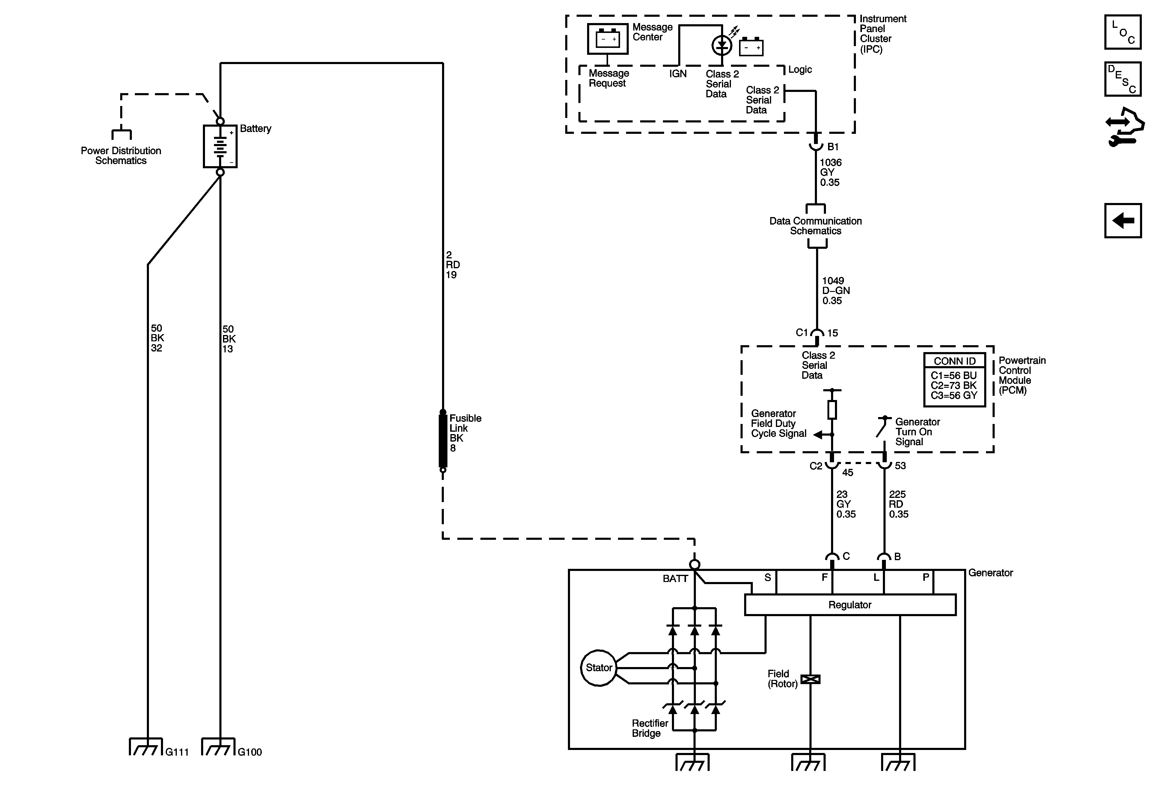
🢒 Charging
Charging
Charging
Master Electrical Component List
Starting System Description and Operation
Control Module References
Cranking
B+ Bus 1 of 2
Data Communication Schematics
G100, and G111
G100, and G111