GM Service Manual Online
For 1990-2009 cars only
Makes
🢒
Buick
🢒
2007
🢒
Rendezvous - FWD
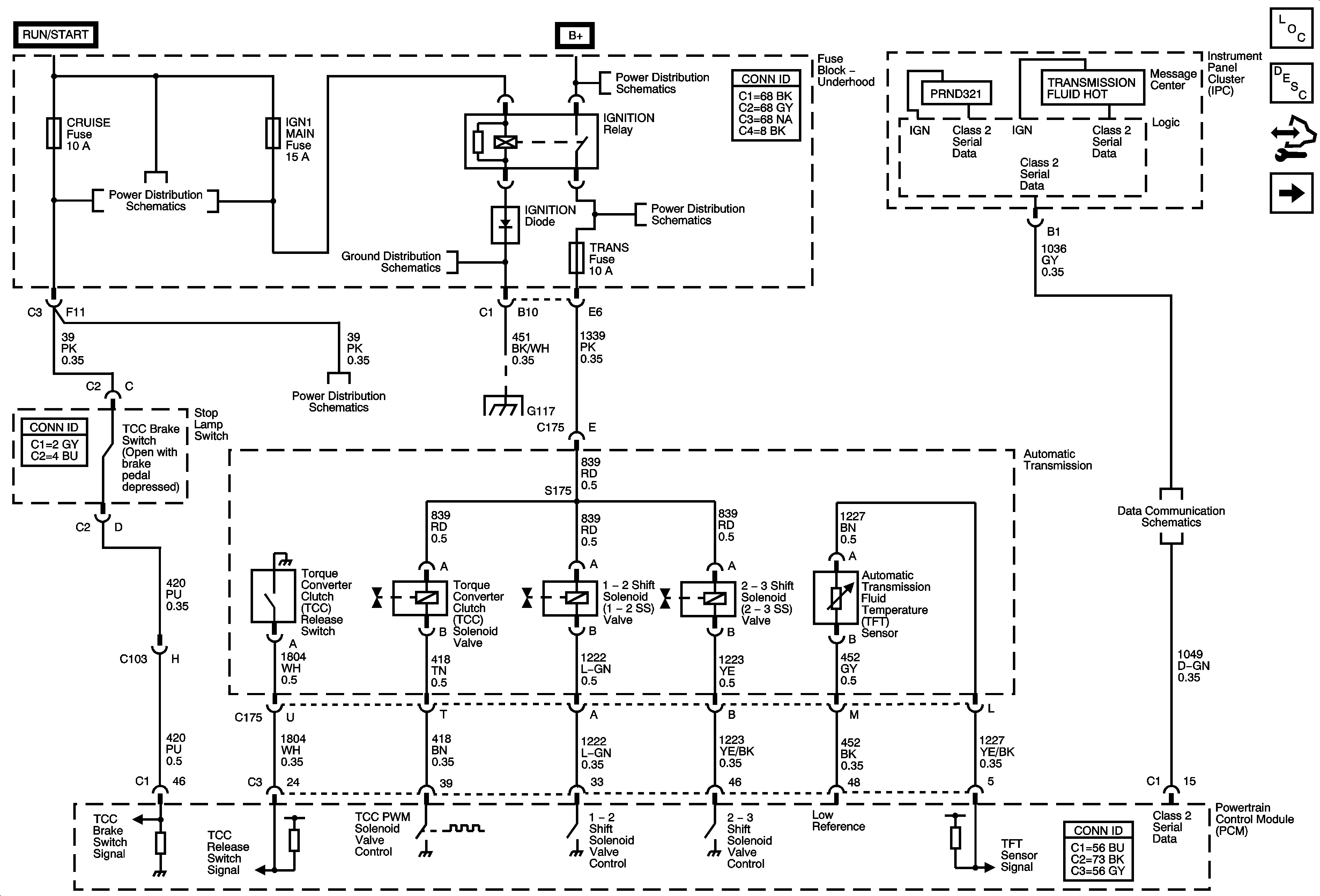
🢒 Shift Solenoids, TCC and TFT
Shift Solenoids, TCC and TFT
Shift Solenoids, TCC and TFT
Master Electrical Component List
Electronic Component Description
Control Module References
ISS, Pressure Control, and VSS
CRUISE, IGN1 MAIN, and TRN SIG Fuses
G117
CRUISE, IGN1 MAIN, and TRN SIG Fuses
G117
B+ Bus 2 of 2
B+ Bus 2 of 2
Data Communication Schematics