GM Service Manual Online
For 1990-2009 cars only
Makes
🢒
Buick
🢒
2007
🢒
Rendezvous - FWD
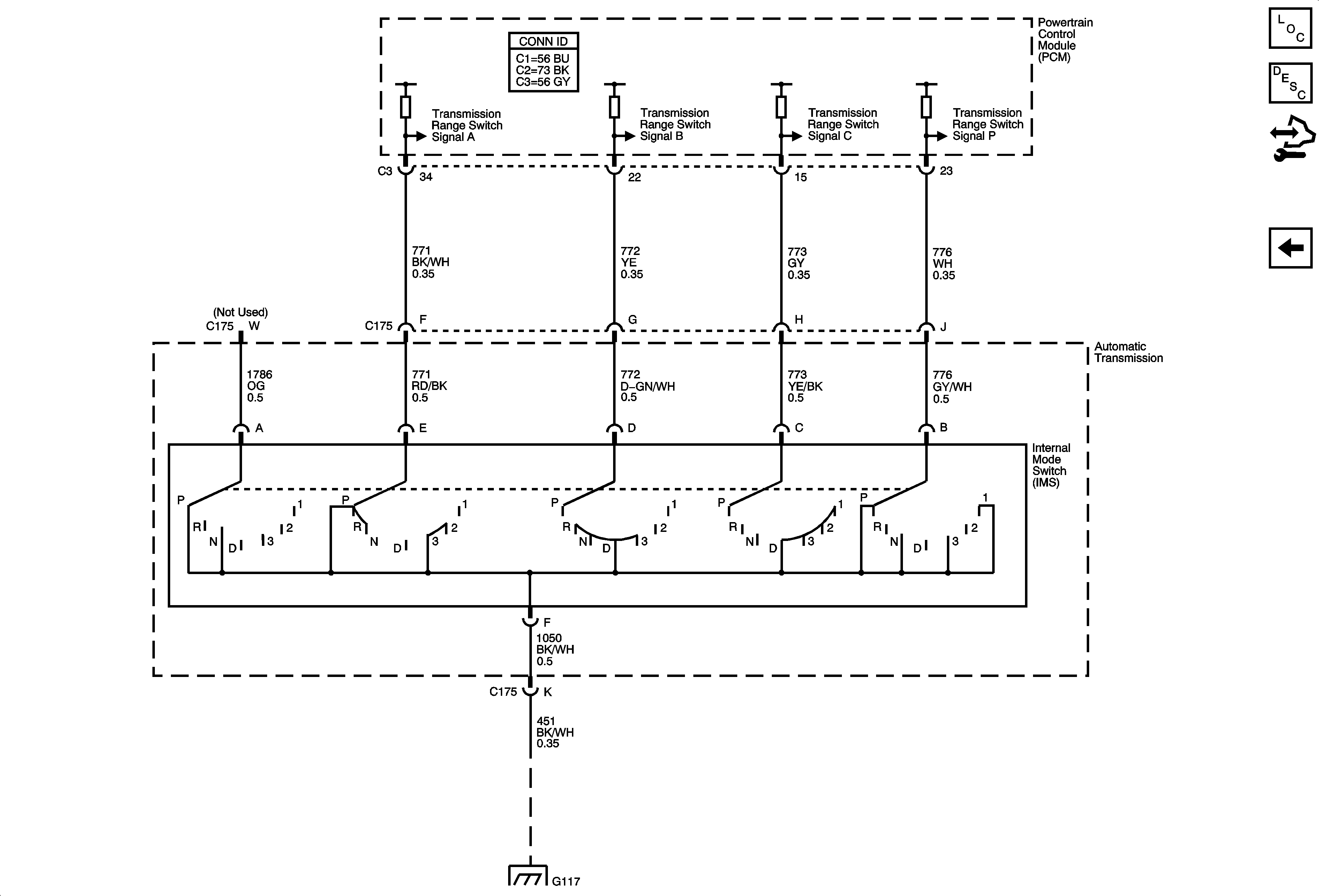
🢒 Internal Mode Switch
Internal Mode Switch
Internal Mode Switch
Master Electrical Component List
Electronic Component Description
Control Module References
ISS, Pressure Control, and VSS
G117