GM Service Manual Online
For 1990-2009 cars only
Makes
🢒
Buick
🢒
2007
🢒
Rendezvous - FWD
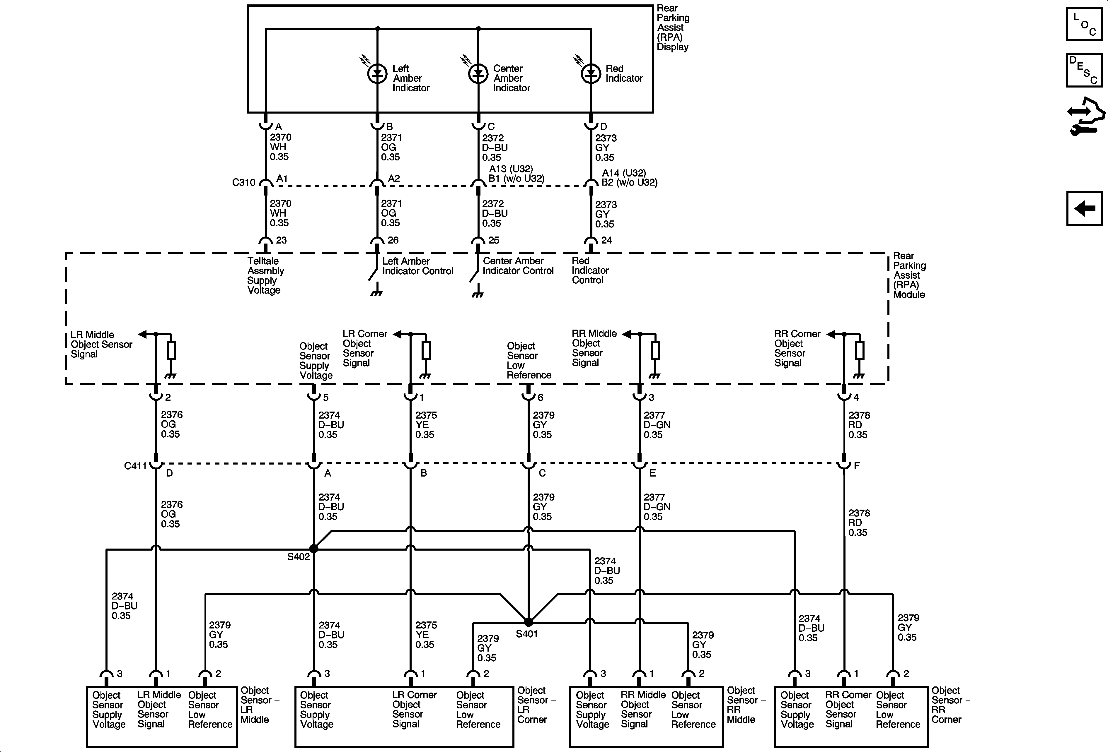
🢒 Object Sensors and Display
Object Sensors and Display
Object Sensors and Display
Master Electrical Component List
Object Detection Description and Operation
Control Module References
Enabling, Ground, and Power