GM Service Manual Online
For 1990-2009 cars only

DTC P0503 3.5L


Object Number: 1578780  Size: SF
Master Electrical Component List
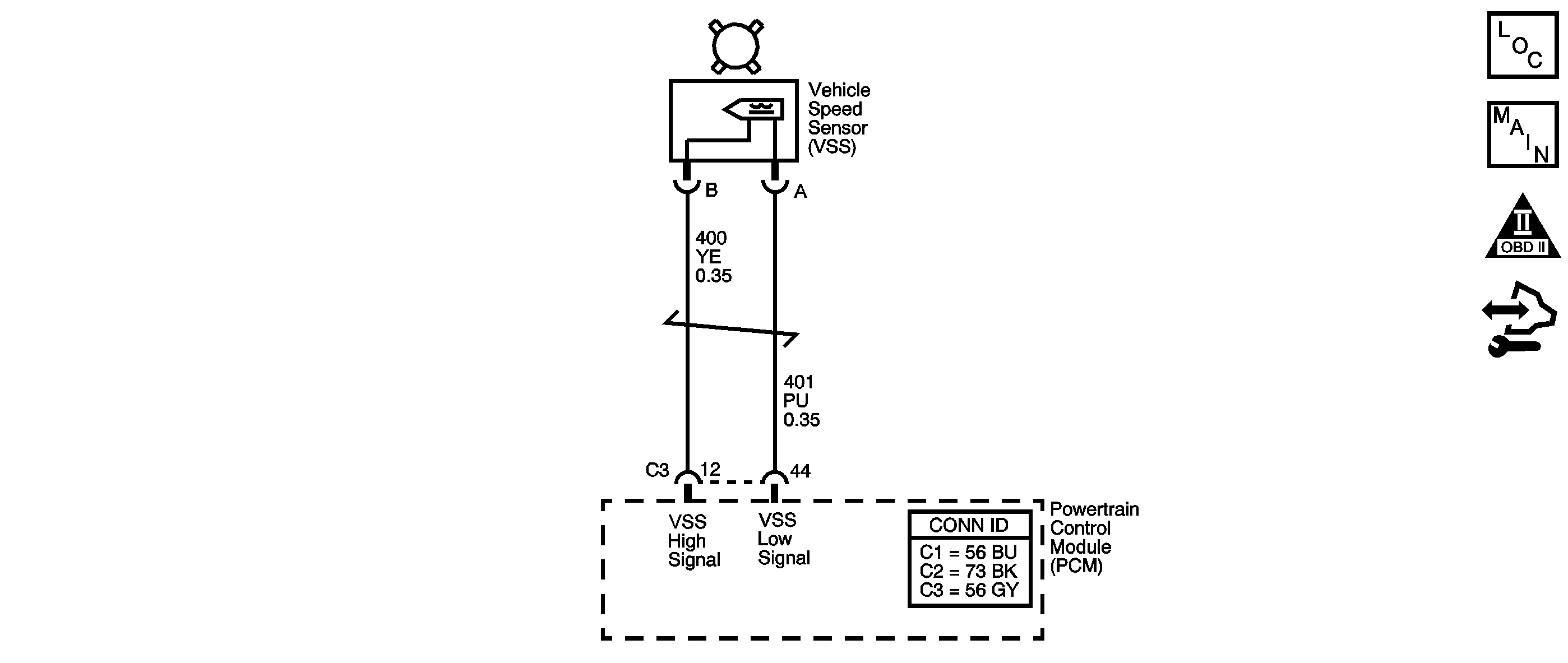
Automatic Transmission Controls Schematics
OBD II Symbol Description Notice
Control Module References

Circuit Description

The vehicle speed sensor (VSS) system is a pulse generator consisting of a speed sensor assembly, located in the case extension, and a toothed vehicle speed sensor reluctor wheel, which is pressed onto the final drive carrier assembly. As the vehicle drives forward, the vehicle speed sensor reluctor wheel rotates. This rotation produces a variable AC signal in the pickup coil that is proportional to vehicle speed. The powertrain control module (PCM) uses this signal in order to calculate vehicle speed, shift timing and gear ratios.

If the PCM detects a large change in vehicle speed in a short period of time, then DTC P0503 sets. DTC P0503 is a type B DTC.

DTC Descriptor

This diagnostic procedure supports the following DTC:

DTC P0503 Vehicle Speed Sensor (VSS) Circuit Intermittent

Conditions for Running the DTC

    • The time since the last range change is 6 seconds or more.
    • No output shaft speed rise greater than 250 RPM in 2 seconds.

Conditions for Setting the DTC

The output shaft speed drops 1,500 RPM or more for 2 seconds.

Action Taken When the DTC Sets

    • The PCM illuminates the malfunction indicator lamp (MIL) during the second consecutive trip in which the Conditions for Setting the DTC are met.
    • The PCM freezes transmission adaptive functions.
    • The PCM calculates vehicle speed from the AT input shaft speed sensor for shift timing.
    • The PCM records the operating conditions when the Conditions for Setting the DTC are met. The PCM stores this information as Freeze Frame and Failure Records.
    • The PCM stores DTC P0503 in PCM history during the second consecutive trip in which the Conditions for Setting the DTC are met.

Conditions for Clearing the MIL/DTC

    • The PCM turns OFF the MIL during the third consecutive trip in which the diagnostic test runs and passes.
    • A scan tool can clear the MIL/DTC.
    • The PCM clears the DTC from PCM history if the vehicle completes 40 warm-up cycles without an emission-related diagnostic fault occurring.
    • The PCM cancels the DTC default actions when the ignition switch is OFF long enough in order to power down the PCM.

Test Description

The numbers below refer to the step numbers on the diagnostic table.

  1. This step tests the ability of the VSS to produce an AC voltage. This step also verifies the integrity of the wiring to the PCM.

  2. This step tests the VSS circuit for correct resistance.

Step

Action

Value(s)

Yes

No

1

Did you perform the Diagnostic System Check - Vehicle?

--

Go to Step 2

Go to Diagnostic System Check - Vehicle

2

  1. Install a scan tool.
  2. Turn ON the ignition switch with the engine OFF.
  3. Important: Before clearing the DTCs, use the scan tool in order to record the Freeze Frame and Failure Records for reference. Using the Clear DTC Information function will erase the stored Freeze Frame and Failure Records from the PCM.

  4. Record the Freeze Frame and Failure Records.
  5. Clear the DTCs.
  6. Notice: Support the lower control arms in the normal horizontal position in order to avoid damage to the drive axles. Do not operate the vehicle in gear with the wheels hanging down at full travel.

  7. Raise and support the drive wheels.
  8. Start and idle the engine.
  9. Place the transmission in DRIVE.
  10. Monitor Transmission OSS on the scan tool.
  11. With the drive wheels rotating, increase and decrease the throttle position.

Does the Transmission OSS RPM increase when wheel speed increases?

--

Go to Testing for Intermittent Conditions and Poor Connections

Go to Step 3

3

  1. Turn OFF the ignition.
  2. Disconnect the PCM connector C3.
  3. Using the J 35616 GM terminal test kit, connect the DMM between the VSS high signal and the VSS low signal circuits of the PCM harness connector.
  4. Select AC volts on the DMM.
  5. Turn ON the ignition with the engine OFF.
  6. Place the range selector in a DRIVE range or NEUTRAL.
  7. Rotate the right front drive wheel by hand, while observing the DMM display.

Does the voltage measure greater than the specified value?

0.4 volts AC

Go to Step 8

Go to Step 4

4

  1. Leave the DMM test leads connected between the VSS high signal and the VSS low signal circuits of the PCM harness connector.
  2. Select ohms on the DMM.
  3. Measure the resistance of the complete VSS circuit.

Is the circuit resistance within the specified range?

1650-3180 ohms

Go to Step 9

Go to Step 5

5

Is the circuit resistance greater than the specified value?

3180 ohms

Go to Step 11

Go to Step 6

6

  1. Leave the DMM test leads connected between the VSS high signal and the VSS low signal circuits of the PCM harness connector.
  2. Disconnect the VSS connector at the transmission.
  3. Test the high signal circuit and the low signal circuit of the VSS for a short together.
  4. Refer to Circuit Testing .

Are the signal and ground circuits shorted together?

--

Go to Step 7

Go to Step 14

7

Repair the short between the high signal circuit and the low signal circuit.

Refer to Wiring Repairs .

Did you complete the repair?

--

Go to Step 16

--

8

Test the high signal circuit of the VSS for a short to ground between the PCM and the VSS.

Refer to Testing for Short to Ground and Wiring Repairs .

Did you find and correct the condition?

--

Go to Step 16

Go to Step 15

9

  1. Reconnect the C3 PCM connector.
  2. Select DC volts on the DMM.
  3. Using the J 35616 connect the DMM between the VSS high signal and the VSS low signal circuits of the VSS vehicle harness.
  4. Turn ON the ignition with the engine OFF.

Does the DMM display greater than the specified voltage?

1.0 V

Go to Step 10

Go to Step 13

10

Repair the short to voltage in the VSS high signal circuit.

Refer to Wiring Repairs .

Did you complete the repair?

--

Go to Step 16

--

11

Test the high signal circuit of the VSS for an open between the PCM and the VSS.

Refer to Testing for Continuity and Wiring Repairs .

Did you find and correct the condition?

--

Go to Step 16

Go to Step 12

12

Test the low signal circuit of the VSS for an open between the PCM and the VSS.

Refer to Testing for Continuity and Wiring Repairs .

Did you find and correct the condition?

--

Go to Step 16

Go to Step 14

13

  1. Remove the VSS.
  2. Refer to Vehicle Speed Sensor Replacement .

  3. Inspect the VSS and the transmission for the following:
  4. • Incorrect VSS
    • VSS damage
    • Excessive runout in the final drive carrier assembly
    • Excessive VSS to speed sensor rotor gap
    • Incorrect speed sensor rotor alignment
    • Speed sensor rotor damage
  5. Repair any of the above items as necessary.

Refer to Differential Carrier Inspection .

Did you find and correct the condition?

--

Go to Step 16

Go to Step 14

14

Replace the VSS.

Refer to Vehicle Speed Sensor Replacement .

Did you complete the replacement?

--

Go to Step 16

--

15

Replace the PCM.

Refer to Control Module References for replacement, setup and programming.

Did you complete the replacement?

--

Go to Step 16

--

16

Perform the following procedure in order to verify the repair:

  1. Select DTC.
  2. Select Clear DTC Information.
  3. Drive the vehicle.
  4. Ensure that the transmission OSS is greater than 300 RPM and no drop in Transmission OSS greater than 250 RPM for at least 2 seconds.
  5. Select Specific DTC.
  6. Enter DTC P0503.

Has the test run and passed?

--

Go to Step 17

Go to Step 2

17

With a scan tool, observe the stored information, capture info and DTC info.

Does the scan tool display any DTCs that you have not diagnosed?

--

Go to Diagnostic Trouble Code (DTC) List - Vehicle

System OK