GM Service Manual Online
For 1990-2009 cars only

NEW VEHICLE INSPECTION RIVIERA CONVERTIBLE

MODELS AFFECTFD: 1983

NOTE: This Bulletin supersedes the original Bulletin 83-54, File Group 00, #3. Illustration has been added to reverse side. Please discard the original Bulletin.

The Buick Riviera Convertible has been enthusiastically accepted by many discriminating luxury car buyers. One of the important keys to this acceptance is the customer's first experience with his new convertible. Quality appearance and fine performance initially as accomplished by your dealership following the new NVI & Delivery Program will lead to overall customer satisfaction with his purchase. The purpose of this bulletin is to offer some additional information that may be helpful to you during new car preparation.

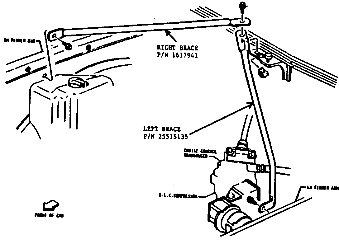
The fact that the steel top is no longer included as a structural component makes it necessary to add specific quarter to floor and cowl to fender bracing. In addition certain areas of the body have increased metal thickness. Special door wedge plates at door to quarter locations are installed along with specific body mounts and shims. These changes help maintain body integrity and good roadability characteristics.

During your pre-delivery roadtest, should you encounter vibration, shake or handling characteristics, be sure to carefully check the following:

1. Check for orbital steering. This condition is most noticeable at highway speeds. A slight wave or dip can send the front suspension in a rotary motion that continues for some time following the dip. The cause is incorrect steering linkage parallelism adjustment. Correct by referring to your 1983 Service Manual, page 3B5-4.

2. Check tire and wheel run-out.

3. Check tire balance.

4. Check trim height adjustment (Can cause "shudder" condition).

5. Check for cowl to fender braces. Some early 1982 models were produced without these braces. For part number see attached illustration.

6. Check door-to-pillar wedge plate contact. Wedge plates should just contact with vehlcle unloaded.

7. Check torque on body mounts, should be 70 Nm (52 ft. lbs.). Body mounts for the #2, #3 and #4 locations are specific for the convertible. Part number 330951, color orange.


Object Number: 82508  Size: FS

General Motors bulletins are intended for use by professional technicians, not a "do-it-yourselfer". They are written to inform those technicians of conditions that may occur on some vehicles, or to provide information that could assist in the proper service of a vehicle. Properly trained technicians have the equipment, tools, safety instructions and know-how to do a job properly and safely. If a condition is described, do not assume that the bulletin applies to your vehicle, or that your vehicle will have that condition. See a General Motors dealer servicing your brand of General Motors vehicle for information on whether your vehicle may benefit from the information.