GM Service Manual Online
For 1990-2009 cars only

CAMPAIGN:POWER STEERING PUMP HOSE ASSEMBLY

MODELS AFFECTED: 1986 AND 1987 RIVIERA

The National Traffic and Motor Vehicle Safety Act, as amended, provides that each vehicle which is subject to a recall campaign of this type must be adequately repaired within a reasonable time after the owner has tendered it for repair. A failure to repair within sixty (60) days after tender of a vehicle is prima facie evidence of failure to repair within a reasonable time.

If the condition is not adequately repaired within a reasonable time, the owner may be entitled to an identical or reasonably equivalent vehicle at no charge or to a refund of the purchase price, less a reasonable allowance for depreciation.

To avoid having to provide these burdensome solutions, every effort must be made to promptly schedule an appointment with each owner and to repair their vehicle as soon as possible. As you will see in reading the attached copy of the letter that is being sent to owners, the owners are being instructed to contact the Buick Customer Assistance Center if their dealer does not remedy the condition within five (5) days of the mutually agreed upon service date. If the condition is not remedied within a reasonable time, they are instructed on how to contact the National Highway Traffic Safety Administration.

CONDITION

General Motors has detemined that a defect which relates to motor vehicle safety exists in some 1986 and 1987 Buick Riviera models. These vehicles may have insufficient clearance between the power steering pump pressure hose assembly and the transmision governor/speed sensor connector. This condition could cause abrasion of the power steering pump pressure hose assembly and result in a fluid leak. The location of the leak near the exhaust manifold, combined with the high pressure of the fluid, could result in an underhood fire without prior warning.

DEALER ACTION

To prevent the possibility of this condition occurring on vehicles involved, dealers are to replace the power steering pump pressure hose assembly, per the TECHNICAL PROCEDURE of this bulletin.

VEHICLES INVOLVED

Involved are certain 1986 and 1987 Riviera Model vehicles assembled at the Hamtramck plant, within the following VIN breakpoints:

MODEL YEAR FROM THROUGH AND INCLUDING ---------- ---- --------------------- 1986 GU4W0001 GU422144 1987 HU400001 HU415226

DEALER CAMPAIGN RESPONSIBILITY

Dealers are to service all vehicles subject to this campaign at no charge to owners, regardless of mileage, age of vehicle, or ownership, from this time forward.

Whenever a vehicle subject to this campaign is taken into your new or used vehicle inventory, or it is in your dealership for service in the future, you should take the steps necessary to be sure the campaign correction has been made before reselling or releasing the vehicle.

Owners of vehicles recently sold from your new vehicle inventory are to be contacted by the dealer, and arrangements made to make the required modification according to instructions contained in this bulletin.

DEALER MATERIAL

If your dealership has vehicles involved in this campaign, you will receive the following items:

o List of all vehicles involved in this campaign shipped to your dealership.

o One (1) Campaign Identification Label per vehicle involved.

Involved vehicles have been identified by Vehicle Identification Number computer listings. Cumputer listings contain the complete vehicle identification number, owner name and address data, and are furnished to the involved dealers with the campaign bulletin. Owner name and address data will enable dealers to follow-up with owners involved in this campaign.

These computer listings may contain owner names and addresses obtained from State Motor Vehicle Registration Records. The use of such motor vehicle registration data for any other purpose is a violation of law in several states. Accordingly, you are urged to limit the use of this listing to the follow-up necessary to complete this campaign.

OWNER NOTIFICATION

Owners of vehicles involved in this campaign will be notified by Buick Motor Division (See copy of owner letter included with this bulletin).

CHANGE OF OWNER INFORMATION

Dealers are to use the Dealer Communication System (DCS) to provide Buick Motor Division with subsequent Buick owner information. By reporting a change of owner name or address of a vehicle in campaign status over the DCS, the need to send a CVAR FORM FOR THAT VEHICLE IS ELIMINATED. Terminal input instructions are covered in the DCS Manual under Section 9, Page 9-J01A and B.

PARTS INFORMATION

The parts required to complete this campaign are to be obtained from General Motors Service Parts Operations (GMSPO). To ensure these parts will be obtained as soon as possibly, they should be ordered from GMSPO on a C.I.O. order with NO special instruction code, but on an advise code (2).

PART NUMBER USAGE DESCRIPTION QUANTITY/VEHICLE ----------- ----- ----------- ---------------- 26013680 86-87 Riviera Power Steering Pressure Hose 1 Assembly (Hose Power Steering Gear Inlet)

TECHNICAL PROCEDURE

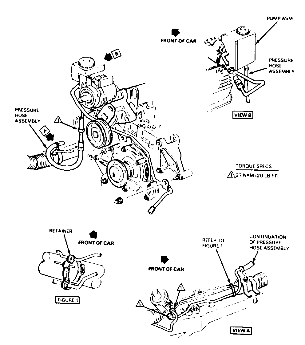
1. Open hood, cover right front fender, and disconnect negative battery cable.

2. Raise vehicle on hoist, remove heat shield and pipe retainer, disconnect power steering pressure hose at gear. See Illustration.

3. Lower vehicle, remove belt from power steering pump pulley and disconnect power steering pump pressure hose assembly at pump.

NOTICE: On some vehicles, it may be necessary to disconnect the return hose at the pump, remove the pump and pressure hose assembly from the vehicle, drain fluid from the pump, and mount the pump upside down in a vise (with the hose assembly up to prevent spring and flow control valve from falling out if union fitting on pump loosens). Spin off the pressure hose assembly.

The torque on the union at the pump should be checked for 75 N.m (55 lbs. ft.) if this method is used. To torque the union, the power steering pump pulley must first be backed off about 19 mm (3/4 inch with tool J 25034-B to allow socket access to the union hex. Reposition the pulley using tool J 25033-B.

4. Reverse steps (2) and (3) to install new power steering pressure hose assembly, Part Number 26013680. See Illustration for torques and routing information. Connect negative battery cable.

5. Fill and bleed power steering system, following procedure outlined below:

a. Raise the front of vehicle until the front wheels are off the ground.

b. Make sure power steering reservoir is filled with power steering fluid to the proper level and maintain level during Steps c and d.

c. With the engine turned off (not running), slowly turn the steering wheel from lock to lock.

d. Have an observer watch the fluid in the reservoir as the steering wheel is being turned. Continue turning steering wheel until air bubbles are no longer seen rising from the fluid.

6. Check system for leaks and prover operation.

7. Install a Campaign Identification Label.

8. Remove fender cover and close hood.

CAMPAIGN IDENTIFICATION LABEL

Each label provides a space to include the CAMPAIGN NUMBER, the five (5) digit dealer code of the dealer performing the campaign service, and the date vehicle was campaigned. This information may be inserted with a typewriter or ballpoint pen. When installing label, clean the surface of the radiator support, and apply the campaign label where it is readily visible.

DISPOSITION OF PARTS

Replaced parts must be held for disposition by Buick Zone or Branch contact personnel. Parts must have a claim tag attached showing the repair order and the VIN of the vehicle from which they were removed.

WARRANTY INFORMATION

SUBLET PART FAILED PART FAILLIRE LABOR LABOR OTHER DEALER OPER COUNT PART NO ALLOWANCE COOE OP NO HOURS HOURS MTL TWG ---- ----- ------- --------- ---- ----- ----- ----- -------

- Replace Power Steering Pump Pressure Hose Assembly

1 26013680 ** 96 V4690 .8 *.1 ***$5.15

* Dealer Administrative Allowance. ** List Current Dealer Price of Part, Plus 30%. *** Allowance for Power Steering Fluid, Part Number 1050017.

Dear Buick Owner:

This notice is sent to you in accordance with the requirements of the National Traffic and Motor Vehicle Safety Act.

REASON FOR THIS RECALL

General Motors has detemined that a defect which relates to motor vehicle safety exists in some 1986 and 1987 Buick Riviera models. These vehicles may have insufficient clearance between the power steering pump pressure hose assembly and the transmission governor speed sensor connector. This condition could cause abrasion of the power steering pump pressure hose assembly and result in a fluid leak. The location of the leak near the exhaust manifold, combined with the high pressure of the fluid, could result in an underhood fire without prior warning.

WHAT WE WILL DO

To prevent the possibility of this condition occurring on your vehicle, your Buick dealer will replace the Power Steering Pump Pressure Hose Assembly. This service will be completed at no charge to you.

WHAT YOU SHOULD DO

Please contact your Buick dealer as soon as possible to arrange a service date.

If you notice a power steering fluid leak on your vehicle, contact your Buick dealer immediately. Please be advised that the loss of fluid would also result in the loss of power steering assist.

Instructions have been sent to your Buick dealer. It is estimated that parts will be available July 5, 1988. The labor time to replace the hose is approximately fifty (50) minutes. Please ask your dealer if you wish to know how much additional time will be needed to process your vehicle.

Your Buick dealer is best equipped to obtain parts and provide service to ensure your vehicle is corrected as promptly as possible. However, if you take your vehicle to your dealer on the agreed service date, and he does not remedy this condition on that date, or within five (5) days, we recommend you contact the Buick Customer Assistance Center, Flint Home Office, by calling 1-800-521-7300.

After contacting your dealer and the Buick Home Office, if you are still not satisfied that we have done our best to remedy this condition, without charge within a reasonable time, you may wish to write the Administrator, National Highway Traffic Safety Administration, 400 Seventh Street, S.W. Washington, DC, 20590, or call 1-800-424-9393 (Washington, DC residents use 366-0123).

The enclosed Owner Reply Card identifies your vehicle. Presentation of the card to your dealer will assist in making the correction in the shortest possible time. If you have sold or traded your vehicle, please let us know by completing the postage-paid Owner Reply Card and returning it to us.

We are sorry to cause you this inconvenience; however, we have taken this action in the interest of your safety, and continued satisfaction with our products.

Buick Motor Division GENERAL MOTORS CORPORATION


Object Number: 87235  Size: FS


Object Number: 88647  Size: SF

General Motors bulletins are intended for use by professional technicians, not a "do-it-yourselfer". They are written to inform those technicians of conditions that may occur on some vehicles, or to provide information that could assist in the proper service of a vehicle. Properly trained technicians have the equipment, tools, safety instructions and know-how to do a job properly and safely. If a condition is described, do not assume that the bulletin applies to your vehicle, or that your vehicle will have that condition. See a General Motors dealer servicing your brand of General Motors vehicle for information on whether your vehicle may benefit from the information.