GM Service Manual Online
For 1990-2009 cars only
Makes
🢒
Buick
🢒
1996
🢒
Riviera
🢒 Cooling Fans
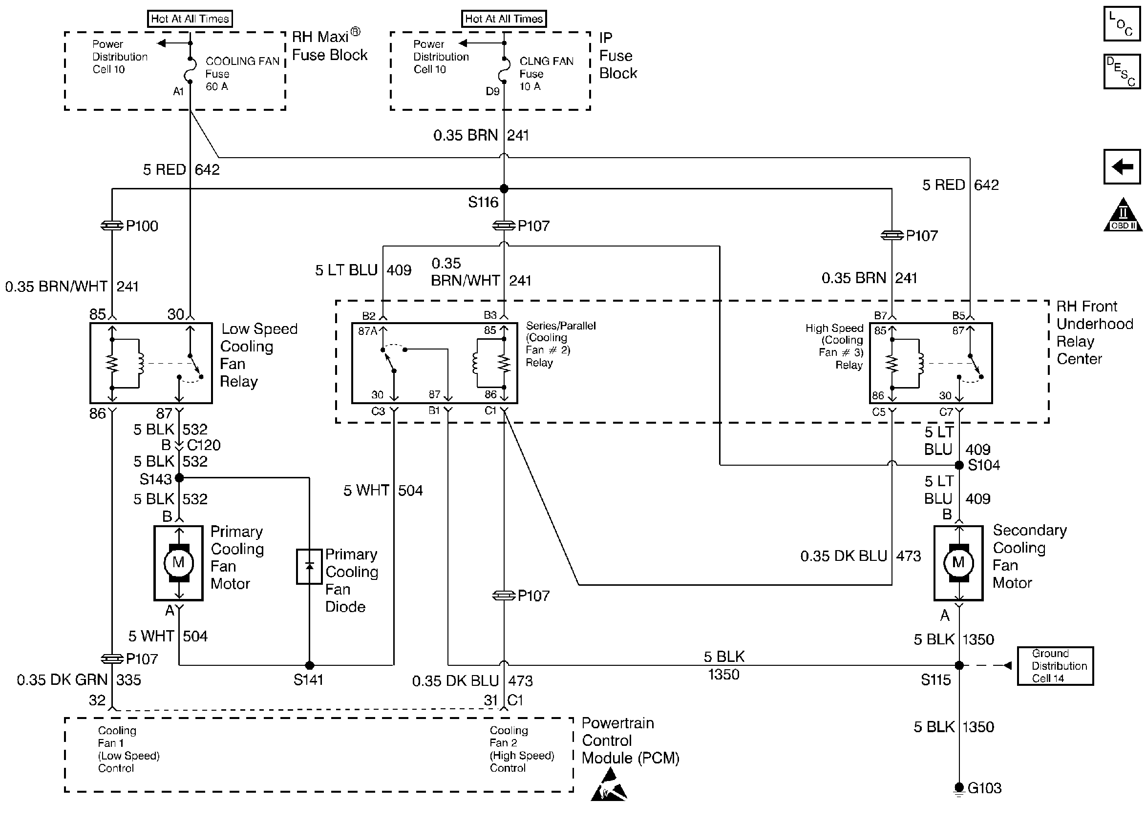
Cooling Fans
Cooling Fans
Engine Controls Components
Electric Cooling Fan
Mil Control, Data Link Connector
OBD II Symbol Description Notice
Handling ESD Sensitive Parts Notice