GM Service Manual Online
For 1990-2009 cars only
Makes
🢒
Buick
🢒
1997
🢒
Riviera
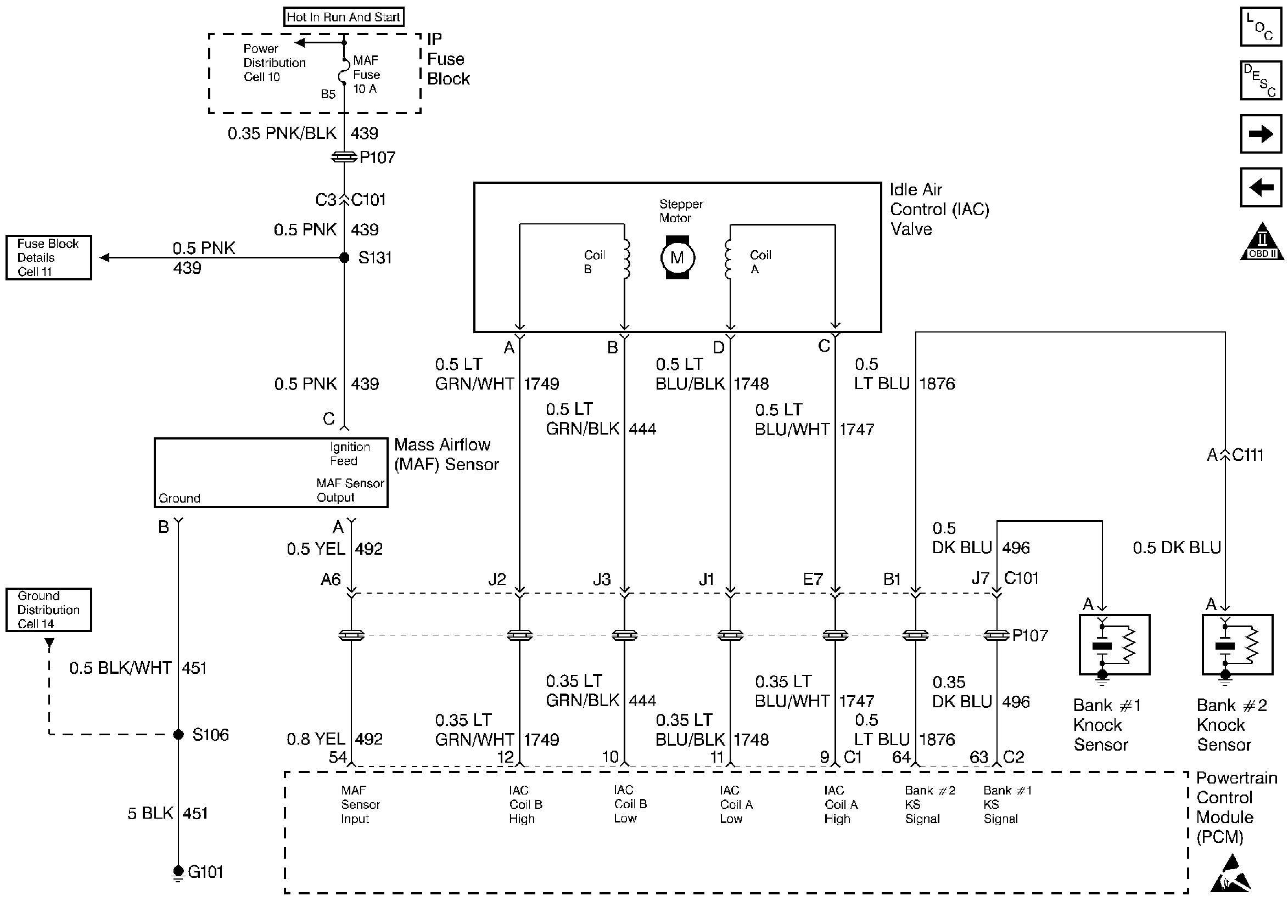
🢒 Idle Air Control Valve, MAF Sensor, Knock Sensors
Idle Air Control Valve, MAF Sensor, Knock Sensors
Idle Air Control Valve, MAF Sensor, Knock Sensors
Engine Controls Components
Information Sensors
EVAP System, EGR Valve
5 Volt Reference A
OBD II Symbol Description Notice
Handling ESD Sensitive Parts Notice