GM Service Manual Online
For 1990-2009 cars only
Makes
🢒
Buick
🢒
1997
🢒
Riviera
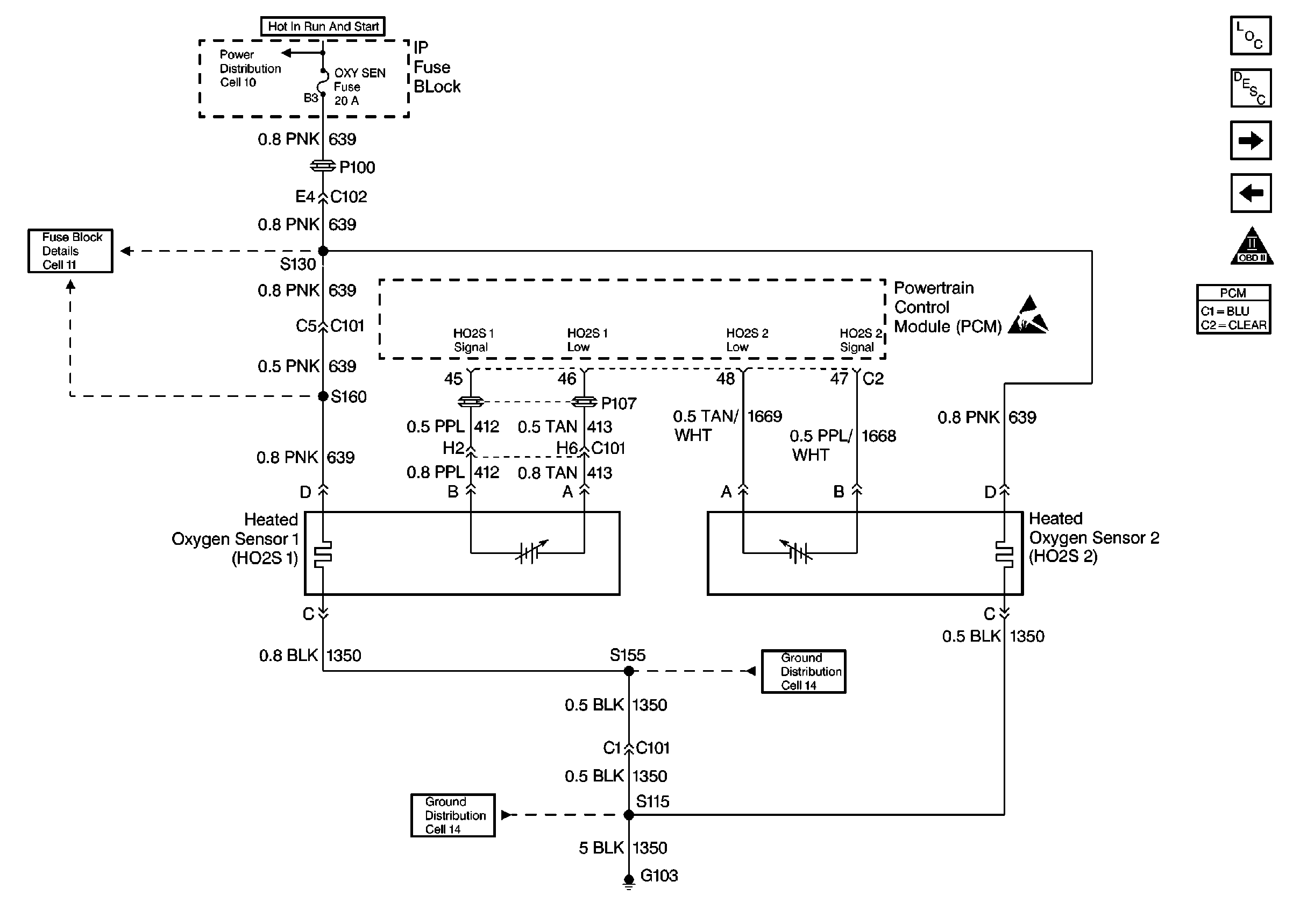
🢒 PCM HO2S 1 and HO2S 2 VIN 1 and K
PCM HO2S 1 and HO2S 2 VIN 1 and K
PCM HO2S 1 and HO2S 2 VIN 1 and K
Engine Controls Components
Information Sensors
PCM Cruise Control Module and VSS VIN 1 and K
PCM MAF, IAC, Bank #1 KS, and Bank #2 KS VIN 1 and K
OBD II Symbol Description Notice
Handling ESD Sensitive Parts Notice
Engine Controls Schematic References
Engine Controls Schematic References
Engine Controls Schematic References
Engine Controls Schematic References