GM Service Manual Online
For 1990-2009 cars only

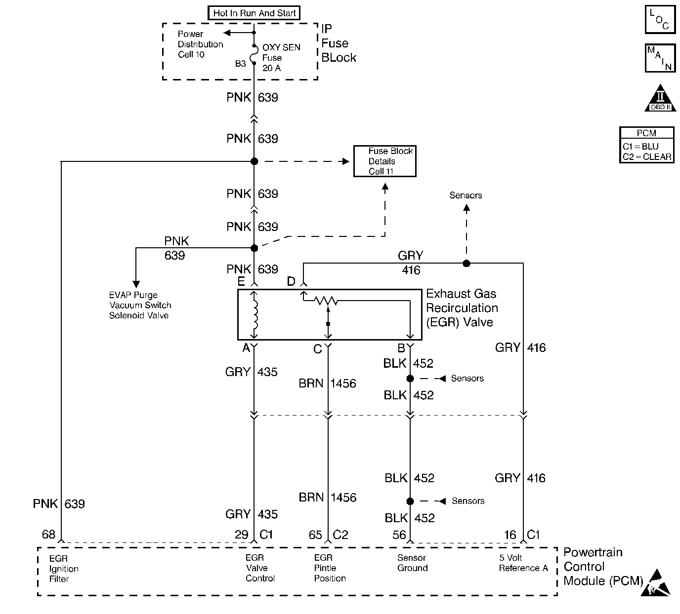
Object Number: 12285  Size: LF
Engine Controls Components
PCM EVAP and EGR VIN 1 and K
OBD II Symbol Description Notice
Handling ESD Sensitive Parts Notice

Circuit Description

The PCM monitors the EGR valve pintle position input to ensure that the valve responds properly to commands from the PCM and to detect a malfunction if the pintle position sensor and control circuits are open or shorted. If the PCM detects a pintle position signal voltage outside the normal range of the pintle position sensor, or a signal voltage that is not within a tolerance considered acceptable for proper EGR system operation, the PCM will set DTC P1406.

Conditions for Setting the DTC

    • Ignition 1 voltage is greater than 10 volts.
    • EGR Feedback is less than 0.14 volt at any time.

OR

    • EGR Feedback is 0.4 volt greater or less than the EGR Closed Valve Pintle Position when the Desired EGR Position is commanded to 0%.

OR

    • Actual EGR Position is 20% greater or less than the Desired EGR Position.
    • Any of the above conditions are present for longer than 20 seconds.

Action Taken When the DTC Sets

    • The PCM will illuminate the malfunction indicator lamp (MIL) during the second consecutive trip in which the diagnostic test has been run and failed.
    • The PCM will store conditions which were present when the DTC set as Freeze Frame and Failure Records data.

Conditions for Clearing the MIL/DTC

    • The PCM will turn OFF the MIL during the third consecutive trip in which the diagnostic has been run and passed.
    • The History DTC will clear after 40 consecutive warm-up cycles have occurred without a malfunction.
    • The DTC can be cleared by using the scan tool.

Diagnostic Aids

Check for the following conditions:

    • Open EGR ignition filter circuit.
        An open in the EGR ignition filter circuit will cause erratic EGR Position Error readings while the EGR valve is operating. With the ignition ON, a test light should illuminate when connected between ground and the EGR ignition filter circuit at the PCM connector. If not, locate and repair the open in the EGR ignition filter circuit.
    • Excessive deposits on EGR valve pintle or seat.
        Remove the EGR valve and check for deposits that may interfere with the EGR valve pintle extending completely or cause the pintle to stick.
    • Poor connection or damaged harness.
        Inspect the wiring harness for damage. If the harness appears to be OK, observe the Actual EGR position display on the scan tool while moving connectors and wiring harnesses related to the EGR valve. A change in the display will indicate the location of the malfunction.
    • EGR Valve Icing.
        EGR valve icing can occur during cold ambient conditions. An EGR valve icing condition will affect EGR system operation by causing the pintle to stick in the closed position. If DTC P1406 sets, EGR system operation may be inhibited for the remainder of the trip.

Reviewing the Fail Records vehicle mileage since the diagnostic test last failed may help determine how often the condition that caused the DTC to be set

Test Description

Number(s) below refer to the step number(s) on the Diagnostic Table:

  1. Verifies that the malfunction is present.

  2. The PCM contains a recirculation diode which filters the EGR ignition feed for the EGR valve. The recirculation diode is connected to the ignition filter (EGR ignition feed) circuit. If the ignition filter circuit is open, EGR actual position may be erratic when compared to EGR desired position. An open in the EGR ignition filter circuit will cause DTC P1406 to be set after an extended period of time.

  3. If DTC P1406 will only set under certain conditions, the malfunction may be intermittent; refer to DTC P1406 Diagnostic Aids. If an intermittent wiring problem is not present, check for a poor connection at the PCM or the EGR valve. If the connections are OK and DTC P1406 continues to set, replace the EGR valve. Refer to Exhaust Gas Recirculation Valve Replacement .

  4. This vehicle is equipped with a PCM which utilizes an Electrically Erasable Programmable Read Only Memory (EEPROM). When the PCM is being replaced, the new PCM must be programmed.

DTC P1406 - EGR Valve Pintle Position Circuit

Step

Action

Value(s)

Yes

No

1

Was the Powertrain On-Board Diagnostic (OBD) System Check performed?

--

Go to Step 2

Go to the Powertrain On Board Diagnostic (OBD) System Check

2

With the engine idling, observe the Actual EGR Position display on the scan tool.

Is Actual EGR Position at the specified value?

0%

Go to Step 3

Go to Step 11

3

  1. Turn ON the ignition switch.
  2. Select the scan tool EGR valve output control function.
  3. Increment the EGR valve through the 10% through 100% positions while comparing Desired EGR Position to Actual EGR Position.

Does Desired EGR Position remain close to Actual EGR Position at all commanded positions?

--

Go to Step 4

Go to Step 6

4

  1. Turn OFF the ignition switch.
  2. Disconnect the PCM harness connectors.
  3. Turn ON the ignition switch.
  4. Probe the EGR ignition filter circuit at the PCM connector with a test light to ground.

Is the test light ON?

--

Go to Step 5

Go to Step 33

5

  1. Turn OFF the ignition switch.
  2. Connect the PCM harness connectors.
  3. Turn ON the ignition switch.
  4. Review and record scan tool Fail Records data.
  5. Operate the vehicle within Fail Records conditions.
  6. Using a scan tool, monitor Specific DTC info for DTC P1406 until the DTC P1406 test runs.

Does the scan tool indicate DTC P1406 failed this ign?

--

Go to Step 22

Refer to Diagnostic Aids

6

  1. Disconnect the EGR valve electrical connector.
  2. Connect a J 39200 Digital Multimeter to measure voltage between the EGR valve ignition feed circuit and the EGR control circuit at the EGR valve harness connector.
  3. Command the EGR to the 100% position with the scan tool while observing the voltage reading on the digital multimeter.

Does the voltage measure near the specified value with the commanded EGR position at 100%?

B+

Go to Step 17

Go to Step 7

7

Probe the EGR valve ignition feed circuit with a test light to ground.

Is the test light ON?

--

Go to Step 9

Go to Step 8

8

  1. Check the fuse for the EGR valve ignition feed circuit.
  2. If the fuse is blown, locate and repair the short to ground in the ignition feed circuit. Refer to Fuse Block Details in Electrical Diagnosis.

Was the fuse blown?

--

Go to Step 34

Go to Step 24

9

  1. Turn OFF the ignition switch.
  2. Disconnect the PCM.
  3. Turn ON the ignition switch.
  4. Check the EGR control circuit for an open or a short to voltage.
  5. If a problem is found, repair as necessary. Refer to Repair Procedures in Electrical Diagnosis.

Was a problem found?

--

Go to Step 34

Go to Step 10

10

  1. Check the EGR control circuit for a poor terminal connection at the PCM.
  2. If a problem is found, repair as necessary. Refer to Repair Procedures in Electrical Diagnosis.

Was a problem found?

--

Go to Step 34

Go to Step 32

11

  1. Disconnect the EGR valve electrical connector.
  2. Observe the Actual EGR Position value on the scan tool.

Is Actual EGR Position at the specified value?

0%

Go to Step 13

Go to Step 12

12

  1. Turn OFF the ignition switch.
  2. Disconnect the PCM.
  3. Turn ON the ignition switch.
  4. Measure voltage between the EGR pintle position circuit and ground.

Is the measured voltage near the specified value?

0V

Go to Step 31

Go to Step 26

13

Probe the sensor ground circuit at the EGR valve harness connector with a test light to B+.

Is the test light ON?

--

Go to Step 15

Go to Step 14

14

  1. Check for the following conditions:
  2. • Poor sensor ground circuit terminal connection at the PCM.
    • Open sensor ground circuit between the PCM and the EGR valve.
  3. If a problem is found, repair as necessary. Refer to Repair Procedures in Electrical Diagnosis.

Was a problem found?

--

Go to Step 34

Go to Step 32

15

Probe the EGR control circuit at the EGR valve connector with a test light to B+.

Is the test light ON?

--

Go to Step 16

Go to Step 22

16

  1. Turn OFF the ignition switch.
  2. Disconnect the PCM.
  3. Turn ON the ignition switch.
  4. Probe the EGR control circuit with a test light to B+.

Is the test light ON?

--

Go to Step 28

Go to Step 30

17

Connect a digital multimeter to measure voltage between the EGR valve sensor ground circuit and the 5 volt reference A circuit at the EGR valve connector.

Is the voltage at the specified value?

5V

Go to Step 18

Go to Step 23

18

Probe the pintle position circuit at the EGR valve harness connector with a test light connected to B+.

Is the test light ON?

--

Go to Step 21

Go to Step 19

19

  1. Connect a jumper between the 5 volt reference A circuit and the pintle position circuit at the EGR valve connector.
  2. Observe Actual EGR Position on the scan tool.

Is Actual EGR Position at the specified value?

100%

Go to Step 22

Go to Step 20

20

  1. Turn OFF the ignition switch.
  2. Disconnect the PCM.
  3. Check for the following conditions:
  4. • The pintle position circuit for an open.
    • The pintle position circuit for a poor terminal connection at the PCM.
  5. If a problem is found, repair open in pintle position circuit or replace the loose PCM terminal(s) as necessary. Refer to Repair Procedures in Electrical Diagnosis.

Was a problem found?

--

Go to Step 34

Go to Step 32

21

  1. Turn OFF the ignition switch.
  2. Disconnect the PCM.
  3. Probe the EGR pintle position circuit with a test light to B+.

Is the test light ON?

--

Go to Step 29

Go to Step 30

22

  1. Check for poor terminal connections at the EGR valve.
  2. If a problem is found, repair as necessary. Refer to Repair Procedures in Electrical Diagnosis.

Was a problem found?

--

Go to Step 34

Go to Step 27

23

  1. Check for an open or short to ground in the 5 volt reference A circuit.
  2. If a problem is found, repair as necessary. Refer to Repair Procedures in Electrical Diagnosis.

Was a problem found?

--

Go to Step 34

Go to Step 25

24

Locate and repair the open in the ignition feed circuit to the EGR valve. Refer to Repair Procedures in Electrical Diagnosis.

Is action complete?

--

Go to Step 34

--

25

  1. Check the 5 volt reference A circuit for a poor terminal connection at the PCM.
  2. If a problem is found, repair as necessary. Refer to Repair Procedures in Electrical Diagnosis.

Was a problem found?

--

Go to Step 34

Go to Step 32

26

Locate and repair the short to voltage in the pintle position circuit. Refer to Repair Procedures in Electrical Diagnosis.

s action complete?

--

Go to Step 34

--

27

Replace the EGR valve. Refer to Exhaust Gas Recirculation Valve Replacement .

Notice: If the EGR valve shows signs of excessive heat, inspect the exhaust system for blockage--possibly a plugged converter--using the procedure found on the Restricted Exhaust System Check. If the exhaust system is restricted, repair the cause. Inspect for an open injector caused by one or more of the following conditions:

   • Stuck
   • Grounded driver circuit
   • Possible faulty control module
If one of the above conditions is found, inspect the oil for possible fuel contamination.

Is action complete?

--

Go to Step 34

--

28

Locate and repair the short to ground in the EGR control circuit. Refer to Repair Procedures in Electrical Diagnosis.

Is action complete?

--

Go to Step 34

--

29

Locate and correct the short to ground in the pintle position circuit. Refer to Repair Procedures in Electrical Diagnosis.

Is action complete?

--

Go to Step 34

--

30

  1. Check for the following conditions:
  2. • The EGR pintle position circuit for a short to the sensor ground circuit.
    • The EGR control circuit for a short to the sensor ground circuit.
  3. If a problem is found, repair as necessary. Refer to Repair Procedures in Electrical Diagnosis.

Was a problem found?

--

Go to Step 34

Go to Step 32

31

  1. Check the EGR pintle position circuit for a short to the 5 volt reference circuit.
  2. If a problem is found, repair as necessary. Refer to Repair Procedures in Electrical Diagnosis.

Was a problem found?

--

Go to Step 34

Go to Step 32

32

Replace the PCM.

Important:: The replacement PCM must be programmed. Refer to Powertrain Control Module Replacement/Programming .

Is action complete?

--

Go to Step 34

--

33

Locate and repair open in the EGR ignition filter circuit to the PCM. Refer to Repair Procedures in Electrical Diagnosis.

Is action complete?

--

Go to Step 34

--

34

  1. Review and record scan tool Fail Records data.
  2. Clear DTCs.
  3. Operate the vehicle within Fail Records conditions.
  4. Using a scan tool, monitor Specific DTC info for DTC P1406 until the DTC P1406 test runs.

Does the scan tool indicate DTC P1406 failed this ignition?

--

Go to Step 2

System OK