GM Service Manual Online
For 1990-2009 cars only

Engine Controls Component Views VIN 1

Figure 1:

VIN 1 Front


Object Number: 215555  Size: LF
(1)MAF Sensor
(2)IAC Valve
(3)TP Sensor
(4)ECT Sensor
(5)Boost Control Solenoid
(6)Fuel Injector
(7)Fuel Pressure Test Connector
(8)Fuel Injector Harness Connector
(9)Oil Level Switch/Sensor
(10)18X Crankshaft Sensor
(11)Camshaft Sensor (Behind Water Pump Pulley)
(12)Ignition Control Module and Coils
(13)Fuel Pressure Regulator
(14)Boost Control Actuator
Figure 2:

VIN 1 Rear


Object Number: 215563  Size: LF
(1)PCV Valve
(2)MAP Sensor
(3)HO2S1
(4)Oil Pressure Switch/Sensor
Figure 3:

Throttle Position (TP) Sensor Idle Air Control (IAC) Valve Mass Air Flow (MAF) Sensor


Object Number: 394432  Size: MF
(1)Mass Air Flow Sensor
(2)Idle Air Control Valve
(3)Throttle Position Sensor
(4)Boost Control Solenoid
(5)Bypass Valve Actuator
Figure 4:

VIN 1 TP Sensor, ECT Sensor


Object Number: 215942  Size: MF
(1)TP Sensor
(2)ECT Sensor
Figure 5:

Boost Control Solenoid, Ignition Coils, and Bypass Valve Actuator


Object Number: 394385  Size: MF
(1)Boost Control Solenoid
(2)Ignition Coils
(4)Bypass Valve Actuator
Figure 6:

VIN 1 Cam Sensor


Object Number: 189375  Size: MF
(1)Cam Sensor
Figure 7:

MAP Sensor, EGR Valve, and PCV Valve


Object Number: 394439  Size: MF
(1)MAP Sensor
(2)EGR Valve
(3)PCV Valve (Hidden)
(4)PCV Valve Cover
Figure 8:

VIN 1 EVAP Canister Purge Valve, MAP Sensor, EGR Valve, PCV Valve


Object Number: 394441  Size: MF
(1)EVAP Canister Purge Valve
(2)MAP Sensor
(3)EGR Valve
(4)PCV Valve (Hidden)
Figure 9:

VIN 1 Fuel Injector Connector, Heated Oxygen Sensor 1 (HO2S1), EGR Valve


Object Number: 185434  Size: MF
(1)Fuel Injector Connectors
(2)Heated Oxygen Sensor 1 (HO2S1)
(3)EGR Valve
Figure 10:

VIN 1 Cam Sensor, Oil Pressure Sensor, VSS Sensor


Object Number: 189628  Size: MF
(1)Cam Sensor
(2)Oil Pressure Switch/Sensor
(3)VSS Sensor
Figure 11:

EVAP Vent Valve


Object Number: 342059  Size: SF
(1)Retainer
(2)Fresh Air Line
(3)Bolt
(4)Evap Vent Valve Solenoid
(5)Evap Vent Valve Electrical Connector
Figure 12:

Knock Sensor 1


Object Number: 389111  Size: SH
(1)Knock Sensor 1
(2)Knock Sensor 1 Electrical Connector
Figure 13:

Knock Sensor 2


Object Number: 394453  Size: MF
(1)Knock Sensor 2 Heat Shield
(2)Knock Sensor 2 Heat Shield Bolts
(3)Knock Sensor 2 Electrical Connector
(4)Knock Sensor 2
Figure 14:

HO2S 1


Object Number: 394558  Size: MF
(1)HO2S 1 Bracket
(2)HO2S 1
(3)Electrical Harness
(4)HO2S 1 Electrical Connector
Figure 15:

HO2S 2


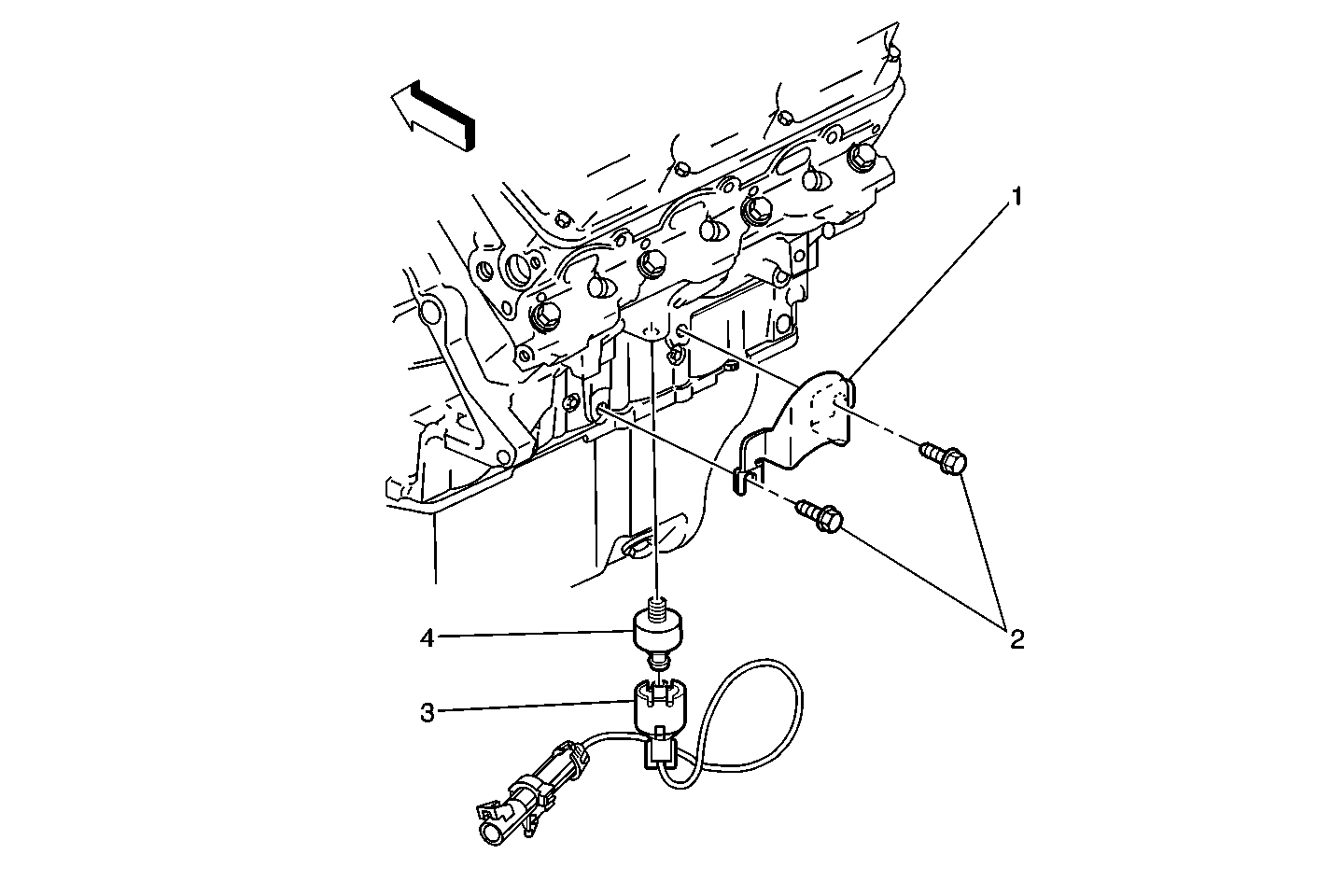
Object Number: 394561  Size: MF
(1)Electrical Connector
(2)HO2S 2 Heat Shield
(3)HO2S 2
(4)HO2S 2 Electrical Connector
Figure 16:

Powertrain Control Module (PCM)


Object Number: 394565  Size: SF
(1)Powertrain Control Module (PCM) Electrical Connectors
(2)PCM
(3)Bracket
Figure 17:

IAT Sensor


Object Number: 394438  Size: MF
(1)Air Cleaner Assembly
(2)IAT Sensor
(3)Intake Air Duct
Figure 18:

Fuel Tank Pressure Sensor


Object Number: 342178  Size: SF
(1)Fuel Sender Access Panel
(2)Modular Fuel Sender Assembly
(3)Fuel Tank Pressure Sensor