GM Service Manual Online
For 1990-2009 cars only

Removal Procedure

Tools Required

    • J 34730 Fuel Pressure Gauge
    •  J 37088-A Fuel Line Quick-Connect Tools

Caution: In order to Reduce the Risk of Fire and Personal Injury:

   • If nylon fuel pipes are nicked, scratched or damaged during installation, Do Not attempt to repair the sections of the nylon fuel pipes. Replace them.
   • When installing new fuel pipes, Do Not hammer directly on the fuel harness body clips as it may damage the nylon pipes resulting in a possible fuel leak.
   • Always cover nylon vapor pipes with a wet towel before using a torch near them. Also, never expose the vehicle to temperatures higher than 115°C (239°F) for more than one hour, or more than 90°C (194°F) for any extended period.
   • Before connecting fuel pipe fittings, always apply a few drops of clean engine oil to the male pipe ends. This will ensure proper reconnection and prevent a possible fuel leak. (During normal operation, the O-rings located in the female connector will swell and may prevent proper reconnection if not lubricated.)

Notice: Do not attempt to straighten any kinked nylon fuel lines. Replace any kinked nylon fuel feed or return pipes in order to prevent damage to the vehicle.

Notice: Replace the EVAP pipes and hoses with the original equipment or parts that meet the GM specifications for those parts. The replacement EVAP pipe must have the same type of fittings as the original pipe in order to ensure the integrity of the connection. When replacing EVAP hoses, use only reinforced fuel-resistant hose identified with the word Fluoroelastomer or GM 6163-M on the hose. The inside hose diameter must match the outside pipe diameter. Do not use rubber hose within 100 mm (4 in) of any part of the exhaust system or within 254 mm (10 in) of the catalytic converter.

Notice: Cap the fittings and plug the holes when servicing the fuel system in order to prevent dirt and other contaminants from entering the open pipes and passages.


    Object Number: 13858  Size: SH
  1. Relieve the fuel system fuel pressure. Refer to the Fuel Pressure Relief .
  2. Clean all engine fuel pipe connections and areas surrounding the engine fuel pipe connections before disconnecting the engine fuel pipe connections to avoid possible contamination of the fuel system.
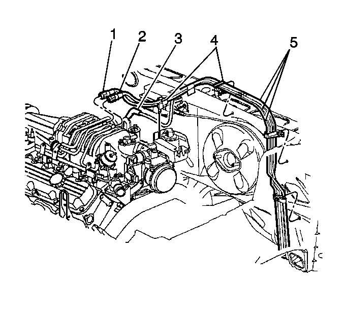
  3. Remove the fuel feed (2) and fuel return (1) quick-connect fittings in the engine compartment. Refer to Plastic Collar Quick Connect Fitting Service .

  4. Object Number: 65986  Size: SH
  5. Raise the vehicle.
  6. Remove the quick-connect fitting on the engine-side of the in-line fuel filter fuel return pipe. Refer to Metal Collar Quick Connect Fitting Service .
  7. Remove the threaded fitting on the engine-side of the in-line fuel filter fuel feed pipe.
  8. Cap the in-line fuel filter pipe, the fuel feed pipe, and the fuel return pipe as needed to stop any fuel leakage.
  9. Remove the fuel feed, fuel return, EVAP pipe attaching hardware, and the fuel feed, fuel return, and EVAP (fuel purge) pipes.
  10. Note the position of the fuel and EVAP pipes, retainers, and the fuel and EVAP pipe attaching hardware for installation.
  11. Inspect the chassis fuel pipes for bends, kinks and cracks. Repair or replace the pipe or pipes as required.
  12. Inspect the retainers. Replace as required.

Installation Procedure

Notice: Always re-attach the fuel lines and fuel filter with all original type fasteners and hardware.

Do not repair sections of fuel pipes.

Notice: 

   • Secure the fuel pipes to the frame in order to prevent chafing. Maintain a minimum of 13 mm (½ inch) clearance around a pipe in order to prevent contact and chafing. Maintain a minimum of 19 mm (¾ inch) around any moving part.
   • Do not allow the fuel pipes to come into contact with the fuel tank or underbody.


    Object Number: 65986  Size: SH
  1. Install the new fuel feed, fuel return, EVAP pipes, and the fuel and EVAP pipe attaching hardware as noted during removal.
  2. Remove the caps from the in-line fuel filter pipe, the fuel feed pipe, and the fuel return pipe.
  3. Install the new plastic connector retainers on the fuel return pipes.
  4. Install the quick-connect fitting at the in-line fuel filter in the fuel return pipe. Refer to Plastic Collar Quick Connect Fitting Service .
  5. Install the threaded fitting at the outlet of the in-line fuel filter in the fuel feed pipe.
  6. Tighten
    Tighten the in-line fuel filter fitting to 30 N·m (22 lb ft).

    Notice: Use the correct fastener in the correct location. Replacement fasteners must be the correct part number for that application. Fasteners requiring replacement or fasteners requiring the use of thread locking compound or sealant are identified in the service procedure. Do not use paints, lubricants, or corrosion inhibitors on fasteners or fastener joint surfaces unless specified. These coatings affect fastener torque and joint clamping force and may damage the fastener. Use the correct tightening sequence and specifications when installing fasteners in order to avoid damage to parts and systems.


    Object Number: 13858  Size: SH
  7. Lower the vehicle.
  8. Install the quick-connect fittings (1), (2), in the engine compartment. Refer to Metal Collar Quick Connect Fitting Service .
  9. Add fuel and install the fuel tank filler pipe cap.
  10. Tighten the fuel tank filler pipe cap.
  11. Install the negative battery cable. Refer to Battery Cable in Engine Electrical.
  12. Inspect for leaks.
  13. 11.1. Turn the ignition switch to the On position for 2 seconds.
    11.2. Turn the ignition switch to the Off for 10 seconds.
    11.3. Turn the ignition switch to the On position.
    11.4. Check for fuel leaks.
  14. Install the rear seat cushion. Refer to Rear Seat Cushion Replacement in Body and Accessories.
  15. Install the fuel injection sight shield. Refer to Fuel Injector Sight Shield Replacement .