GM Service Manual Online
For 1990-2009 cars only
Makes
🢒
Buick
🢒
1998
🢒
Riviera
🢒
HVAC
🢒
HVAC Systems - Automatic
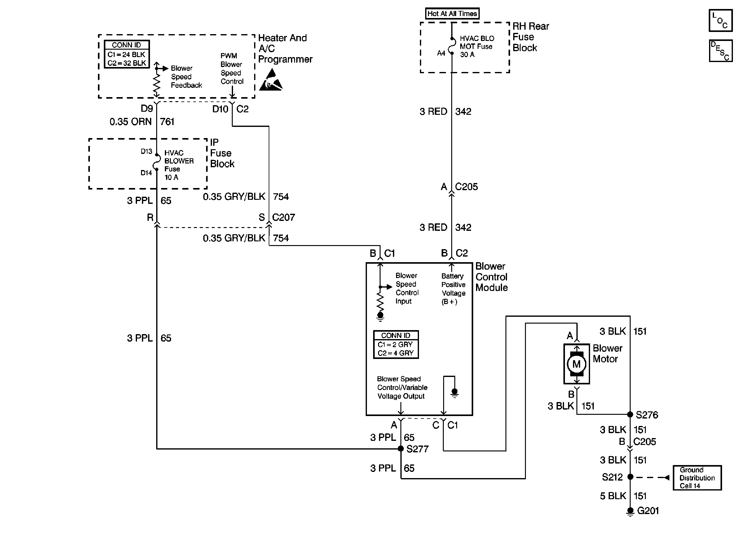
🢒 HVAC Blower Control Schematics
Cell 66
HVAC Components
HVAC Blower Controls Circuit Description
Handling ESD Sensitive Parts Notice
Ground Distribution Schematics
HVAC Connector End Views
HVAC Connector End Views