GM Service Manual Online
For 1990-2009 cars only

Instrument Cluster Replacement Buick

Removal Procedure

    Caution: This vehicle is equipped with a Supplemental Inflatable Restraint (SIR) System. Failure to follow the correct procedure could cause the following conditions:

       • Air bag deployment
       • Personal injury
       • Unnecessary SIR system repairs
    In order to avoid the above conditions, observe the following guidelines:
       • Refer to SIR Component Views in order to determine if you are performing service on or near the SIR components or the SIR wiring.
       • If you are performing service on or near the SIR components or the SIR wiring, disable the SIR system. Refer to Disabling the SIR System.

  1. Disable the supplemental inflatable restraint (SIR). Refer to Disabling the SIR System in SIR.
  2. Remove the upper trim pad. Refer to Instrument Panel Upper Trim Pad Replacement .
  3. Remove the instrument cluster trim plate. Refer to Instrument Cluster Trim Panel Replacement .
  4. Remove the knee bolster. Refer to Knee Bolster Replacement .
  5. Important: Remove the steering column lower mounting bolts prior to removing the upper mounting bolts or damage to the lower steering column bearing may occur.

  6. Lower the steering column. Refer to Steering Column Replacement in Steering Wheel and Column - Tilt.
  7. Place a protective cloth on the steering column in order to protect the column from scratches.

  8. Object Number: 282986  Size: SH
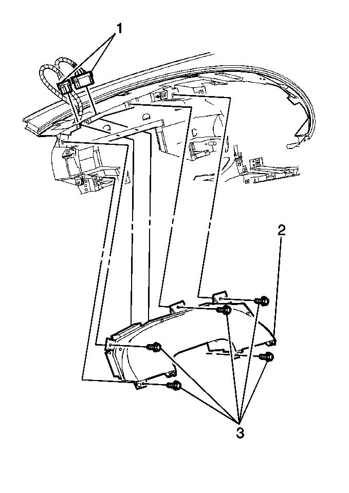
  9. Remove the fasteners (3) that retain the instrument cluster.
  10. Partially remove the instrument cluster (2).
  11. Disconnect the electrical connectors (1).
  12. Remove the instrument cluster (2).

Installation Procedure


    Object Number: 282986  Size: SH
  1. Install the instrument cluster (2) to the instrument panel.
  2. Connect the electrical connectors (1).
  3. Install the fasteners (3) to the instrument cluster.
  4. Remove the protective cloth from the steering column.
  5. Install the steering column. Refer to Steering Column Replacement in Steering Wheel and Column - Tilt.
  6. Install the knee bolster. Refer to Knee Bolster Replacement .
  7. Install the instrument cluster trim plate. Refer to Instrument Cluster Trim Panel Replacement .
  8. Install the upper trim pad. Refer to Instrument Panel Upper Trim Pad Replacement .
  9. Enable the supplemental inflatable restraint (SIR). Refer to Enabling the SIR System in SIR.

Instrument Cluster Replacement Oldsmobile

Removal Procedure

    Caution: This vehicle is equipped with a Supplemental Inflatable Restraint (SIR) System. Failure to follow the correct procedure could cause the following conditions:

       • Air bag deployment
       • Personal injury
       • Unnecessary SIR system repairs
    In order to avoid the above conditions, observe the following guidelines:
       • Refer to SIR Component Views in order to determine if you are performing service on or near the SIR components or the SIR wiring.
       • If you are performing service on or near the SIR components or the SIR wiring, disable the SIR system. Refer to Disabling the SIR System.

  1. Disable the supplemental inflatable restraint (SIR). Refer to Disabling the SIR System in SIR.
  2. Remove the knee bolster reinforcement. Refer to Knee Bolster Replacement .
  3. Important: Remove the steering column lower mounting bolts prior to removing the upper mounting bolts or damage to the lower steering column bearing may occur.

  4. Lower the steering column. Refer to Steering Column Replacement in Steering Wheel and Column - Tilt.
  5. Place a protective cloth on the steering column in order to protect the column from scratches.
  6. Remove the center air outlet trim panel. Refer to Instrument Panel Center Trim Panel Replacement .
  7. Remove the instrument cluster trim panel. Refer to Instrument Cluster Trim Panel Replacement .

  8. Object Number: 282985  Size: MH
  9. Remove the screws (3) from the instrument cluster.
  10. Disconnect the 2 electrical connectors (1) on the back of the instrument cluster.
  11. Remove the instrument cluster (2) from the instrument panel assembly.

Installation Procedure


    Object Number: 282985  Size: MH
  1. Install the instrument cluster (2) to the instrument panel assembly.
  2. Install the screws (3) from the instrument cluster to the instrument panel assembly.
  3. Connect the 2 electrical connectors (1) to the back of the instrument cluster.
  4. Remove the protective cloth from the steering column.
  5. Install the steering column. Refer to Steering Column Replacement in Steering Wheel and Column - Tilt.
  6. Install the knee bolster reinforcement. Refer to Knee Bolster Replacement .
  7. Install the instrument cluster trim panel. Refer to Instrument Cluster Trim Panel Replacement .
  8. Install the center air outlet trim panel. Refer to Instrument Panel Center Trim Panel Replacement .
  9. Enable the supplemental inflatable restraint (SIR). Refer to Enabling the SIR System in SIR.