GM Service Manual Online
For 1990-2009 cars only
Makes
🢒
Buick
🢒
1998
🢒
Riviera
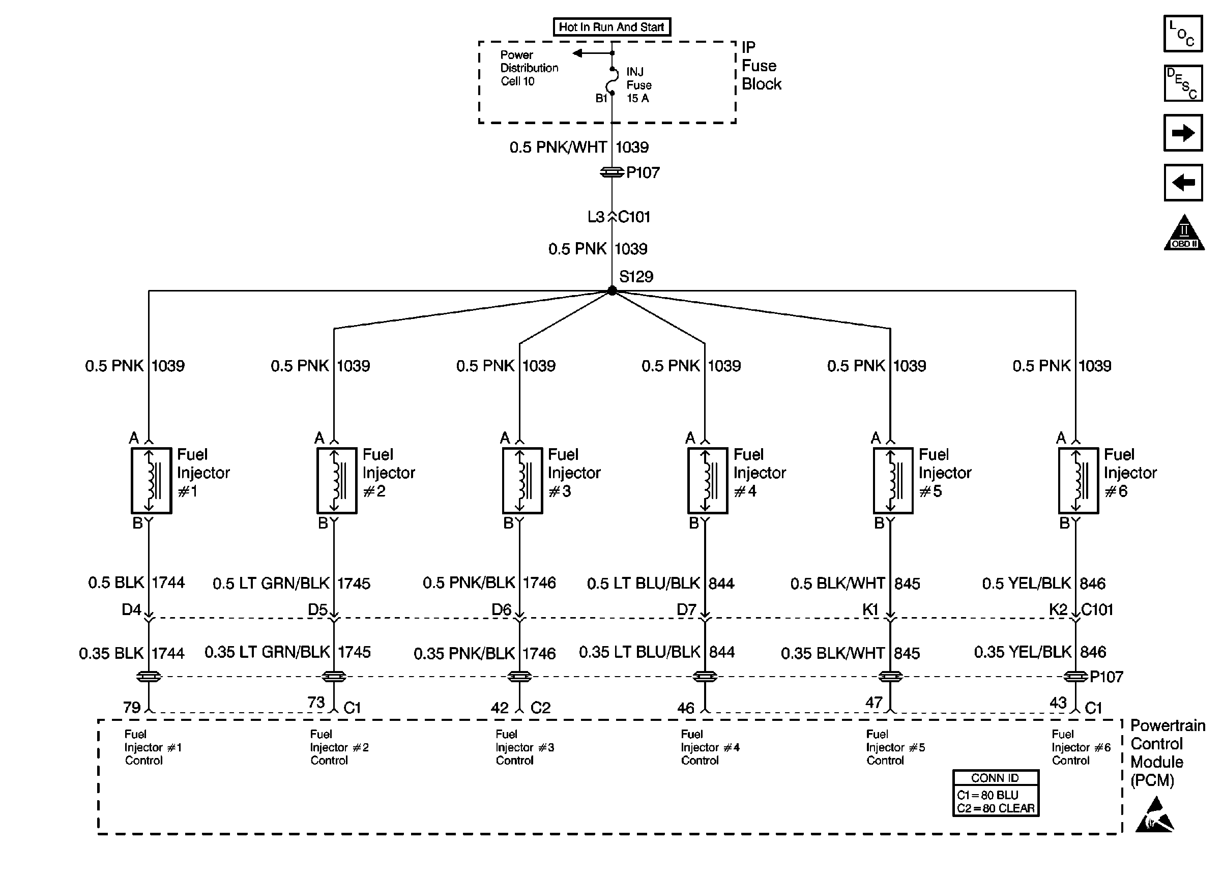
🢒 Cell 20: Fuel Injectors
Cell 20: Fuel Injectors
Cell 20: Fuel Injectors
Engine Controls Components
Powertrain Control Module Description
Cell 20: Sensors
Cell 20: Fuel Control
OBDII Symbol Description Notice
Power Distribution Schematics
Powertrain Control Module Connector End Views
Handling ESD Sensitive Parts Notice