GM Service Manual Online
For 1990-2009 cars only
Makes
🢒
Buick
🢒
1998
🢒
Riviera
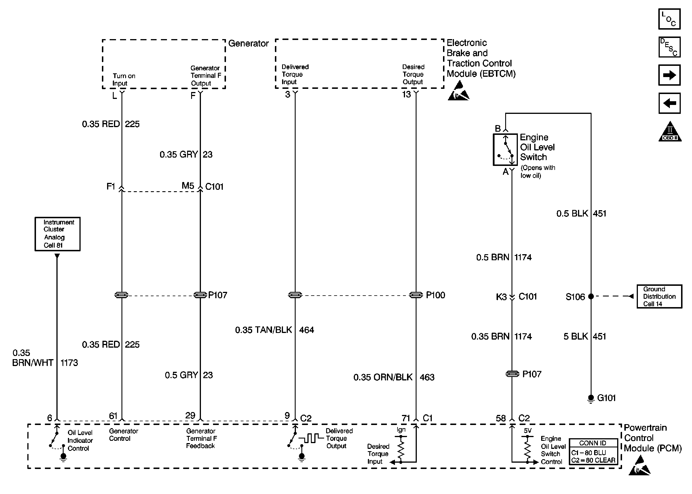
🢒 Cell 20: Generator, Oil Level Switch, EBTCM
Cell 20: Generator, Oil Level Switch, EBTCM
Cell 20: Generator, Oil Level Switch, EBTCM
Engine Controls Components
Powertrain Control Module Description
Cell 20: A/C Compressor Control
Cell 20: Cruise Control Module
OBDII Symbol Description Notice
Handling ESD Sensitive Parts Notice
Engine Controls Schematic References
Ground Distribution Schematics
Powertrain Control Module Connector End Views
Handling ESD Sensitive Parts Notice