GM Service Manual Online
For 1990-2009 cars only
Makes
🢒
Buick
🢒
1998
🢒
Riviera
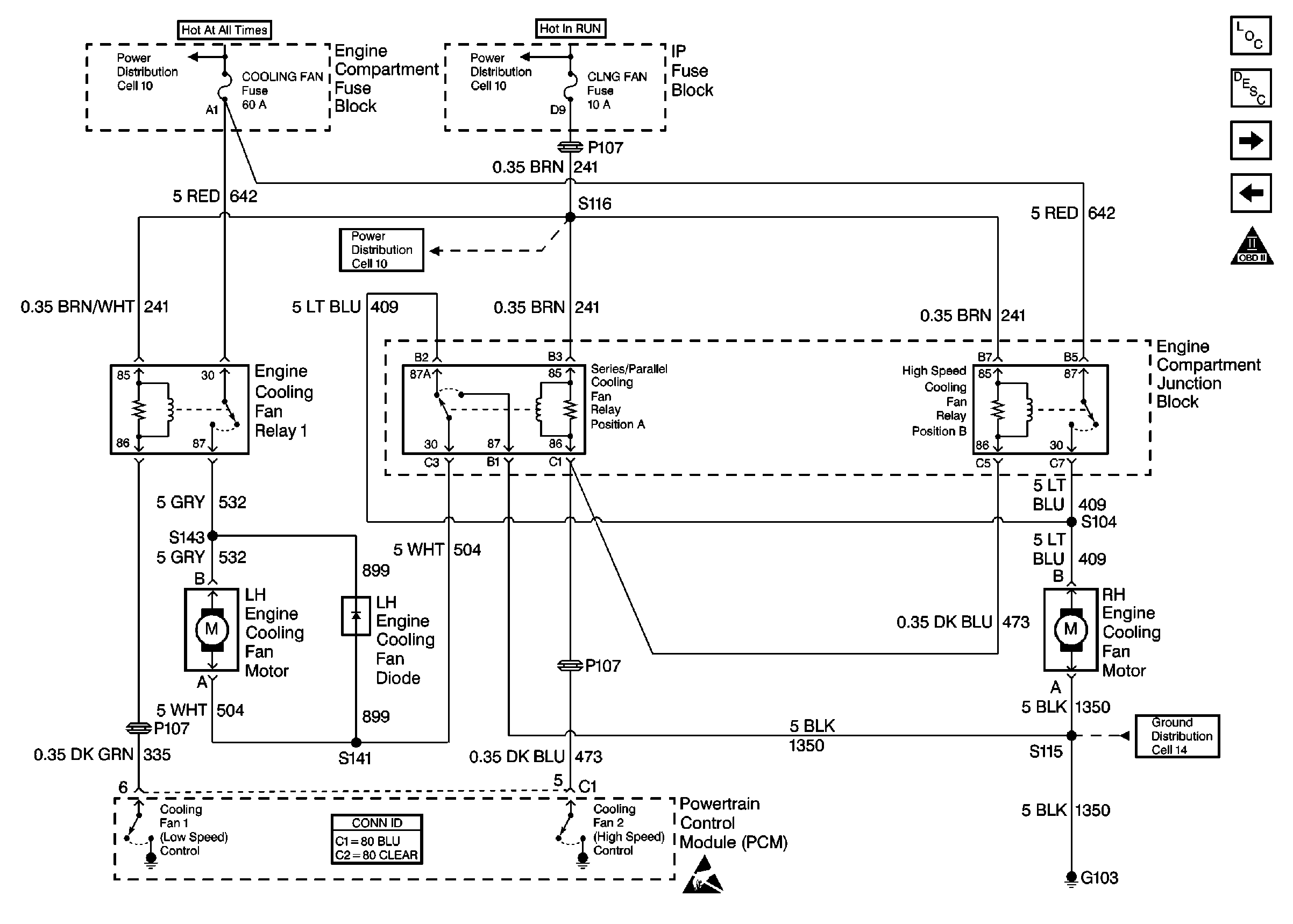
🢒 Cell 20: Cooling Fans
Cell 20: Cooling Fans
Cell 20: Cooling Fans
Engine Controls Components
Powertrain Control Module Description
Cell 20: TCC Switch, Transaxle Solenoids
Cell 20: A/C Compressor Control
OBDII Symbol Description Notice
Power Distribution Schematics
Power Distribution Schematics
Power Distribution Schematics
Powertrain Control Module Connector End Views
Handling ESD Sensitive Parts Notice
Ground Distribution Schematics