GM Service Manual Online
For 1990-2009 cars only
Makes
🢒
Buick
🢒
1998
🢒
Riviera
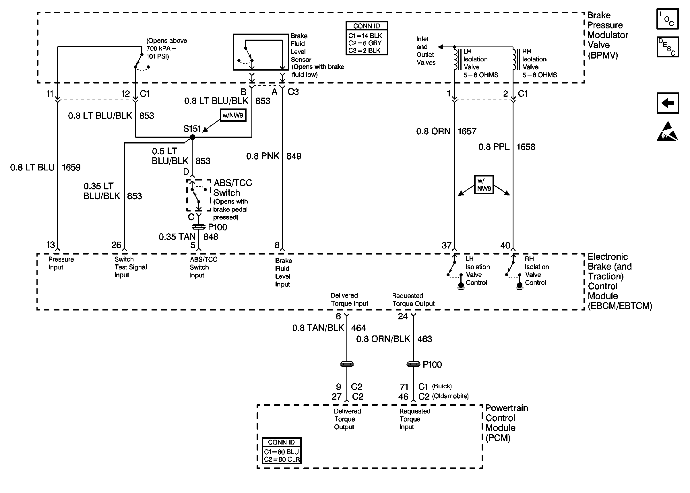
🢒 Cell 44: ABS/TCS Switch, Isolation Valve Solenoids, and PCM
Cell 44: ABS/TCS Switch, Isolation Valve Solenoids, and PCM
Cell 44: ABS/TCS Switch, Isolation Valve Solenoids, and PCM
ABS Components
ABS/TCS System Description
Cell 44: Traction Control Switch
Handling ESD Sensitive Parts Notice
Cell 44: Stoplamp/BTSI Switch, Inlet/Outlet Solenoid Valves, and Wheel Speed Sensors