GM Service Manual Online
For 1990-2009 cars only
Makes
🢒
Buick
🢒
1998
🢒
Riviera
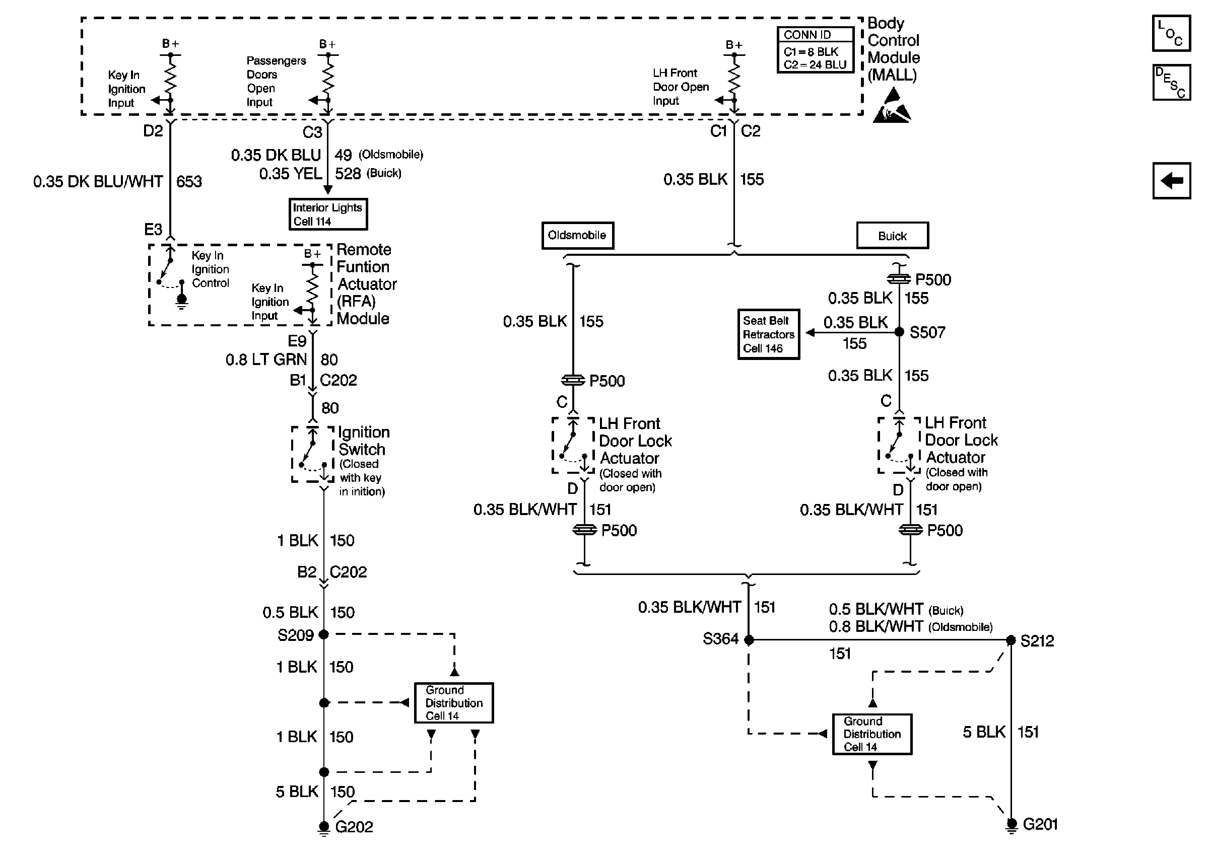
🢒 Cell 76: Remote Function Actuator (RFA) Module
Cell 76: Remote Function Actuator (RFA) Module
Cell 76: Remote Function Actuator (RFA) Module
Instrument Panel, Gages, and Console Component Views
Audible Warnings Circuit Description
Cell 76: Instrument Cluster
Body Control System Connector End Views
Seat Belt Schematics Buick
Ground Distribution Schematics
Ground Distribution Schematics
Cell 76: Instrument Cluster
Handling ESD Sensitive Parts Notice