GM Service Manual Online
For 1990-2009 cars only

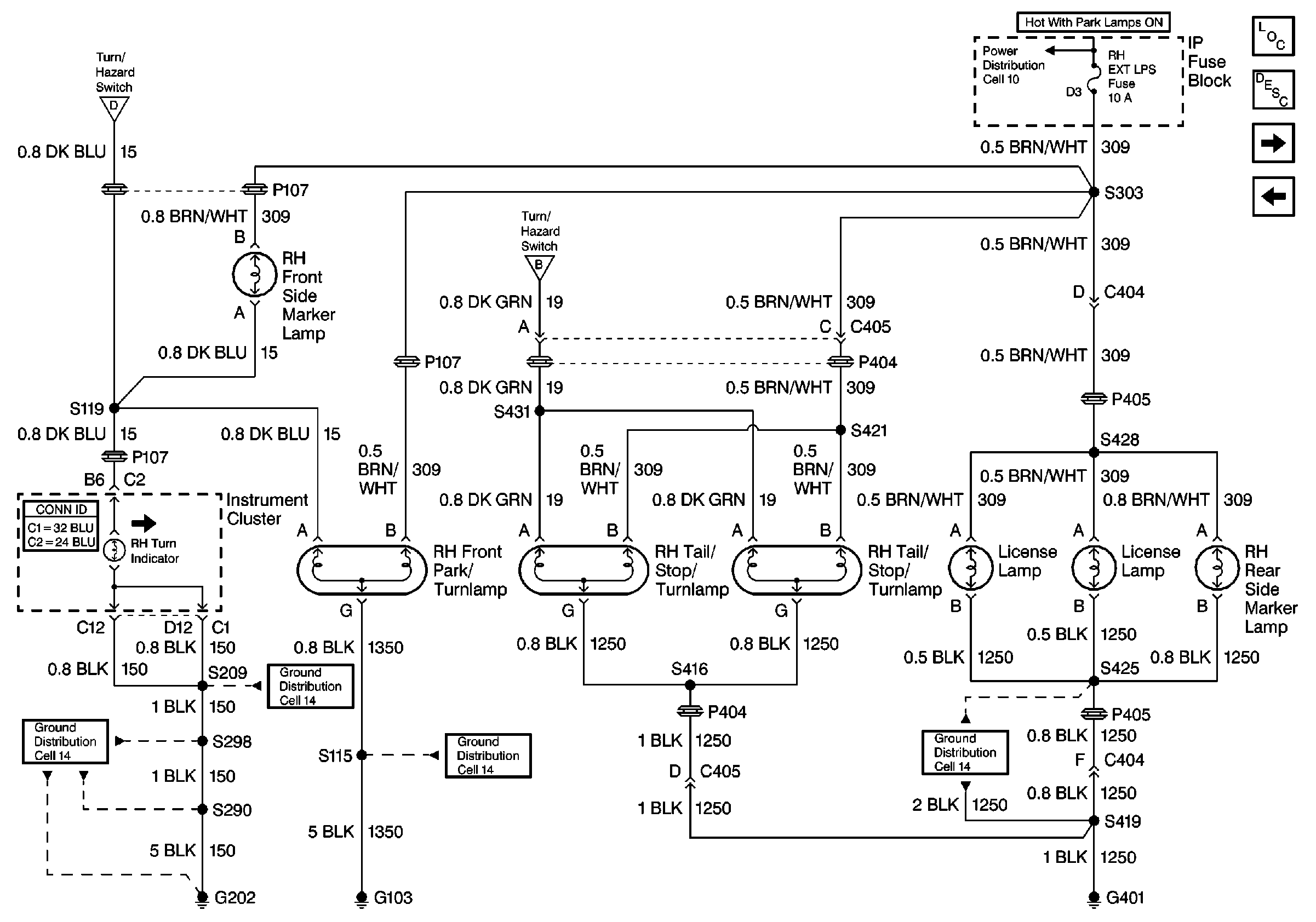
Cell 110: RH Lamps

Cell 110: RH Lamps


Object Number: 341985  Size: FS
Lighting Systems Components
Exterior Lights Circuit Description
Cell 110: LH Lamps
Cell 110: Turn/Hazard Switch and Stoplamp/BTSI Switch
Ground Distribution Schematics
Ground Distribution Schematics
Ground Distribution Schematics
Ground Distribution Schematics
Cell 110: Turn/Hazard Switch and Stoplamp/BTSI Switch
Cell 110: Turn/Hazard Switch and Stoplamp/BTSI Switch
Power Distribution Schematics
Instrument Panel, Gages, and Console Connector End Views