GM Service Manual Online
For 1990-2009 cars only
Makes
🢒
Buick
🢒
1998
🢒
Riviera
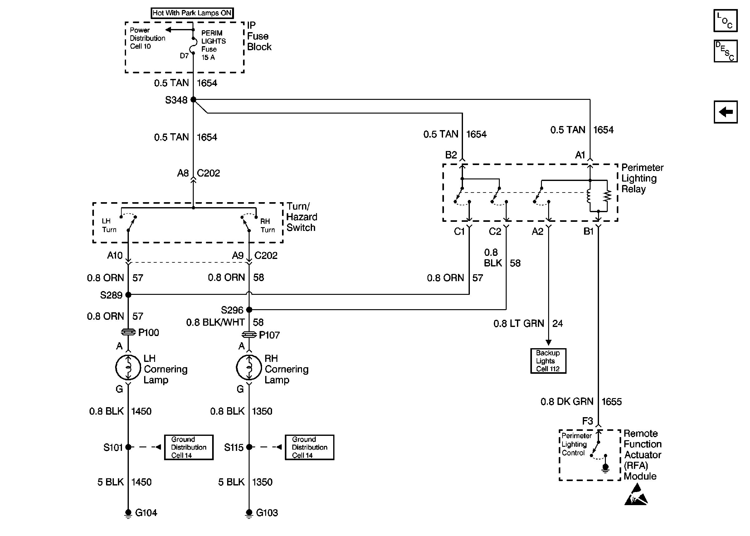
🢒 Cell 110: Cornering Lights
Cell 110: Cornering Lights
Cell 110: Cornering Lights
Lighting Systems Components
Exterior Lights Circuit Description
Cell 110: LH Lamps
Handling ESD Sensitive Parts Notice
Ground Distribution Schematics
Ground Distribution Schematics
Power Distribution Schematics
Cell 112