GM Service Manual Online
For 1990-2009 cars only
Makes
🢒
Buick
🢒
1998
🢒
Riviera
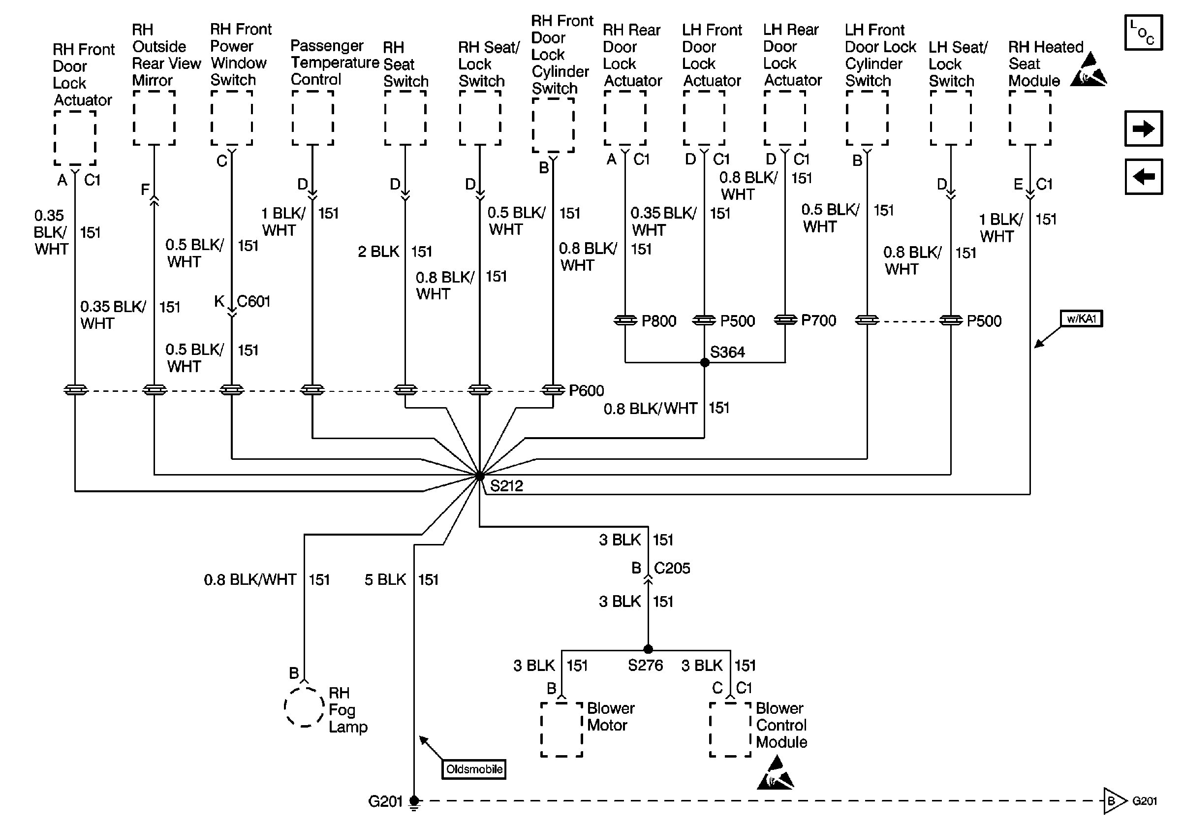
🢒 Cell 14: G201 (1 of 2)
Cell 14: G201 (1 of 2)
Cell 14: G201 (1 of 2)
Power and Grounding Components
Cell 14: G201 (2 of 2)
Cell 14: G103 (2 of 2)
Cell 14: G201 (2 of 2)
Handling ESD Sensitive Parts Notice
Handling ESD Sensitive Parts Notice