GM Service Manual Online
For 1990-2009 cars only
Makes
🢒
Buick
🢒
1998
🢒
Riviera
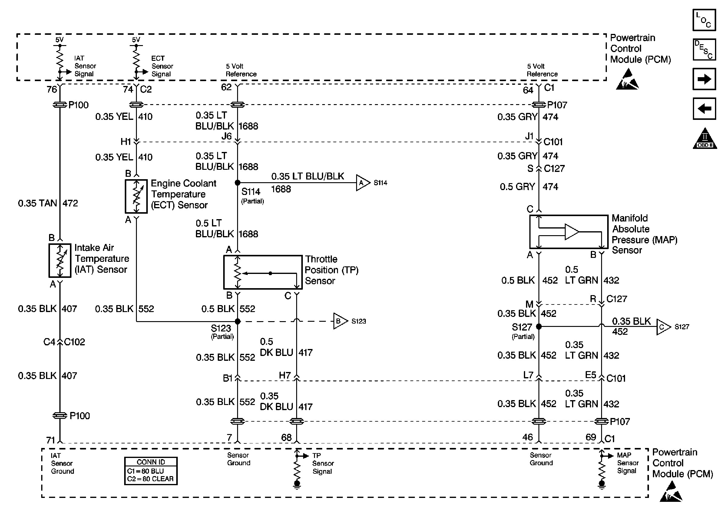
🢒 Cell 21: IAT, ECT, TP, MAP Sensors
Cell 21: IAT, ECT, TP, MAP Sensors
Cell 21: IAT, ECT, TP, MAP Sensors
Engine Controls Components
Powertrain Control Module Description
Cell 21: Converter Heated Oxygen Sensors
Cell 21: Fuel Injectors
OBD II Symbol Description Notice
Handling ESD Sensitive Parts Notice
Cell 21: Converter Heated Oxygen Sensors
Cell 21: Converter Heated Oxygen Sensors
Cell 21: Converter Heated Oxygen Sensors
Powertrain Control Module Connector End Views
Handling ESD Sensitive Parts Notice