GM Service Manual Online
For 1990-2009 cars only
Makes
🢒
Buick
🢒
1998
🢒
Riviera
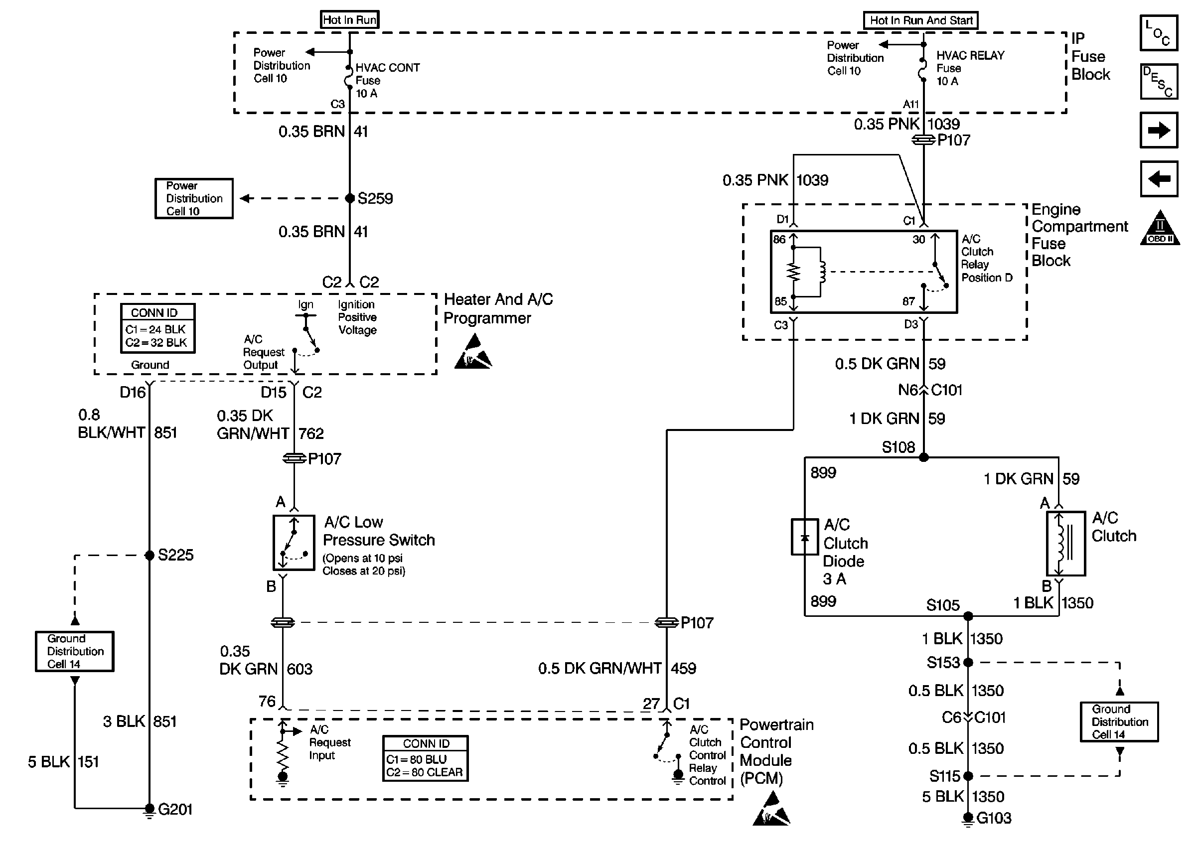
🢒 Cell 21: A/C Compressor Controls
Cell 21: A/C Compressor Controls
Cell 21: A/C Compressor Controls
Engine Controls Components
Powertrain Control Module Description
Cell 21: Cooling Fans
Cell 21: PNP Switch, Shift Select Switch
OBD II Symbol Description Notice
Power Distribution Schematics
Power Distribution Schematics
Handling ESD Sensitive Parts Notice
Ground Distribution Schematics
Powertrain Control Module Connector End Views
Ground Distribution Schematics
Handling ESD Sensitive Parts Notice