GM Service Manual Online
For 1990-2009 cars only
Makes
🢒
Buick
🢒
1998
🢒
Riviera
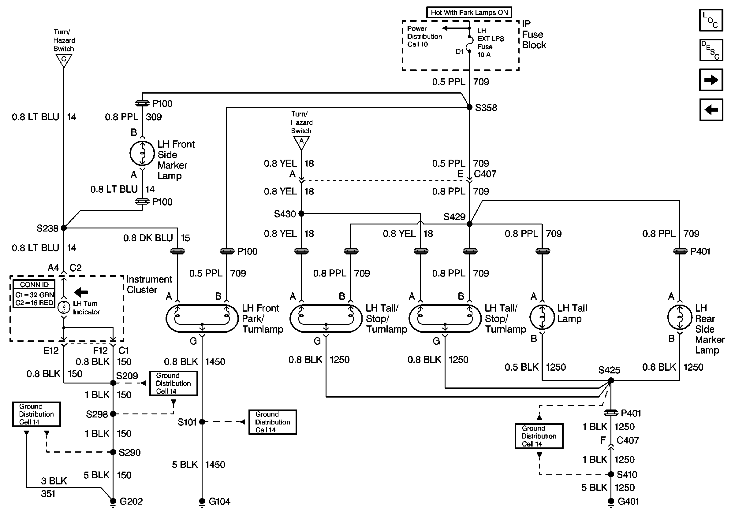
🢒 Cell 110: LH Lamps
Cell 110: LH Lamps
Cell 110: LH Lamps
Lighting Systems Components
Exterior Lights Circuit Description
Cell 110: Cornering Lamps
Cell 110: RH Lamps
Ground Distribution Schematics
Ground Distribution Schematics
Power Distribution Schematics
Instrument Panel, Gages, and Console Connector End Views
Cell 110: Turn/Hazard Switch and Stoplamp/BTSI Switch
Cell 110: Turn/Hazard Switch and Stoplamp/BTSI Switch
Ground Distribution Schematics
Ground Distribution Schematics