GM Service Manual Online
For 1990-2009 cars only
Makes
🢒
Buick
🢒
1998
🢒
Riviera
🢒 Cell 10: IGN 3 Fuse, Ignition Switch (Oldsmobile)
Cell 10: IGN 3 Fuse, Ignition Switch (Oldsmobile)
Cell 10: IGN 3 Fuse, Ignition Switch (Oldsmobile)
Power and Grounding Components
Cell 10: ABS PUMP MOTOR, ABS MAIN, and COOLING FAN Fuses
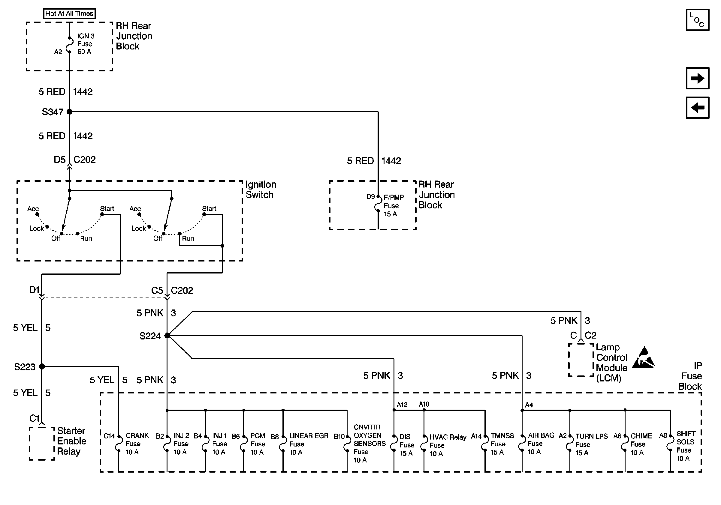
Cell 10: IGN 3 Fuse and Ignition Switch (Buick)
Handling ESD Sensitive Parts Notice