GM Service Manual Online
For 1990-2009 cars only
Makes
🢒
Buick
🢒
1998
🢒
Riviera
🢒 Cell 10: HVAC CONT Fuse (Oldsmobile)
Cell 10: HVAC CONT Fuse (Oldsmobile)
Cell 10: HVAC CONT Fuse (Oldsmobile)
Power and Grounding Components
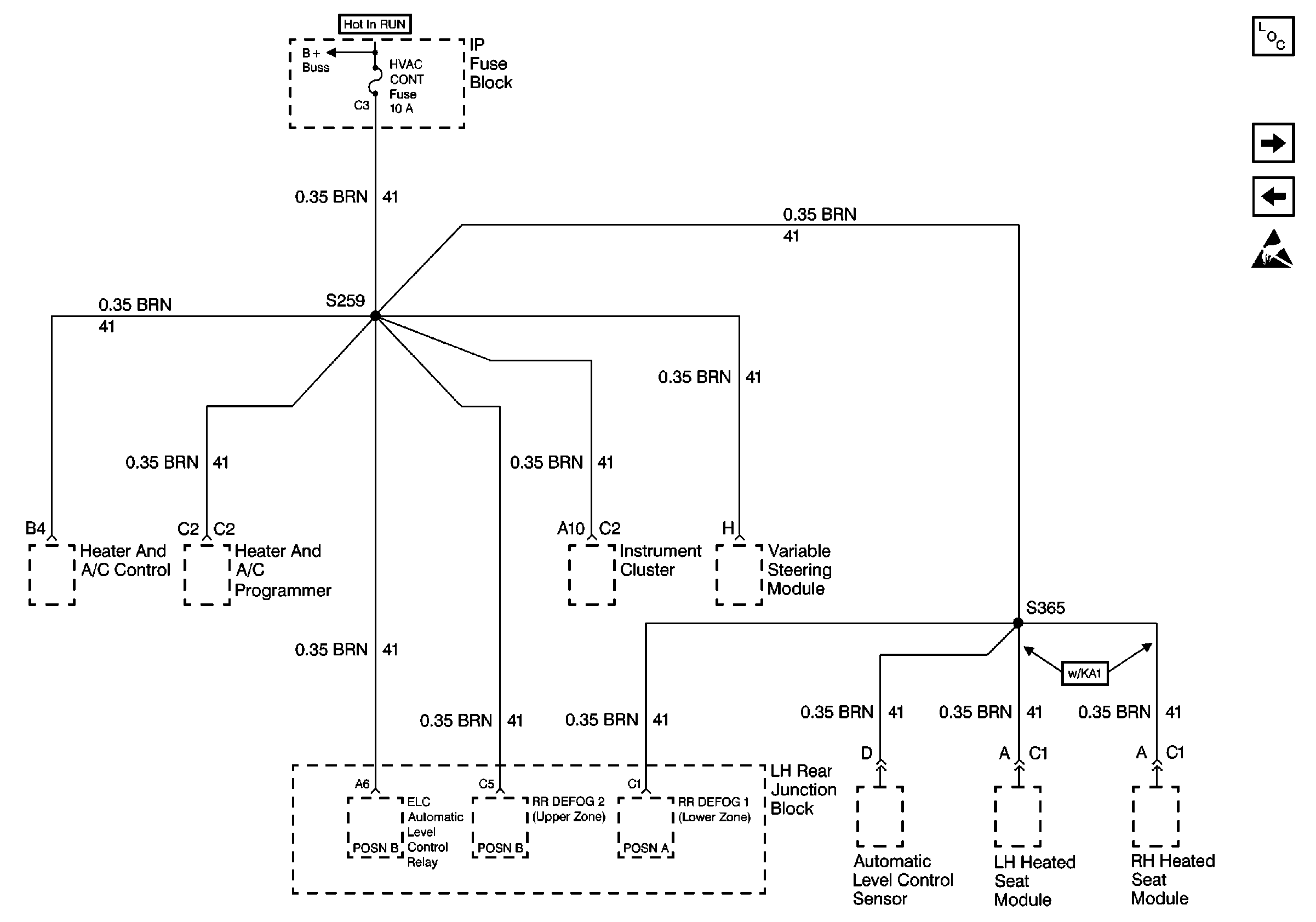
Cell 10: HVAC CONT Fuse (1 of 2) (Buick)
Cell 10: LH EXT LPS Fuse
Cell 10: Battery Power
Handling ESD Sensitive Parts Notice