GM Service Manual Online
For 1990-2009 cars only
Makes
🢒
Buick
🢒
1998
🢒
Riviera
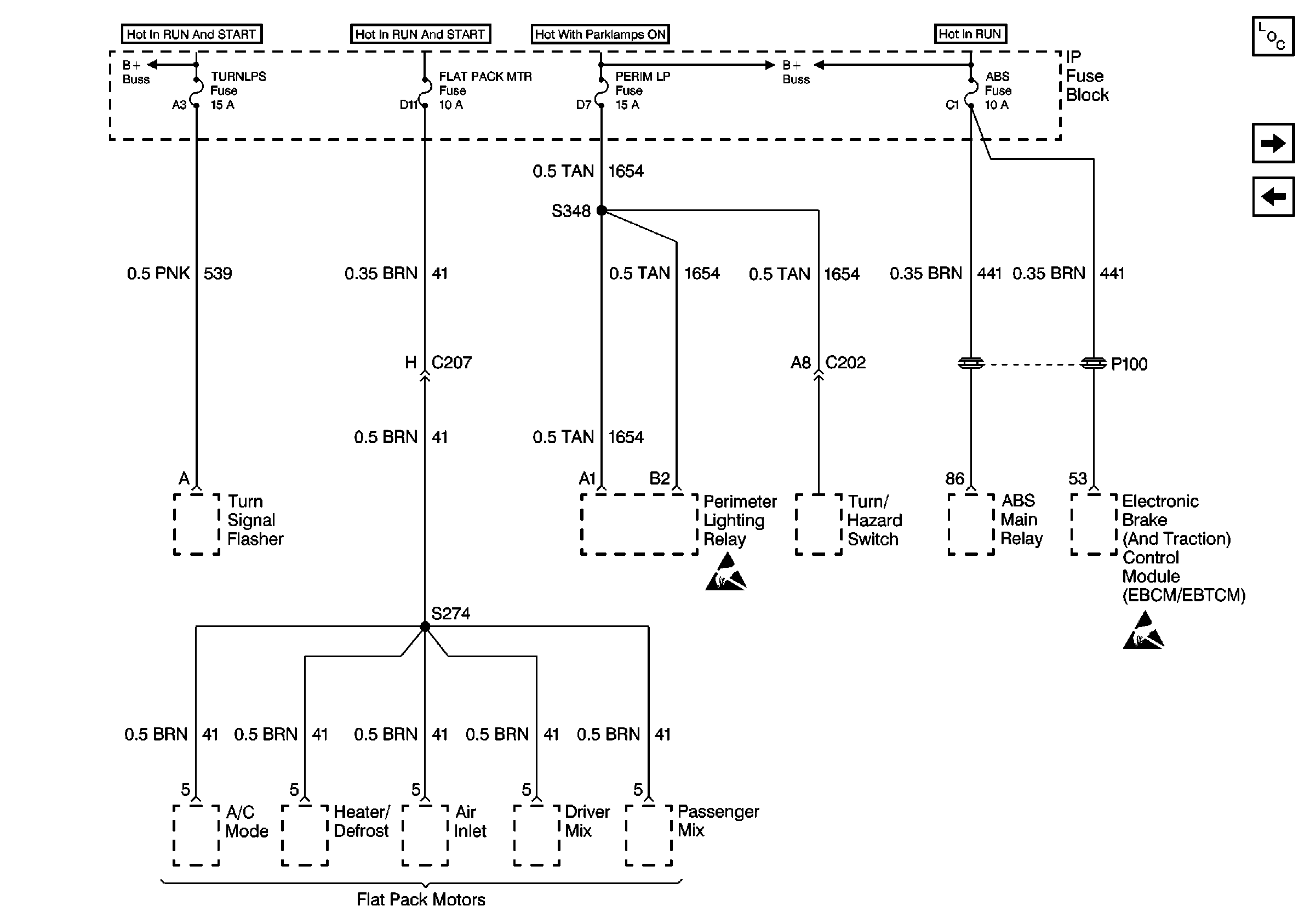
🢒 Cell 10: TURN LPS, FLAT PACK MTR, PERIM LP, and ABS Fuses
Cell 10: TURN LPS, FLAT PACK MTR, PERIM LP, and ABS Fuses
Cell 10: TURN LPS, FLAT PACK MTR, PERIM LP, and ABS Fuses
Power and Grounding Components
Cell 10: INJECTOR Fuses
Cell 10: HVAC CONT Fuse (2 of 2) (Buick)
Cell 10: Battery Power
Cell 10: Battery Power
Handling ESD Sensitive Parts Notice
Handling ESD Sensitive Parts Notice