GM Service Manual Online
For 1990-2009 cars only
Makes
🢒
Buick
🢒
1998
🢒
Riviera
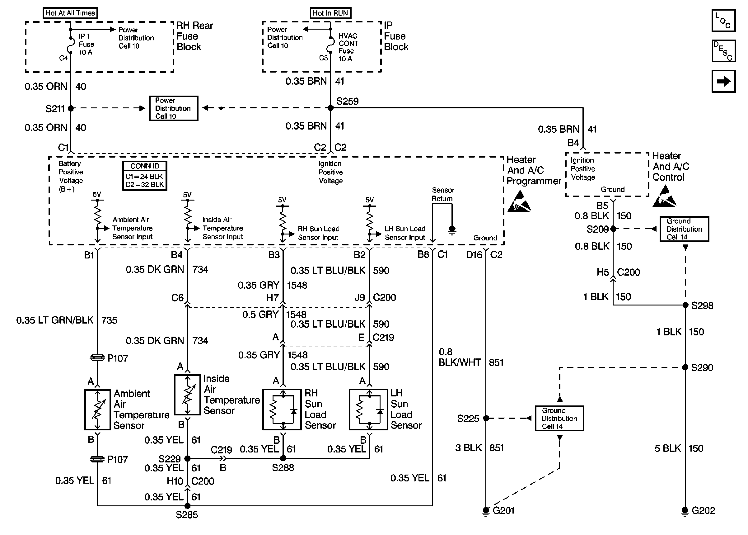
🢒 Cell 68: Temperature Sensors
Cell 68: Temperature Sensors
Cell 68: Temperature Sensors
HVAC Components
HVAC Temperature Controls Circuit Description
Power Distribution Schematics
Power Distribution Schematics
Power Distribution Schematics
HVAC Connector End Views
Ground Distribution Schematics
Ground Distribution Schematics
Handling ESD Sensitive Parts Notice
Handling ESD Sensitive Parts Notice
Cell 68: Passenger Temperature Control