GM Service Manual Online
For 1990-2009 cars only

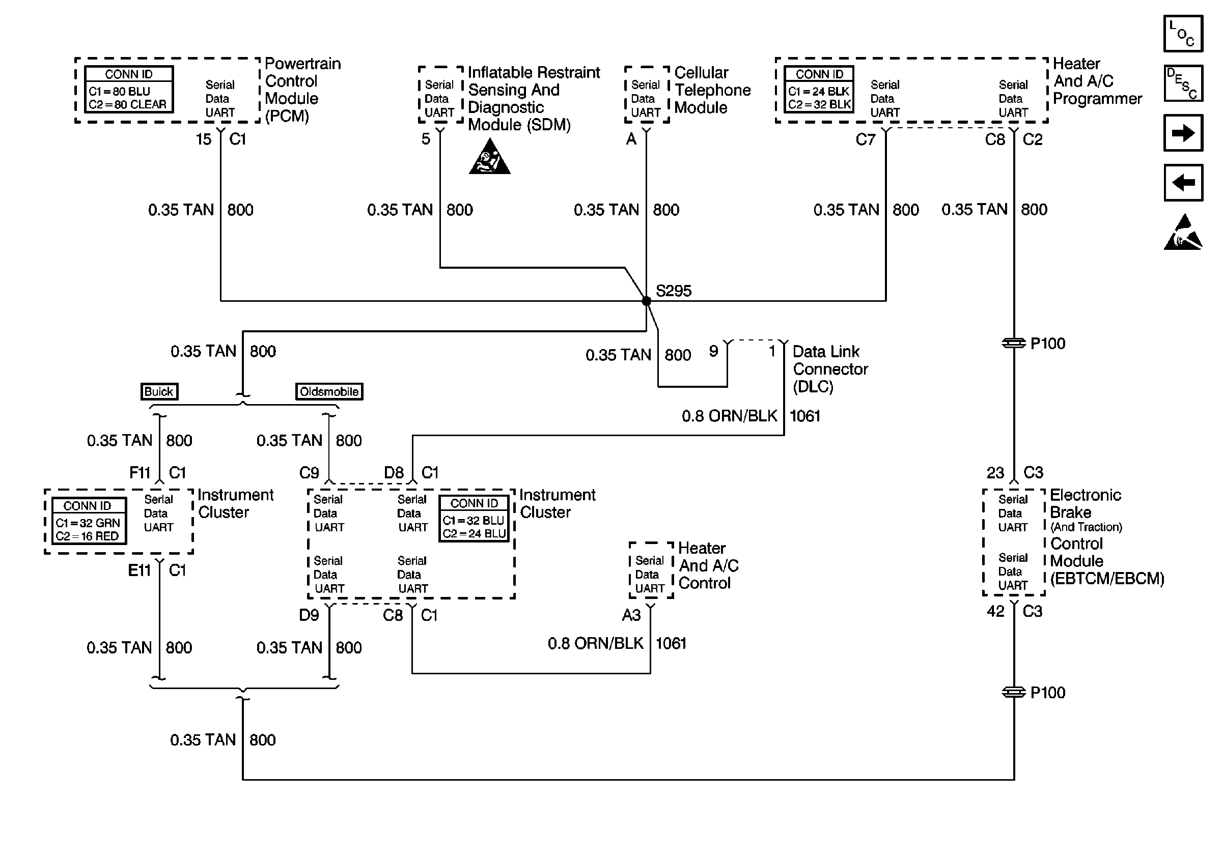
Refer to Wiring Systems

Cell 50: UART Serial Data Line


Object Number: 482051  Size: FS
Data Link Communications Components
Data Link Connector Description
Cell 50: E and C Serial Data Line
Cell 50: Power, Ground and Class 2 Serial Data Line
Handling ESD Sensitive Parts Notice
SIR Handling Caution
.

Circuit Description

The PCM receives rough road information from the EBCM / EBTCM on the UART serial data circuit. The PCM uses the rough road information to enhance the misfire diagnostic by distinguishing crankshaft speed variations caused by driving on rough road surfaces from variations caused by true misfires. The EBCM / EBTCM transmits rough road information based on imputs from the wheel speed sensors. If a loss of communication occurs which causes the PCM not to receive rough road information while DTC P0300 is requesting the MIL, DTC P1381 will set.

Conditions for Running the DTC

    • Engine load is less than 87%.
    • Engine speed is less than 5000 RPM.
    • Vehicle speed is greater than 10 mph.
    • A misfire DTC is occurring and requesting the MIL to be illuminated.

Conditions for Setting the DTC

The PCM is detecting a loss of communication with the EBCM / EBTCM for at least 10 seconds.

Action Taken When the DTC Sets

    • The PCM will not illuminate the Malfunction Indicator Lamp (MIL).
    • The PCM will store conditions which were present when the DTC set as Fail Records data only. This information will not be stored as Freeze Frame data.

Conditions for Clearing the MIL/DTC

    • A history DTC will clear after 40 consecutive warm-up cycles have occurred without a malfunction.
    • DTC can be cleared by using the scan tool Clear Info function or by disconnecting the PCM battery feed.

Diagnostic Aids

Check for the following conditions:

    • Poor conneciton at the PCM or at the EBCM / EBTCM.
        Inspect harness connectors for backed out terminals, improper mating, broken locks, improperly formed or damaged terminals, and poor terminal to wire connection.
    • Damaged harness.
        Inpsec the wiring harness for damage. If the harness appears to be OK, observe ABS data on the scan tool while moving connectors and wiring harnesses related to the EBCM / EBTCM. A loss of ABS data will indicate the location of the malfunction.

Reviewing the Fail Records vehicle mileage since the diagnostic test last failed may help determine how often the condition that caused the DTC to be set occurs. This may assist in diagnosing the condition.

Test Description

Number(s) below refer to the step number(s) on the Diagnostic Table.

  1. Ensures that the EBCM/EBTCM is capable of transmitting serial data on the UART serial data circuit.

  2. Checks the UART serial data circuit at the EBCM/EBTCM for correct voltage.

DTC P1381 - Misfire Detected - No EBCM/PCM Serial Data

Step

Action

Value(s)

Yes

No

1

Was the Powertrain On-Board Diagnostic (OBD) System Check performed?

--

Go to Step 2

Go to the Powertrain On Board Diagnostic (OBD) System Check

2

  1. Turn ON the ignition switch.
  2. Select chassis application on the scan tool.
  3. Attempt to display ABS data on the scan tool.

Can ABS data be displayed?

--

Go to Step 3

Go to Step 4

3

  1. Check the serial data circuit for an open or a poor connection between the PCM and the EBCM.
  2. If a problem is found, repair as necessary. Refer to Wiring Repairs or Intermittents and Poor Connections Diagnosis in Wiring Systems.

Was a problem found?

--

System OK

Go to Diagnostic Aids

4

  1. Turn OFF the ignition switch.
  2. Disconnect the EBCM.
  3. Turn ON the ignition switch.
  4. Using a J 39200 Digital Multimeter, measure voltage on the serial data circuit at the EBCM harness connector.

Does voltage vary within a range between the specified values?

1-5V

Go to Step 5

Go to Step 6

5

  1. Check for a poor connection at the EBCM.
  2. If a problem is found, replace terminal(s) as necessary. Refer to Intermittents and Poor Connections Diagnosis in Wiring Systems.

Was a problem found?

--

Go to Step 7

Go to Step 6

6

  1. Check for an open in the serial data circuit to the EBCM/EBTCM. Refer to Data Link Communications System Check in Wiring Systems for a complete mechanization.
  2. If a problem is found, repair as necessary. Refer to Wiring Repairs in Wiring Systems.

Was a problem found?

--

Go to Step 7

Go to Diagnostic System Check in Antilock Brake System

7

  1. Turn ON the ignition switch.
  2. Select chassis application on the scan tool.
  3. Attempt to display ABS data on the scan tool.

Can ABS data be displayed?

--

System OK

Go to Step 4