GM Service Manual Online
For 1990-2009 cars only

Object Number: 506484  Size: MF
Handling ESD Sensitive Parts Notice
HVAC Components
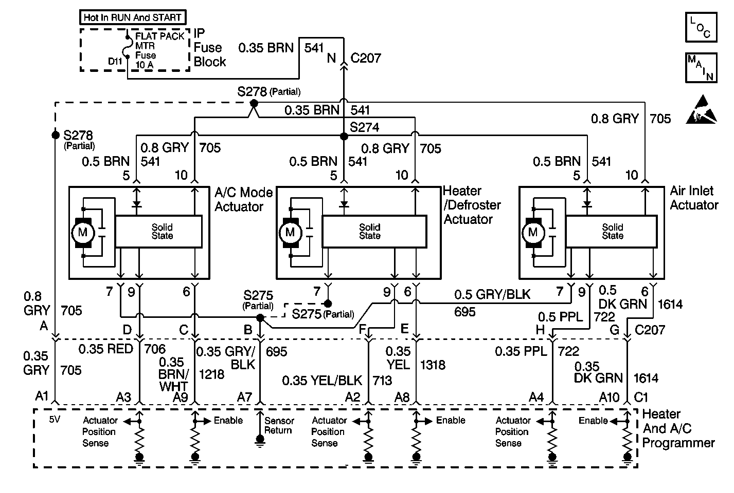
HVAC Air Delivery/Temperature Control Schematics Buick, Oldsmobile

Circuit Description

The HVAC programmer commands the actuator to move by suppling battery voltage. The feedback supplied to the HVAC programmer is a regulated 5 volts. The feedback voltage is a function of the motor position with a high voltage of 4-5 volts indicating full cold door position. A low voltage of less than 1 volt indicates the full hot position. Operation of the air mix door actuator can be evaluated through the Scan Tool .

Conditions for Setting the DTC

The ignition is ON.

Action Taken When the DTC Sets

Only the full hot or full cold may be used by the system.

Conditions for Clearing the DTC

    • Using a Scan Tool .
    • A history DTC will clear when 50 consecutive ignition cycles have occurred without a malfunction.
    • HVAC programmer battery voltage is interrupted.

Test Description

  1. This test allows the Scan Tool to command the actuators in order to determine that proper movement is being achieved.

Step

Action

Value(s)

Yes

No

1

Did you perform the Diagnostic System Check?

--

Go to Step 2

Go to Diagnostic System Check

2

  1. Turn on the ignition.
  2. Using the scan tool, select the outputs.
  3. Exercise the air inlet actuator to COM High and to COM Low.

  4. Compare the COM high and low values.

Are the values within the specified ranges?

COM High 245

COM Low 10

Go to Step 4

Go to Step 3

3

Replace the heater and A/C programmer. Refer to Programmer Replacement .

Did you complete the repair?

--

Go to Step 22

--

4

  1. Using the scan tool, exercise the air inlet actuator to COM High and to COM Low.
  2. Compare the ACT high and low values.

Are the values within the specified ranges?

ACT High 212-221

ACT Low 26-47

Go to Step 3

Go to Step 5

5

  1. Using the scan tool, exercise air inlet actuator to COM High and to COM Low.
  2. Inspect the door movement through the airflow change or through a visual inspection.

Does the air inlet actuator respond correctly?

--

Go to Step 7

Go to Step 12

6

Test the air inlet actuator to programmer sense circuit for the following conditions:

    • A poor connection
        Refer to Intermittents and Poor Connections Diagnosis in Wiring Systems.
    • An open
        Refer to Testing for Continuity in Wiring Systems.
    • A short to ground
        Refer to Testing for Short to Ground in Wiring Systems.

Did you find and correct the condition?

--

Go to Step 22

Go to Step 9

7

  1. Disconnect the air inlet actuator connector.
  2. Use a J 39200 digital multimeter (DMM) in order to measure the voltage between terminal 10 and terminal 7. Refer to Measuring Voltage in Wiring Systems.

Does the voltage measure near the specified value?

5 V

Go to Step 6

Go to Step 8

8

Test CKT 705 (GRY) between the air inlet actuator connector pin 10 and the programmer connector C1 terminal A1 for the following conditions:

    • A poor connection
        Refer to Intermittents and Poor Connections Diagnosis in Wiring Systems.
    • An open
        Refer to Testing for Continuity in Wiring Systems.
    • A short to ground
        Refer to Testing for Short to Ground in Wiring Systems.

Did you find and correct the condition?

--

Go to Step 22

Go to Step 3

9

Use a J 39200 DMM in order to measure the resistance between the air inlet actuator connector pin 7 and pin 10. Refer to Testing for Continuity in Wiring Systems.

Does the resistance measure near the specified value?

8.5 ohms

Go to Step 10

Go to Step 11

10

Use a J 39200 DMM in order to measure the resistance between the air inlet actuator connector pin 7 and pin 9. Refer to Testing for Continuity in Wiring Systems.

Does the resistance measure within the specified range?

1.7-7.5 ohms

Go to Step 3

Go to Step 11

11

Replace the air inlet actuator. Refer to Air Inlet Actuator Replacement .

Did you complete the repair?

--

Go to Step 22

--

12

  1. Disconnect the air inlet actuator.
  2. Use a J 39200 DMM in order to test for voltage between the connector terminal 5 and terminal 7. Refer to Measuring Voltage in Wiring Systems.

Does the voltage measure near the specified value?

10-15 V

Go to Step 15

Go to Step 13

13

Test CKT 541 (BRN) between the IP fuse block flat pack MTR fuse and air inlet actuator connector pin 5 for the following conditions:

    • A poor connection
        Refer to Intermittents and Poor Connections Diagnosis in Wiring Systems.
    • An open
        Refer to Testing for Continuity in Wiring Systems.
    • A short to ground
        Refer to Testing for Short to Ground in Wiring Systems.

Did you find and correct the condition?

--

Go to Step 22

Go to Step 14

14

Test CKT 695 (GRY/BLK) between the programmer connector C1 terminal A7 and the air inlet actuator connector terminal 7 for the following conditions:

    • A poor connection
        Refer to Intermittents and Poor Connections Diagnosis in Wiring Systems.
    • An open
        Refer to Testing for Continuity in Wiring Systems.
    • A short to voltage
        Refer to Testing for Short to Ground in Wiring Systems.

Did you find and correct the condition?

--

Go to Step 22

--

15

Use a J 39200 DMM in order to test for voltage between the air inlet connector terminal 7 and terminal 10. Refer to Measuring Voltage in Wiring Systems.

Does the voltage measure near the specified value?

5 V

Go to Step 17

Go to Step 16

16

Test CKT 705 between the programmer connector C1 terminal A1 and the air inlet actuator connector terminal 10 for the following conditions:

    • A poor connection
        Refer to Intermittents and Poor Connections Diagnosis in Wiring Systems.
    • An open
        Refer to Testing for Continuity in Wiring Systems.
    • A short to voltage
        Refer to Testing for Short to Ground in Wiring Systems.

Did you find and correct the condition?

--

Go to Step 22

--

17

  1. Disconnect the enable circuit terminal from the air inlet actuator connector cavity 6.
  2. Connect the air inlet actuator without the enable circuit connected.
  3. With the ignition on, use a J 39200 DMM in order to measure the voltage from the enable circuit terminal to ground. Refer to Measuring Voltage in Wiring Systems.

Does the voltage measure near the specified value?

2.5 V

Go to Step 19

Go to Step 18

18

Test the enable circuit between the programmer and the air inlet actuator connector for the following conditions:

    • A poor connection
        Refer to Intermittents and Poor Connections Diagnosis in Wiring Systems.
    • An open
        Refer to Testing for Continuity in Wiring Systems.
    • A short to voltage
        Refer to Testing for Short to Ground in Wiring Systems.

Did you find and correct the condition?

--

Go to Step 22

Go to Step 3

19

  1. Use the scan tool in order to exercise on and off the air inlet actuator.
  2. Observe the voltage on the enable circuit.

Does the voltage measure near the specified values when the proper function is exercised?

0 V

5 V

Go to Step 20

Go to Step 3

20

  1. Remove the air inlet actuator. Refer to Air Inlet Actuator Replacement .
  2. Inspect the operation of the actuator door.

Does the door move freely through the full range of travel?

--

Go to Step 11

Go to Step 21

21

Repair the door of the air inlet actuator as needed.

Did you complete the repair?

--

Go to Step 22

--

22

Using the scan tool, clear all of the DTCs.

Does the DTC reset?

--

Go to Step 2

Go to Diagnostic System Check