GM Service Manual Online
For 1990-2009 cars only
Makes
🢒
Buick
🢒
1999
🢒
Riviera
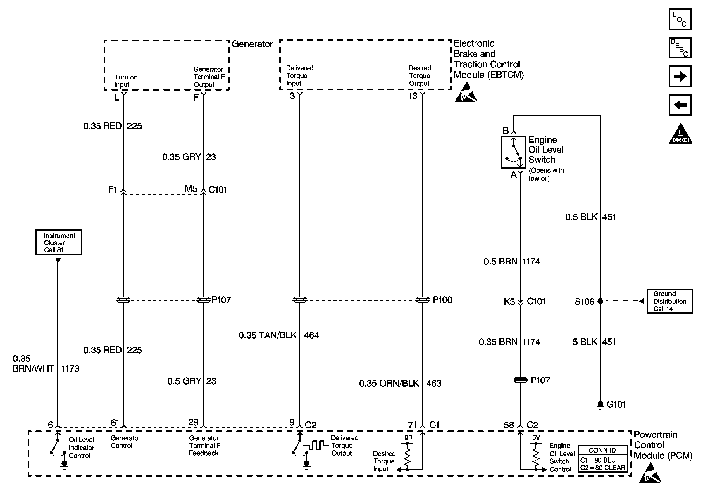
🢒 Cell 20: Generator, Oil Level Switch, EBTCM
Cell 20: Generator, Oil Level Switch, EBTCM
Cell 20: Generator, Oil Level Switch, EBTCM
Engine Controls Components
Powertrain Control Module Description
Cell 20: TCC Switch, Transaxle Solenoids
Cell 20: EVAP Control, EGR Valve
OBD II Symbol Description Notice
Handling ESD Sensitive Parts Notice
Cell 81: Coolant Level Switch
Cell 14: G100 and G101 (Buick)
Powertrain Control Module Connector End Views
Handling ESD Sensitive Parts Notice