GM Service Manual Online
For 1990-2009 cars only

CAMPAIGN: REAR ENG LIFT/COIL MOUNTING BRKT AND COIL WIRE

REAR ENGINE LIFT/COIL MOUNTING BRACKET AND COIL SHIELD

MODELS: 1987 Sunbird, Firenza, Skyhawk models with 2.0L (LT2/LT3) L4 Engine (VIN Code K & M).

General Motors of Canada has determined that some 1987 Pontiac Sunbird, Oldsmobile Firenza and Buick Skyhawk models may experience fatigue fracture of the rear engine lift bracket. The ignition coil and coil bracket is mounted to the rear engine lift bracket. If the lift bracket fractures, the coil may become unsupported. This condition may ultimately result in engine misfire and possible loss of engine operation.

Additionally, high frequency magnetic coupling between the ignition coil and the distributor coil magnetic pickup can result in extra pulses in the RPM reference signal. This condition may cause extended cold cranking/no start, pop back during cranking and/or occasional "Service Engine Soon" light with stored code 42.

To prevent the possibility of fatigue fracture of the rear engine lift bracket, the lift bracket will be inspected and, if necessary, replaced.

Additionally, a pencil brace (service kit) will be installed as required on involved vehicles.

To prevent the possibility of magnetic coupling between the ignition coil and distributor coil magnetic pickup, a coil wire shield will be installed on all involved vehicles.

VEHICLES INVOLVED:

Plant From To ----- ---- --

Lift Bracket Pencil Brace and Coil Wire

Sunbird Lordstown SOP H7535565

Firenza Leeds SOP HK311896

Skyhawk Leeds SOP HK422892

Plant From To ----- ---- --

Coil Wire Shield Only

Sunbird Lordstown H7535566 H7584931

Firenza Leeds HK311897 HK320176

Skyhawk Leeds HK422893 HK443705

All affected vehicles have been identified by the VIN listing provided to involved Dealers with this bulletin. Any Dealer not receiving a listing was not shipped any of the affected vehicles.

DEALER CAMPAIGN RESPONSIBILITY:

Dealers are to service all vehicles subject to this campaign at no charge to owners, regardless of mileage, age of vehicle, or ownership, from this time forward. Whenever a vehicle subject to this campaign is taken into your new or used vehicle inventory, or it is in your Dealership for service in the future, you should take the steps necessary to be sure the campaign correction has been made before reselling or releasing the vehicle.

Owners of vehicles recently sold from your new vehicle inventory are to be contacted by the Dealer, and arrangements made to make the required modification according to instructions contained in this bulletin.

CAMPAIGN PROCEDURE:

Refer to Section 4 of the Service Policies and Procedures Manual for the detailed procedure on handling Product Campaigns. Dealers are requested to complete the campaign on all transfers as soon as possible.

OWNER NOTIFICATION:

All owners of record at the time of campaign release are shown on the attached computer listing and have been notified by first class mail from General Motors. The listings provided are for campaign activity only and should not be used for any other purpose.

PARTS INFORMATION:

Parts required to complete this modification should be ordered through regular channels, as follows:

Part Number Description Quantity/Vehicle ----------- ----------- ----------------

10068556 Pencil Brace Kit 1 (As Required) Service Kit *

* Service Kit consists of: (1) P/N 11508279 Nut, (1) P/N 1508477 Bolt, (2) P/N 11508006 Nut,(1) P/N 10068555 Pencil Brace, and (1) P/N 10068560 Instruction Sheet.

14076453 Rear Engine Lift Bracket ** 1 (As Required)

**It is estimated that only 11% of the vehicles requiring a pencil brace will also require lift bracket replacement, order parts accordingly.

10103509 Coil Wire Shield 1 Service Kit ***

*** Service Kit consists of: (1) P/N 10083160 Shield and (1) P/N 10103508 Instruction Sheet.

PARTS AND LABOUR CLAIM INFORMATION:

Credit for the campaign work performed will be paid upon receipt of a properly completed campaign claim card, RAPID terminal or DCS transmission in accordance with the following:

Repair Code Operation Time Allowance ----------- --------- --------------

1A Inspection Only .3

2A Install Pencil Brace Only .4

3A Install Pencil Brace and .6 Coil Wire Shield

4A Replace Engine Lift Bracket, .6 Install Pencil Brace and Coil Wire Shield

5A Install Coil Wire Shield Only .4

Time allowance includes 0.1 hour for Dealer administrative detail associated with this campaign. Parts credit will be based on Dealer net plus 30% to cover parts handling.

SERVICE PROCEDURE:

1. Disconnect negative battery cable.

2. Remove air cleaner and inspect for pencil brace (See Figure 1). If pencil brace is NOT present, follow instructions for "PENCIL BRACE AND COIL WIRE SHIELD REQUIRED" otherwise follow instructions for "COIL SHIELD ONLY REQUIRED" as described below.

PENCIL BRACE AND COIL WIRE SHIELD REQUIRED

3. Disconnect electrical wiring from coil.

4. Remove upper existing coil bracket bolt (20 mm long) and loosen lower existing coil bolts.

5. Remove two (2) lift bracket nuts and discard.

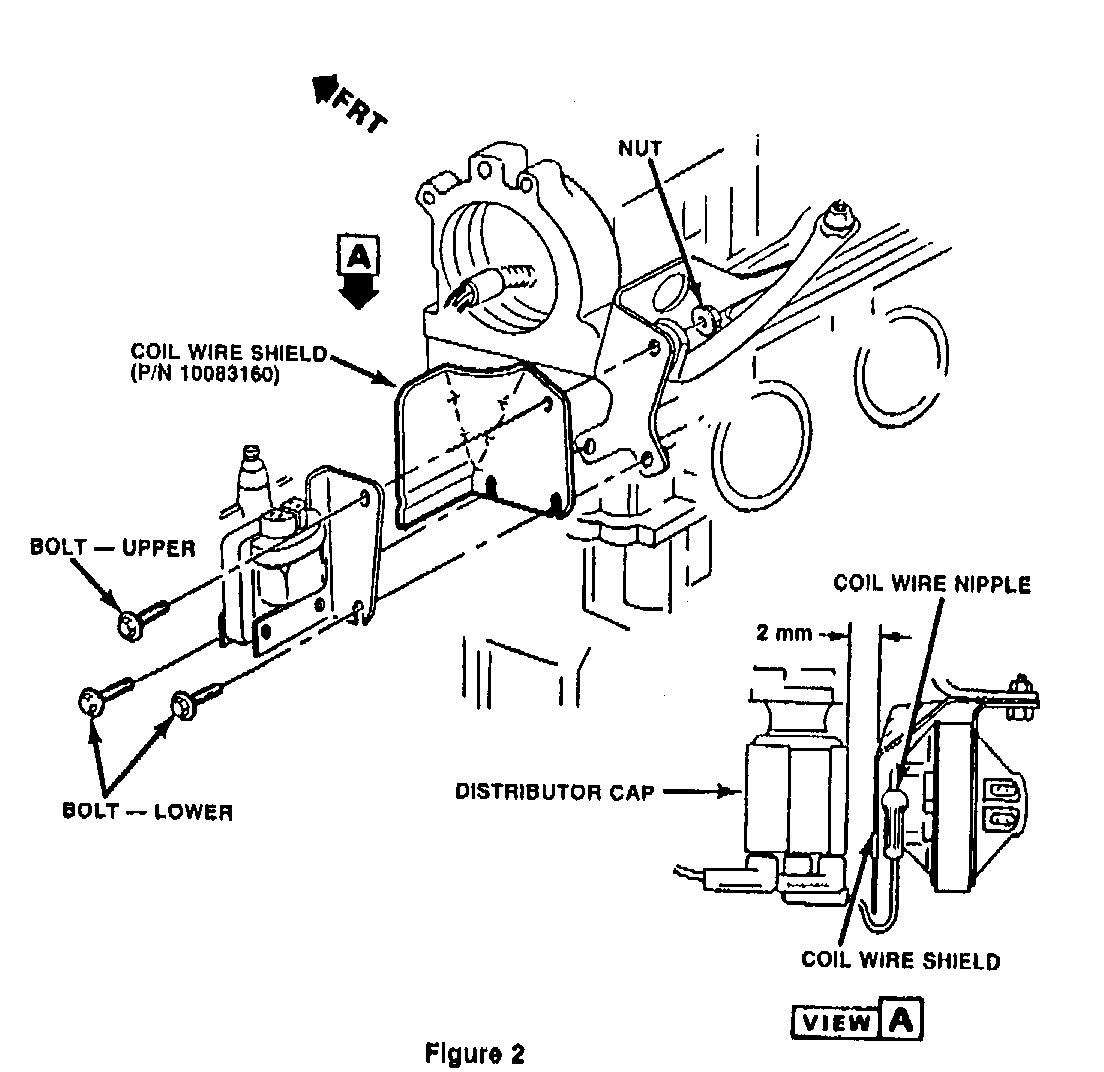
6. Remove lift bracket from engine and inspect for signs of a fatigue type crack appearing between the two (2) mounting stud holes. If a crack is present, replacement of lift bracket (P/N 14076453) is required. Transfer lower coil bolts, coil and add coil wire shield to new bracket (See Figure 2).

7. Install new coil bracket bolt (top) (30 mm long) and attach lift bracket (pencil) brace and nut from service kit (See Figure 1).

8. Position lift bracket, coil and coil wire shield on engine and attach end of pencil brace to front lift bracket stud.

9. Install new lift bracket nuts (washer faced) to studs.

10. Torque coil bracket nut first to position pencil brace 20-30 N.m (15-22 lb. ft.).

11. With shield in position, ensure at least 2 mm clearance to the distributor cap (See Figure 2, View A). Bend engine lift bracket if required for minimum clearance. SHIELD MUST NOT CONTACT DISTRIBUTOR CAP.

12. Torque lift bracket nuts 40-60 N.m (30-45 lb. ft.).

13. Torque lower coil bolts 20-30 N.m (15-22 lb. ft.).

14. Connect electrical wiring at coil COIL WIRE NIPPLE MUST NOT CONTACT SHIELD.

15. Install air cleaner.

16. Connect negative battery cable.

17. Install campaign identification label.

COIL WIRE SHIELD ONLY REQUIRED

3. Remove upper existing coil bolt.

4. Loosen lower existing coil bolts.

5. Install shield (See Figure 2).

6. Reinstall existing upper coil bolt and hand tighten.

7. Hand tighten lower coil bolts.

8. With shield in position, ensure at least 2 mm clearance to the distributor cap (See Figure 2, View A). Bend engine lift bracket if required for minimum clearance. SHIELD MUST NOT CONTACT DISTRIBUTOR CAP.

9. Torque upper and lower coil bolts 20-30 N.m (15-22 lb. ft.).

10. Connect electrical wiring at coil COIL WIRE NIPPLE MUST NOT CONTACT SHIELD.

11. Install air cleaner.

12. Connect negative battery cable.

13. Install campaign identification label.

INSTALLATION OF CAMPAIGN IDENTIFICATION LABEL

Clean surface of radiator upper mounting panel and apply a Campaign Identification Label. Make sure the correct campaign number is inserted on the label. This will indicate that the campaign has been completed.

Dear General Motors Customer:

This notice is being sent to you to inform you that your General Motors vehicle is involved in a Recall Campaign.

General Motors of Canada has determined that some 1987 Pontiac Sunbird, Oldsmobile Firenza and Buick Skyhawk Models equipped with 2.0L L4 OHC engine may experience fatigue fracture of the rear engine lift bracket. The ignition coil and coil bracket is mounted to the rear engine lift bracket. If the lift bracket fractures, the coil may become unsupported. This may ultimately result in engine misfire and possible loss of engine operation.

Additionally, magnetic interference between the ignition coil and distributor may cause extended cold cranking/no start, pop back during cranking and/or occasional "Service Engine Soon" light.

To protect against fatigue fracture of the rear engine lift bracket, the lift bracket will be inspected and, if necessary, replaced. Additionally, a pencil brace (service kit) will be installed as required on involved vehicles.

To prevent the possibility of magnetic interference, a coil wire shield will be installed on all involved vehicles. The above described service(s) will be performed for you at no charge.

Instructions for these services have been sent to your GM Dealer. Please contact your Dealer to arrange a service date. The labour time to make this (these) modification(s) on your vehicle is approximately 15-30 minutes depending on whether a lift bracket pencil brace is required on your vehicle. Please ask your Dealer if you wish to know how much additional time will be needed to process your vehicle.

This letter identifies your vehicle. Presentation of this letter to your Dealer will assist their Service personnel in completing the necessary correction to your vehicle in the shortest possible time.

We are sorry to cause you this inconvenience; however, we have taken this action in the interest of your continued satisfaction with our products.

Technical Services Department General Motors of Canada Limited


Object Number: 90731  Size: SF


Object Number: 88333  Size: FS


Object Number: 81673  Size: FS

General Motors bulletins are intended for use by professional technicians, not a "do-it-yourselfer". They are written to inform those technicians of conditions that may occur on some vehicles, or to provide information that could assist in the proper service of a vehicle. Properly trained technicians have the equipment, tools, safety instructions and know-how to do a job properly and safely. If a condition is described, do not assume that the bulletin applies to your vehicle, or that your vehicle will have that condition. See a General Motors dealer servicing your brand of General Motors vehicle for information on whether your vehicle may benefit from the information.