GM Service Manual Online
For 1990-2009 cars only
Figure 1:

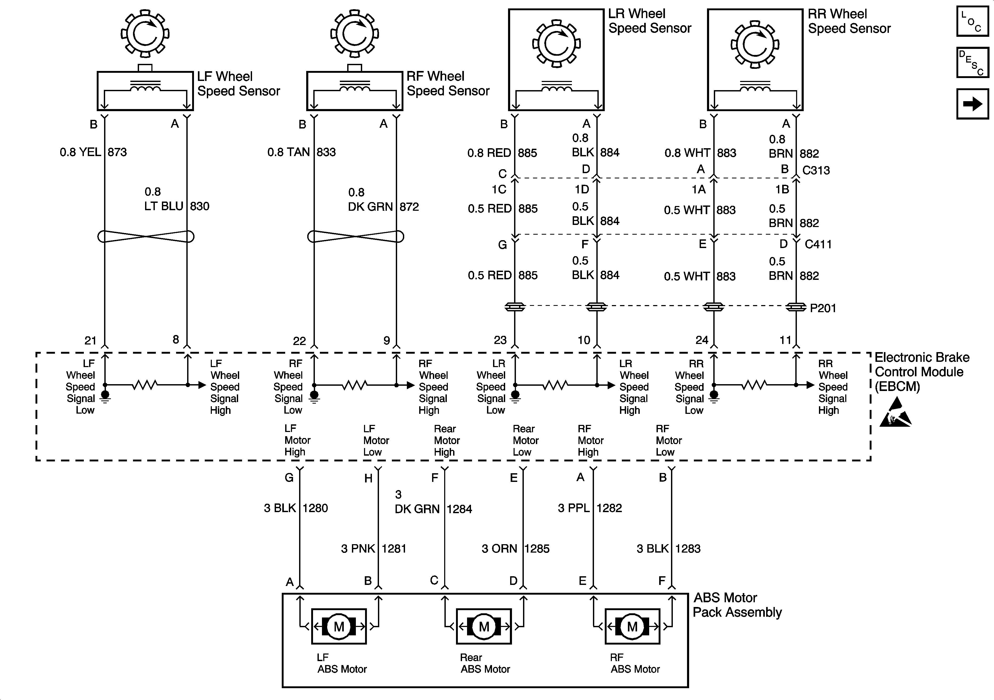
Antilock Brake Systems Cell 44: Motor Pack and Speed Sensors


Object Number: 184777  Size: FS
ABS Components
ABS/ETS System Description
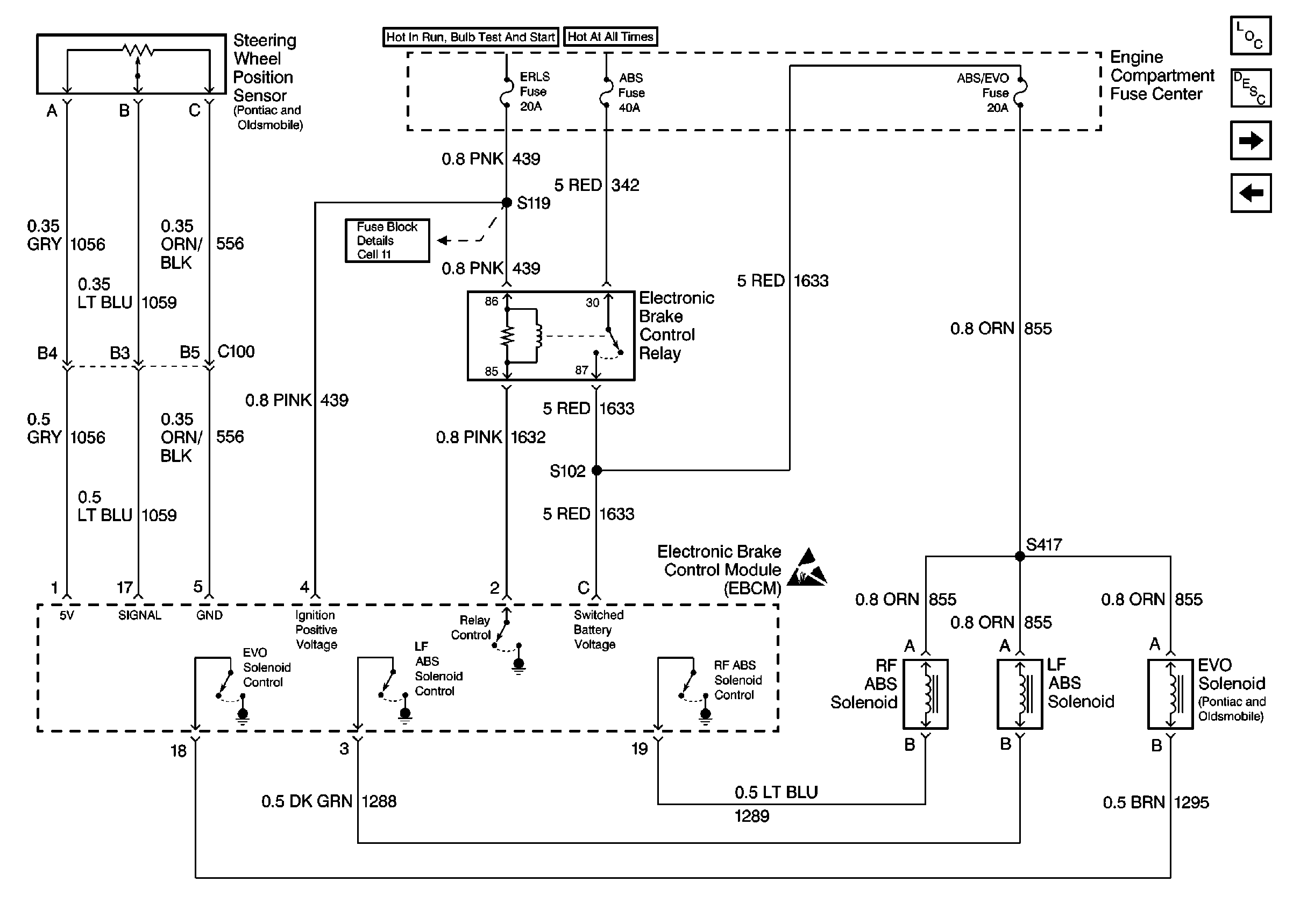
Antilock Brakes System Cell 44: Relay and Solenoids
Handling Electrostatic Discharge Sensitive Parts Notice
Figure 2:

Antilock Brakes System Cell 44: Relay and Solenoids


Object Number: 184779  Size: FS
ABS Components
ABS/ETS System Description
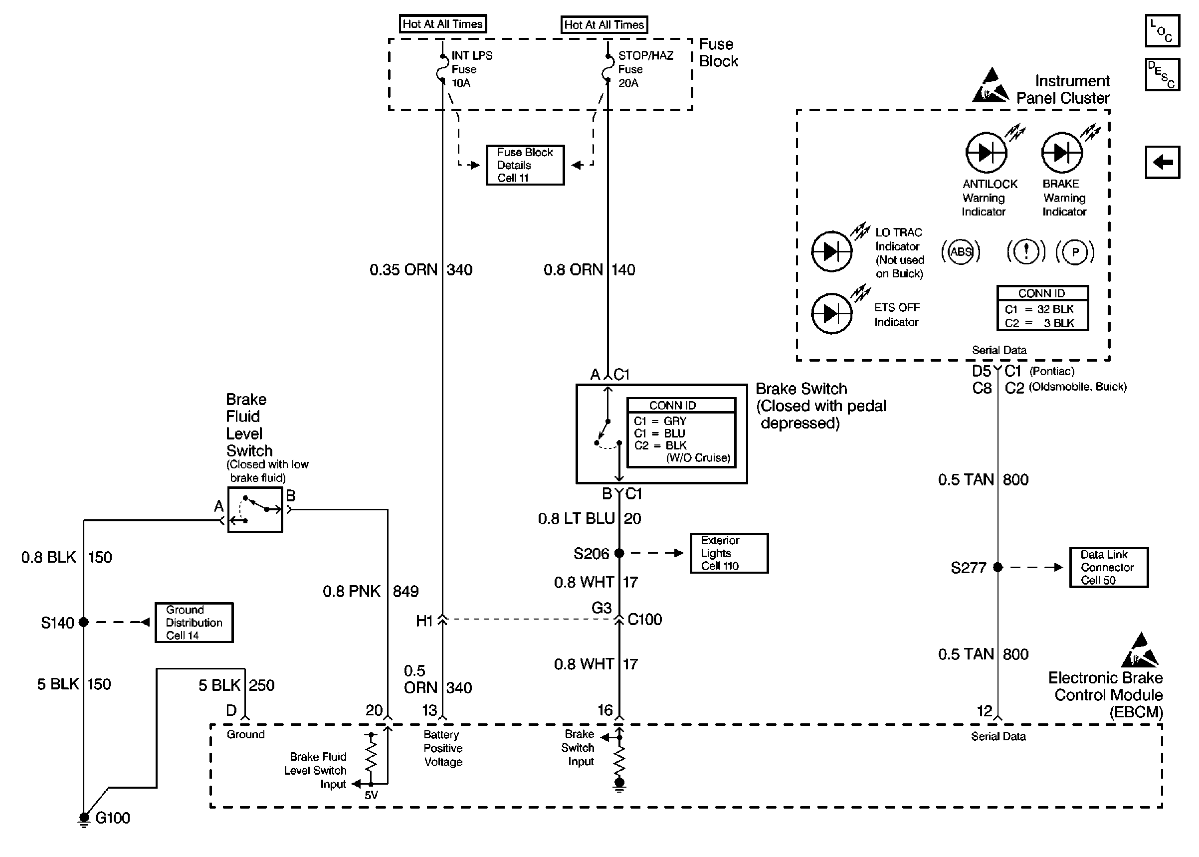
Antilock Brake Systems Cell 44: IPC, EBCM and Brake Switch
Antilock Brake Systems Cell 44: Motor Pack and Speed Sensors
Handling Electrostatic Discharge Sensitive Parts Notice
Figure 3:

Antilock Brake Systems Cell 44: IPC, EBCM and Brake Switch


Object Number: 184780  Size: FS
ABS Components
ABS/ETS System Description
Antilock Brakes System Cell 44: Relay and Solenoids
Handling Electrostatic Discharge Sensitive Parts Notice
Handling Electrostatic Discharge Sensitive Parts Notice