GM Service Manual Online
For 1990-2009 cars only
Makes
🢒
Buick
🢒
1998
🢒
Skylark
🢒
Steering
🢒
Variable Effort Steering
🢒 Steering Assist Schematics
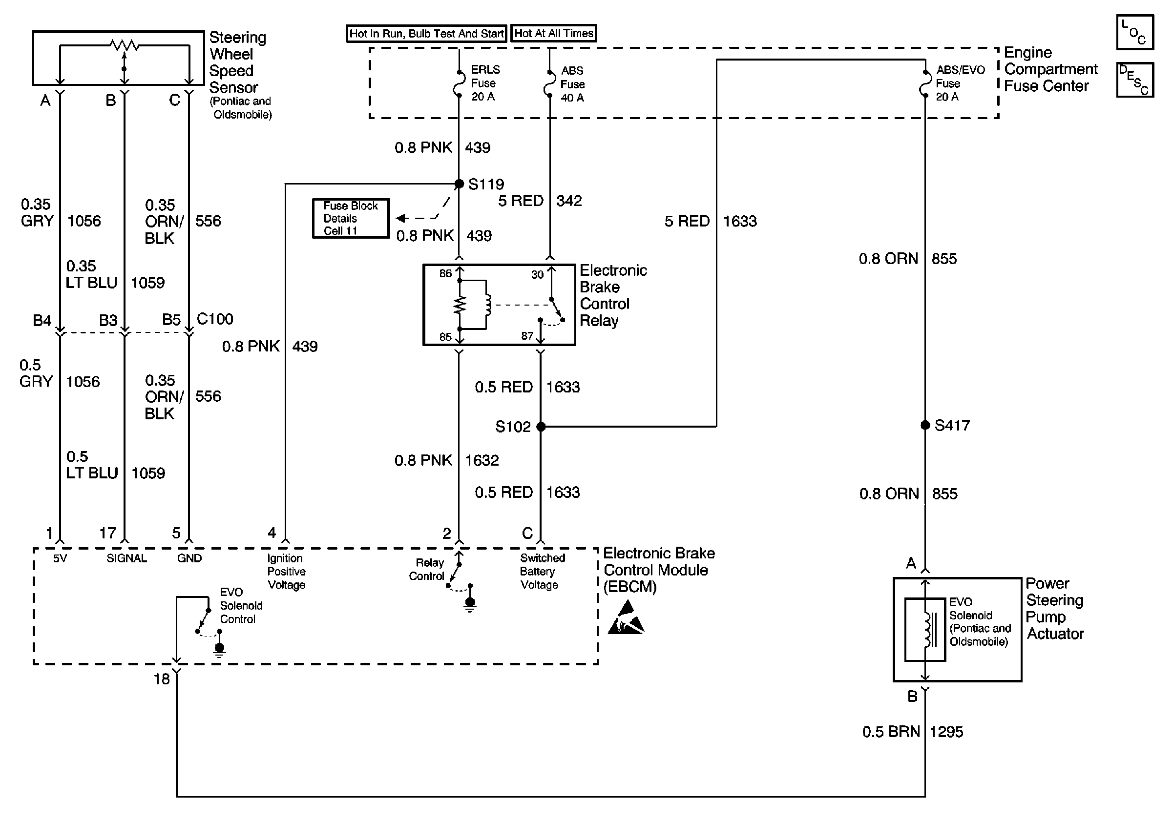
Variable Effort Steering System Cell 45: Steering Sensor and EVO Solenoid
Steering Controls Components
Variable Effort Steering System Operation