GM Service Manual Online
For 1990-2009 cars only

Tools Required

J 24319-B Steering Linkage and Tie Rod Puller

J 39580 Engine Support Stand

Removal Procedure

  1. Install the engine support fixture. Refer to Engine Support Fixture in Engine Mechanical - 2.6L and 3.2L.
  2. Raise and support the vehicle. Refer to Lifting and Jacking the Vehicle in General Information.
  3. Remove the front wheels. Refer to Tire and Wheel Removal and Installation in Tires and Wheels.
  4. Remove the front air deflector. Refer to Front Air Deflector Replacement in Body Front End.

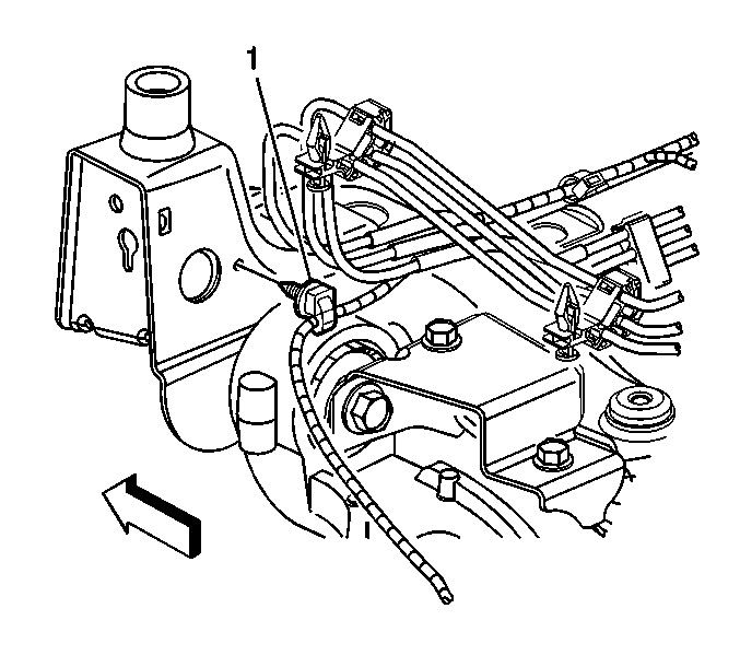
  5. Object Number: 708192  Size: SH
  6. Disconnect the electrical harness retainers (1) securing the engine harness to the frame.

  7. Object Number: 708204  Size: SH
  8. Disconnect the left rearward retainer (1).

  9. Object Number: 708197  Size: SH
  10. Disconnect the right rearward retainer (1).

  11. Object Number: 802031  Size: SH
  12. Disconnect the antilock brake wiring harness from the lower control arms.

  13. Object Number: 819185  Size: SH
  14. Loosen the brake line bracket nut (1).
  15. Disconnect the brake lines from the frame.

  16. Object Number: 708709  Size: SH
  17. Using mechanics wire (3), support the radiator and AC condenser assembly to the front inner energy absorber bracket bolt (1).

  18. Object Number: 708714  Size: SH
  19. Remove the washer bottle bracket nuts and bracket (3).
  20. Loosen the brake pressure modulator valve nuts (1) in order to separate the brake pressure modulator valve (2) from the bracket assembly.

  21. Object Number: 814811  Size: SH

    Important: Mark the stabilizer shaft to ensure the correct position when reinstalling.

  22. Loosen the stabilizer shaft mounting bolts.

  23. Object Number: 750841  Size: SH
  24. Remove the lower stabilizer shaft link retaining nut.
  25. Remove the stabilizer shaft link from the lower control arm.

  26. Object Number: 802037  Size: SH
  27. Remove the power steering pressure hose retaining nut from the air conditioning compressor.
  28. Position power steering pressure hose aside.

  29. Object Number: 802792  Size: SH
  30. Remove the power steering gear mounting bolts.

  31. Object Number: 708719  Size: SH
  32. Using mechanics wire (4) support the power steering gear (3) to the bolt bracket installed in the oil pan.

  33. Object Number: 794579  Size: SH
  34. Remove the outer tie rod retaining nut.

  35. Object Number: 643351  Size: SH
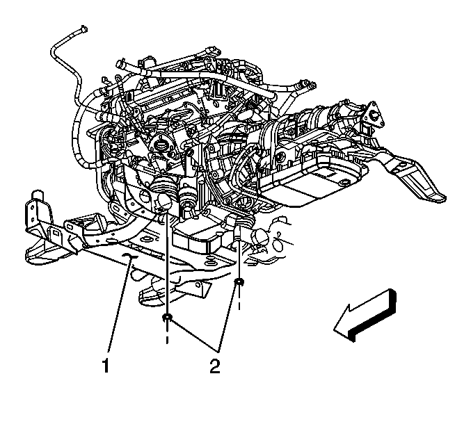
  36. Using J 24319-B , separate the outer tie rod from the steering knuckle.

  37. Object Number: 742959  Size: SH
  38. Remove the lower shock bolts (1).
  39. Important: The brake calipers do not need to be removed from the knuckle assembly.

  40. Disconnect the lower ball joint from the steering knuckle and position the knuckle assembly away from the lower control arms. Refer to Lower Control Arm Replacement in Front Suspension

  41. Object Number: 708183  Size: SH
  42. Remove the engine mounts lower retaining nuts (2).

  43. Object Number: 822362  Size: SH
  44. Install J 39580 under the frame.
  45. Lower the vehicle to the frame support table.
  46. Remove the frame mounting bolts (2).
  47. With the aid of an assistant, carefully raise the body from the frame.
  48. Ensure when raising the body the following items are clear from the frame.
  49. • The brake pipes
    • The steering knuckle assembly
    • The wheel speed sensor electrical harness

    Object Number: 819203  Size: SH
  50. Remove the lower control arms. Refer to Lower Control Arm Replacement in Front Suspension.
  51. Remove the stabilizer shaft. Refer to Stabilizer Shaft Replacement in Front Suspension.
  52. With the aid of an assistant, remove the frame from the support fixture.

Installation Procedure

  1. Install the lower control arm to the frame. Refer to Lower Control Arm Replacement in Front Suspension.
  2. Install the stabilizer shaft to the frame. Refer to Stabilizer Shaft Replacement in Front Suspension.
  3. Do not tighten the stabilizer shaft mounting bolts at this time.


    Object Number: 819203  Size: SH
  4. With the aid of an assistant, position and secure the new frame assembly to the support fixture.
  5. With the aid of an assistant, carefully lower the body to the frame.
  6. Ensure the following components are clear from the frame.
  7. • The electrical harness
    • The steering knuckle assembly
    • The brake pipes

    Notice: Refer to Fastener Notice in the Preface section.


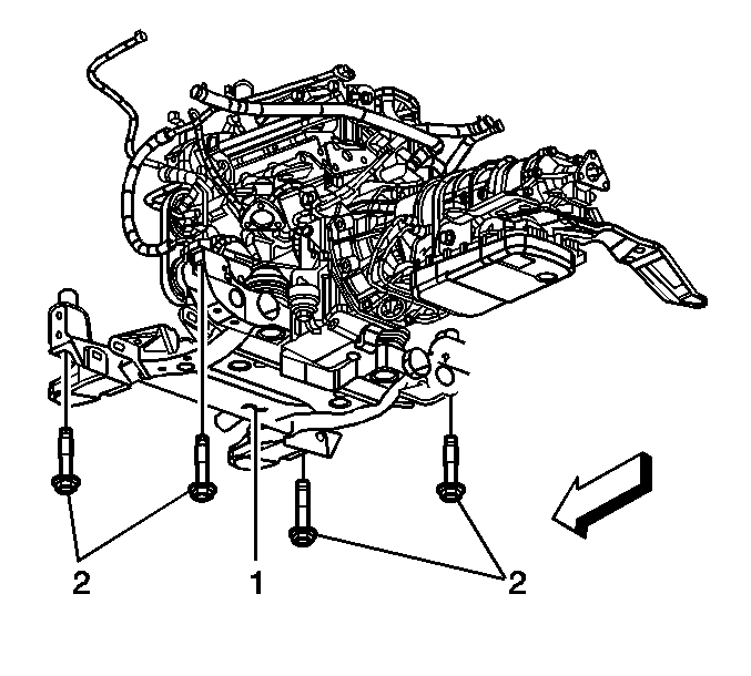
    Object Number: 822362  Size: SH
  8. Install the frame mountings bolts (2).
  9. Tighten
    Tighten the bolts (2) to 191 N·m (141 lb ft).

  10. Raise the vehicle.

  11. Object Number: 708183  Size: SH
  12. Install the engine mount lower retaining nuts (2).
  13. Tighten
    Tighten the nuts (2) to 50 N·m (37 lb ft).

  14. Remove the J 39580 from under the vehicle.

  15. Object Number: 708719  Size: SH
  16. Remove the mechanics wire (4) supporting the power steering gear (3).

  17. Object Number: 802792  Size: SH
  18. Install the power steering gear mounting bolts.
  19. Tighten
    Tighten the bolts to 95 N·m (70 lb ft).


    Object Number: 750956  Size: SH
  20. Install the ball joint to the steering knuckle.
  21. Install the lower ball joint retaining nut.
  22. Tighten
    Tighten the nut to 20 N·m (15 lb ft plus an additional 210 degree rotation).


    Object Number: 794579  Size: SH
  23. Install the outer tie rod to the steering knuckle.
  24. Install the outer tie rod to steering knuckle retaining nut.
  25. Tighten
    Tighten the nut to 70 N·m (52 lb ft).


    Object Number: 814811  Size: SH

    Important: Ensure correct position from the previously marked spots.

  26. Tighten the stabilizer shaft bolts.
  27. Tighten
    Tighten the bolts to 60 N·m (44 lb ft).


    Object Number: 750841  Size: SH
  28. Install the stabilizer shaft link to the lower control arms.
  29. Install the stabilizer shaft link nuts.
  30. Tighten
    Tighten the nuts to 50 N·m (37 lb ft).


    Object Number: 742959  Size: SH
  31. Install the lower shock mounting bolts (1).
  32. Tighten
    Tighten the bolts to 25 N·m (18 lb ft).


    Object Number: 819185  Size: SH
  33. Install the brake pipe connection to the frame.
  34. Tighten
    Tighten the nuts (1) to 10 N·m (89 lb in).


    Object Number: 708714  Size: SH
  35. Install the brake pressure modulator valve nuts (1).
  36. Tighten
    Tighten the nuts to 10 N·m (89 lb in).

  37. Install the washer bottle bracket and nuts (3).
  38. Tighten
    Tighten the nuts to 10 N·m (89 lb in).


    Object Number: 708709  Size: SH
  39. Remove the mechanics wire (3) supporting the radiator.
  40. Secure the energy absorber bracket nut (1).
  41. Tighten
    Tighten the nut to 25 N·m (18 lb ft).


    Object Number: 802031  Size: SH
  42. Install the antilock brake wiring harness to the lower control arms.

  43. Object Number: 708197  Size: SH
  44. Secure the right rearward retainer (1).

  45. Object Number: 708204  Size: SH
  46. Secure the left rearward retainer (1).

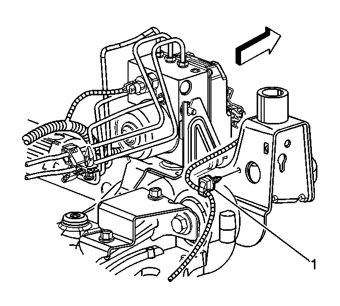
  47. Object Number: 708192  Size: SH
  48. Secure the engine electrical harness retainers (1) to the frame.
  49. Install the front air deflector. Refer to Front Air Deflector Replacement in Body Front End.
  50. Install the front tires and wheels . Refer to Tire and Wheel Removal and Installation in Tires and Wheels.
  51. Lower the vehicle.
  52. Align the vehicle. Refer to Wheel Alignment Measurement in Wheel Alignment.