GM Service Manual Online
For 1990-2009 cars only

Removal Procedure

  1. Remove the air cleaner assembly. Refer to Air Cleaner Assembly Replacement in Engine Controls-2.6L and 3.2L.
  2. Remove the intake air resonator. Refer to Intake Air Resonator Replacement in Engine Controls-2.6L and 3.2L.

  3. Object Number: 785766  Size: SH
  4. Disconnect the retainer (1) securing the engine wiring harness to the A/C pressure hose.
  5. Disconnect the retainer (2) securing the engine wiring harness to the accessory mounting bracket (3).

  6. Object Number: 803176  Size: SH
  7. Remove the power steering return hose nut and retainer from the Air Conditioning (A/C) compressor stud.

  8. Object Number: 802720  Size: SH
  9. Remove the power steering pressure hose nut and retainer from the A/C compressor stud.
  10. Remove the drive belt. Refer to Drive Belt Replacement .

  11. Object Number: 785728  Size: SH
  12. Remove the power steering pump mounting bolts (1-3) ONLY.
  13. Remove the power steering pump from the accessory mounting bracket, and position aside.

  14. Object Number: 785764  Size: SH
  15. Disconnect the following from the remote power steering fluid reservoir (1):
  16. • The vacuum brake booster hose
    • The wiring harness (2)

    Object Number: 785730  Size: SH
  17. Remove the remote power steering fluid reservoir mounting bolts (1, 3) ONLY, and position aside.

  18. Object Number: 785773  Size: SH
  19. Disconnect the electrical connector from the A/C compressor.
  20. Important: Evacuation of the A/C refrigerant will not be necessary.

  21. Remove the A/C compressor mounting bolts ONLY, and position aside.

  22. Object Number: 785727  Size: SH
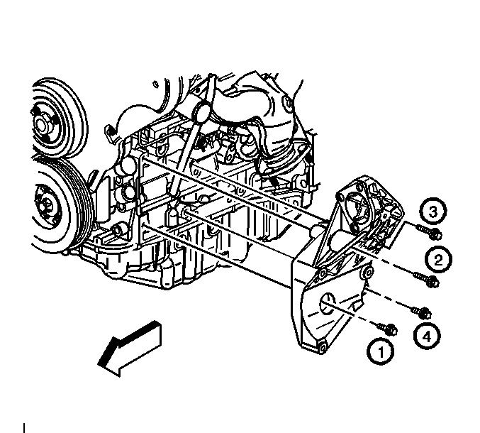
  23. Remove the 4 bolts (1-4) securing the accessory mounting bracket to the engine.
  24. Remove the accessory mounting bracket from the engine.

Installation Procedure


    Object Number: 785727  Size: SH
  1. Position the accessory mounting bracket to the engine.
  2. Notice: Refer to Fastener Notice in the Preface section.

  3. Install the 4 bolts securing the accessory mounting bracket to the engine.
  4. Tighten
    Tighten the accessory mounting bracket bolts in sequence 1-4 to 35 N·m (26 lb ft).


    Object Number: 785773  Size: SH
  5. Position the A/C compressor to the accessory mounting bracket.
  6. Install the A/C compressor mounting bolts.
  7. Tighten
    Tighten the A/C compressor mounting bolts to 20 N·m (15 lb ft).

  8. Connect the electrical connector to the A/C compressor.

  9. Object Number: 785730  Size: SH
  10. Install the remote power steering fluid reservoir mounting bolts (1, 3).
  11. Tighten

    • Tighten the remote power steering fluid reservoir to intake plenum mounting bolts (1) to 9 N·m (80 lb in).
    • Tighten the remote power steering fluid reservoir to cylinder head mounting bolt (3) to 25 N·m (18 lb ft).

    Object Number: 785764  Size: SH
  12. Connect the following to the remote power steering fluid reservoir (1):
  13. • The vacuum brake booster hose
    • The wiring harness (2)

    Object Number: 785728  Size: SH
  14. Position the power steering pump to the accessory mounting bracket.
  15. Install the power steering pump mounting bolts.
  16. Tighten
    Tighten the power steering pump mounting bolts in sequence 1-3 to 35 N·m (26 lb ft).

  17. Install the drive belt. Refer to Drive Belt Replacement .

  18. Object Number: 802720  Size: SH
  19. Install the power steering pressure hose retainer and nut to the A/C compressor stud.
  20. Tighten
    Tighten the power steering hose retaining nut to 8 N·m (71 lb in).


    Object Number: 803176  Size: SH
  21. Install the power steering return hose retainer and nut to the A/C compressor stud.
  22. Tighten
    Tighten the power steering hose retaining nut to 8 N·m (71 lb in).


    Object Number: 785766  Size: SH
  23. Connect the retainer (1) securing the engine wiring harness to the A/C pressure hose.
  24. Connect the retainer (2) securing the engine wiring harness to the accessory mounting bracket (3).
  25. Install the intake air resonator. Refer to Intake Air Resonator Replacement in Engine Controls-2.6L and 3.2L.
  26. Install the air cleaner assembly. Refer to Air Cleaner Assembly Replacement in Engine Controls-2.6L and 3.2L.