GM Service Manual Online
For 1990-2009 cars only
Makes
🢒
Cadillac
🢒
2003
🢒
CTS
🢒
Brakes
🢒
Hydraulic Brakes
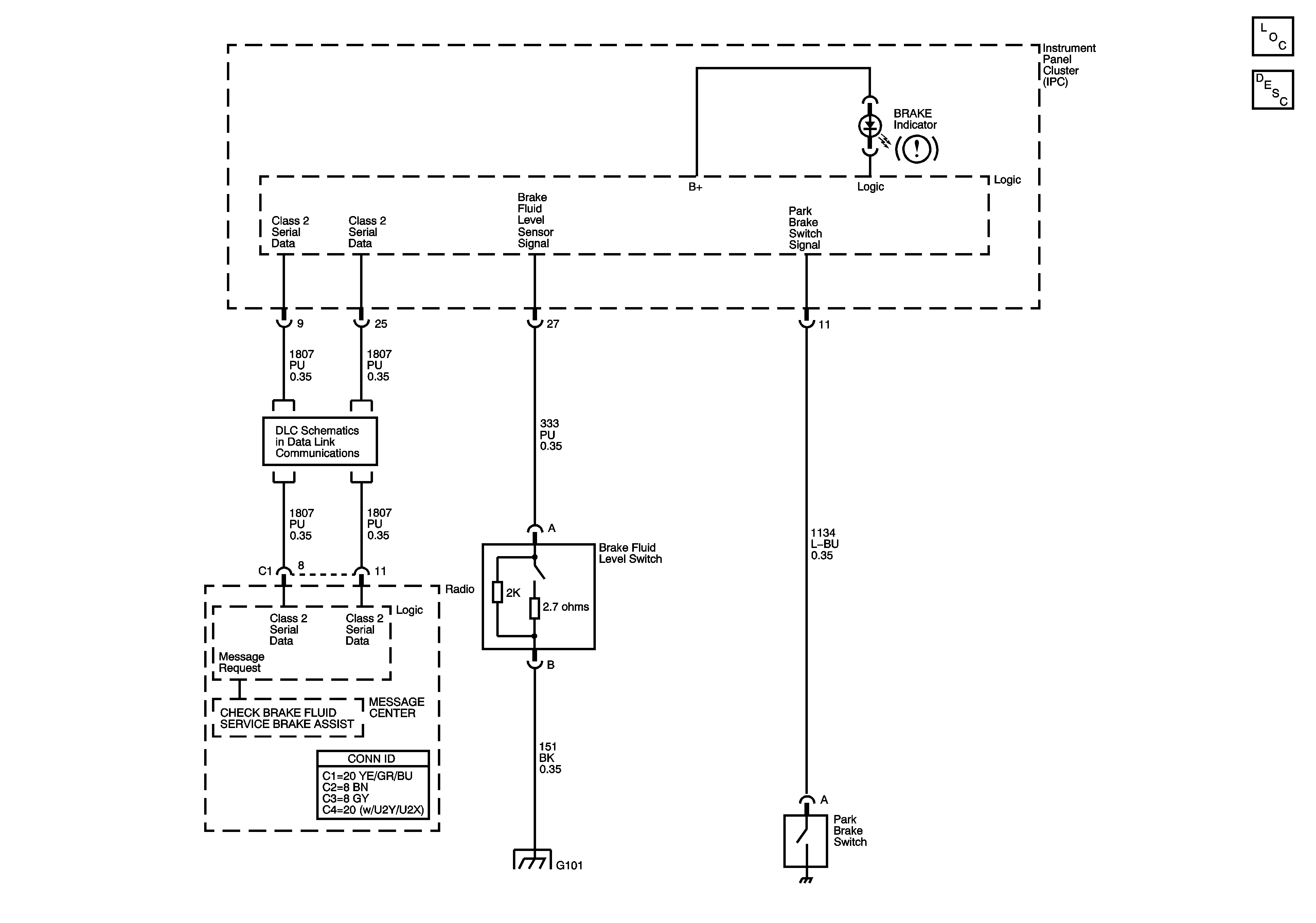
🢒 Brake Warning System Schematics