GM Service Manual Online
For 1990-2009 cars only

Clutch Pedal Replacement CTS

Removal Procedure

  1. Remove the driver side instrument panel insulator. Refer to Instrument Panel Insulator Panel Replacement - Left Side in Instrument Panel, Gages and Console.
  2. Disconnect the clutch pedal position switch electrical connector.

  3. Object Number: 802760  Size: SH
  4. Disconnect the clutch master cylinder push rod from the clutch pedal pin.

  5. Object Number: 785889  Size: SH
  6. Remove the clutch fluid reservoir attaching bolt.
  7. Position the clutch fluid reservoir aside.
  8. Remove the coolant surge tank and the vacuum brake booster. Refer to Power Vacuum Brake Booster Replacement in Hydraulic Brakes.
  9. Important: Do NOT disconnect the hydraulic hoses from the clutch master cylinder.


    Object Number: 836288  Size: SH
  10. Rotate the clutch master cylinder clockwise 1/8 turn.
  11. Remove the clutch master cylinder from the cowl.
  12. Remove the park brake pedal assembly from the instrument panel and position aside. Refer to Parking Brake Lever Pedal Assembly Replacement in Park Brake.
  13. Remove the wiring harness retainers from the clutch pedal assembly.

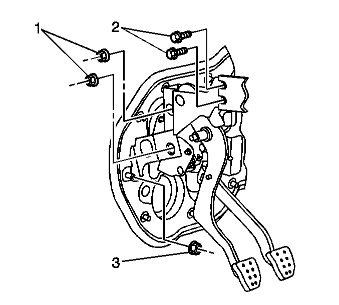
  14. Object Number: 836289  Size: SH
  15. Remove the 2 bolts (2) securing the clutch pedal assembly to the instrument panel carrier.
  16. Remove the 2 nuts (1) securing the clutch pedal assembly to the brake pedal assembly.
  17. Remove the nut (3) securing the clutch pedal assembly to the cowl.
  18. Remove the clutch pedal assembly from the vehicle.

Installation Procedure


    Object Number: 836289  Size: SH
  1. Install the clutch pedal assembly to the vehicle.
  2. loosely install the nuts (1), bolts (2), and nut  (3) in order to align the clutch pedal assembly.
  3. Notice: Refer to Fastener Notice in the Preface section.

  4. Tighten the clutch pedal fasteners in the following order.
  5. 3.1. Tighten the nuts (1).

    Tighten
    Tighten the nuts to 20 N·m (15 lb ft).

    3.2. Tighten the bolts (2).

    Tighten
    Tighten the bolts to 20 N·m (15 lb ft).

    3.3. Tighten the nut (3)

    Tighten
    Tighten the nut to 9 N·m (80 lb in).

  6. Install the wiring harness retainers to the clutch pedal assembly.
  7. Install the park brake pedal assembly. Refer to Parking Brake Lever Pedal Assembly Replacement in Park Brake.

  8. Object Number: 836288  Size: SH
  9. With the clutch fluid reservoir connection at 2:00 position. Insert the clutch master cylinder into the cowl.
  10. Align the keys of the clutch master cylinder housing with the tabs on the clutch pedal bracket.
  11. Rotate the clutch master cylinder counter clockwise approximately 1/8 turn until fully seated. The clutch fluid reservoir hose connection will be at vertical 12:00 position when the clutch master cylinder is properly installed.
  12. Install the vacuum brake booster and the coolant surge tank. Refer to Power Vacuum Brake Booster Replacement in Hydraulic Brakes.

  13. Object Number: 785889  Size: SH
  14. Install the clutch fluid reservoir.
  15. Install the clutch fluid reservoir attaching bolt.
  16. Tighten
    Tighten the bolt to 50 N·m (37 lb ft).


    Object Number: 802760  Size: SH
  17. Position the clutch master cylinder push rod to the clutch pedal pin.
  18. Push the clutch master cylinder push rod onto the clutch pedal pin to secure.
  19. Connect the clutch pedal position switch electrical connector.
  20. Check for proper clutch pedal movement and operation.
  21. Install the driver side instrument panel insulator. Refer to Instrument Panel Insulator Panel Replacement - Left Side in Instrument Panel, Gages and Console.